Car cranks, no start.

Tiny
BARBIE LUKKA
  • MEMBER
  • 2000 NISSAN ALTIMA
  • 2.4L
  • 4 CYL
  • 2WD
  • AUTOMATIC
  • 200,000 MILES
Car cranks, no start.
Sunday, November 10th, 2019 AT 9:48 AM

1 Reply

Tiny
KASEKENNY
  • MECHANIC
  • 18,907 POSTS
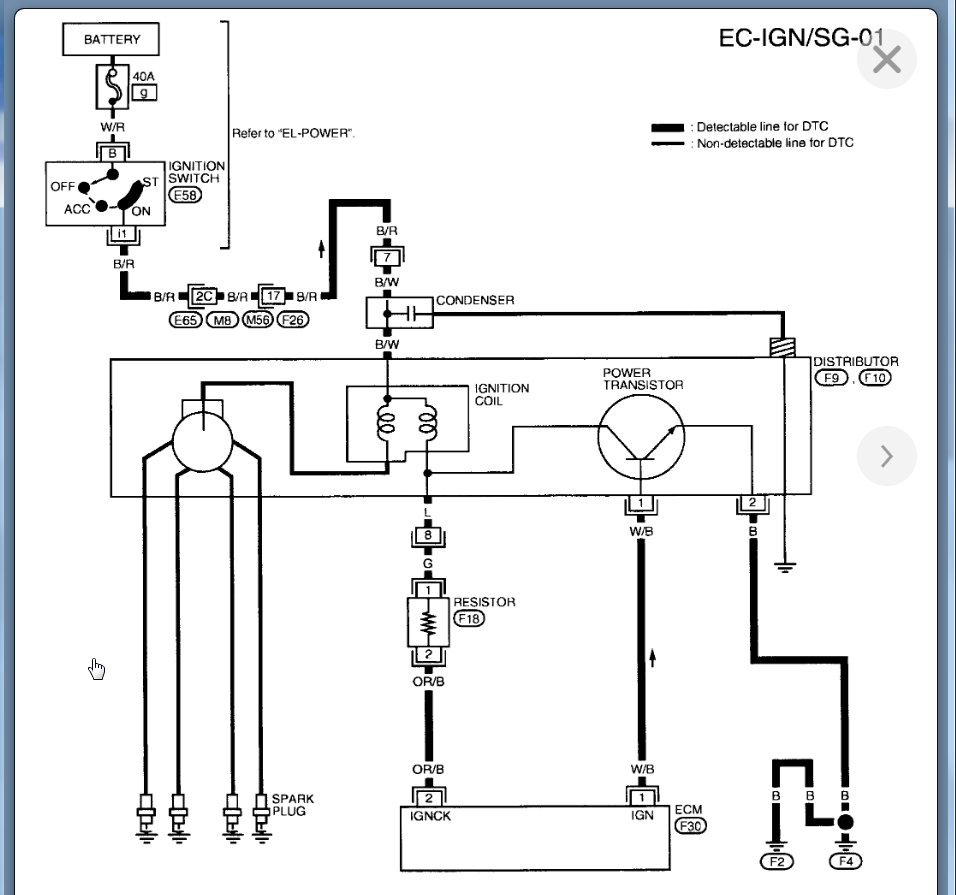
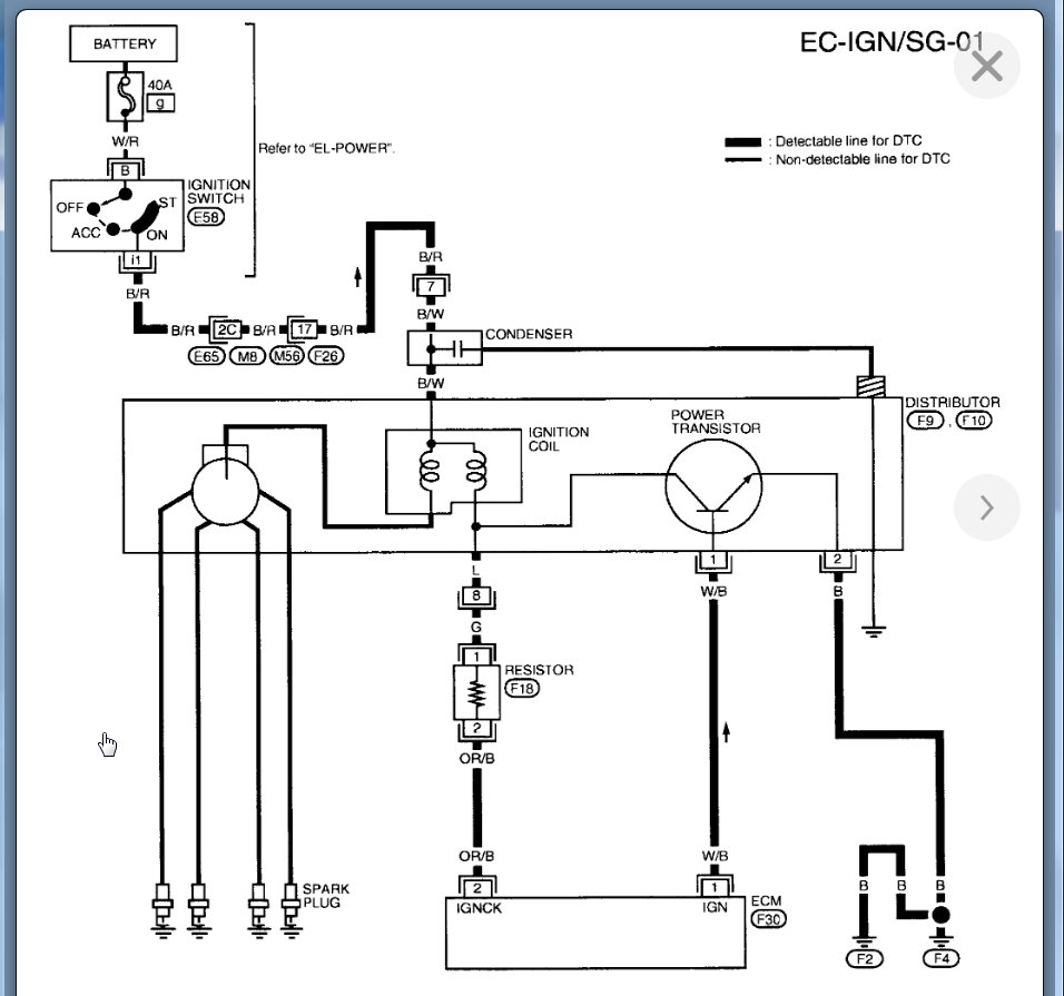
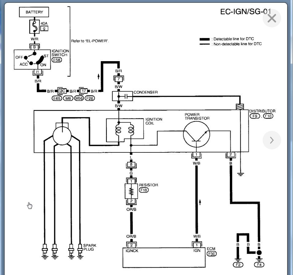
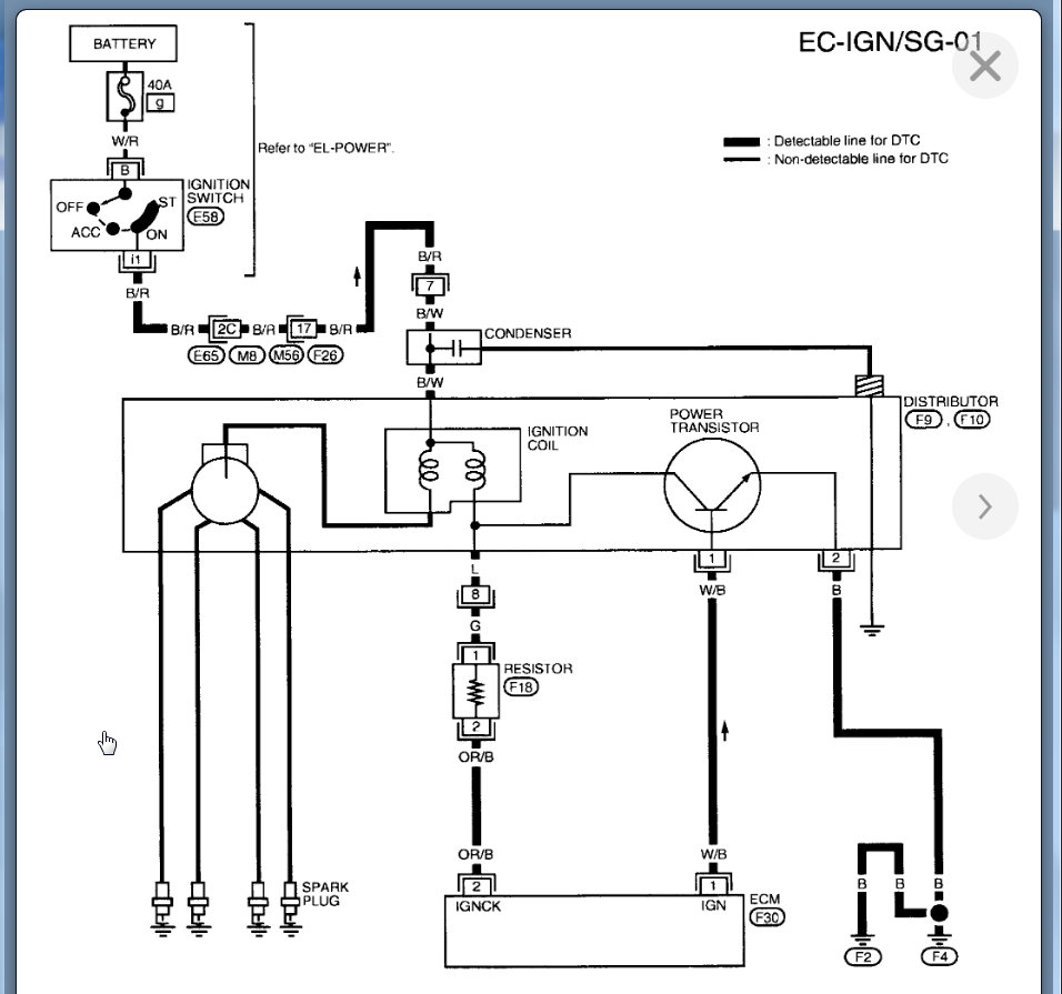
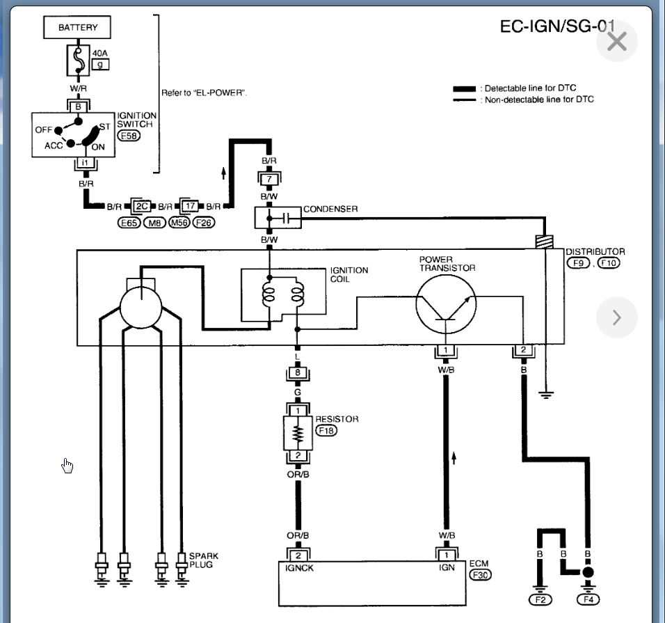
This could be a number of things. You need fuel, spark, and compression in order to start the engine so we need to start checking these. Start with fuel by spraying some starter fluid in the intake and see if the engine fires. If so we can track that down. If not, then we need to check spark. Easiest way is to pull a plug and connect it back up and hold it against the block and see if it sparks. I attached a lot of information about the ignition system in the event you find there is no spark.

https://www.2carpros.com/articles/car-cranks-but-wont-start

Start with this and we can go from there. Thanks
Was this
answer
helpful?
Yes
No
Sunday, April 25th, 2021 AT 2:00 PM

Please login or register to post a reply.