Intermittent no start issue

Tiny
SKOOTER24
  • MEMBER
  • 2006 DODGE CARAVAN
  • 3.8L
  • V6
  • 2WD
  • AUTOMATIC
  • 200,000 MILES
The car starts and sometimes it doesn't do anything. When I turn the key it clicks once, and all the lights go out. Tried jumping cables man said battery is good.
Saturday, December 25th, 2021 AT 3:20 PM

13 Replies

Tiny
JACOBANDNICKOLAS
  • MECHANIC
  • 110,194 POSTS
Hi,

It really sounds like you have a loose or corroded connection at the battery. What can happen is this; if there is a loose/corroded cable when you turn the key to start, the connection is lost because of the heavy draw on the battery. A few seconds later, things turn back on.

I would like to start at that point. Do me a favor. Take a look through this link and perform what it is recommending.

https://www.2carpros.com/articles/everything-goes-dead-when-engine-is-cranked

Let me know if that helps. I'm interested in knowing.

Take care and I hope you had a great Christmas.

Joe

Was this
answer
helpful?
Yes
No
Saturday, December 25th, 2021 AT 10:51 PM
Tiny
SKOOTER24
  • MEMBER
  • 275 POSTS
When I tried jumping it he checked all that and said it seemed to be starter or alternator but hours later it finally kicked on and I checked battery and alternator seems to be at 14 almost 15. I used a clamp meter because I sold my multimeter.
Was this
answer
helpful?
Yes
No
Saturday, December 25th, 2021 AT 11:50 PM
Tiny
SKOOTER24
  • MEMBER
  • 275 POSTS
Merry Christmas too, and I hope you did too. This van is getting on my last nerve no atari and the sliding doors don't work, and it clunks when we hit potholes or get out of the vehicle. I'm trying to just fix everything and get rid of it. I have never in my life seen a car with this many issues. I'm just going to work on one thing at a time.
Was this
answer
helpful?
Yes
No
Saturday, December 25th, 2021 AT 11:54 PM
Tiny
SKOOTER24
  • MEMBER
  • 275 POSTS
Can I get info on the starter and bypass info on bypassing the ignition switch? I'm trying to check all that and see if there are other electrical issues.
Was this
answer
helpful?
Yes
No
Sunday, December 26th, 2021 AT 1:40 PM
Tiny
JACOBANDNICKOLAS
  • MECHANIC
  • 110,194 POSTS
Hi,

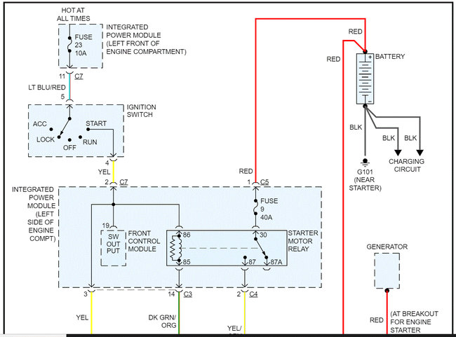
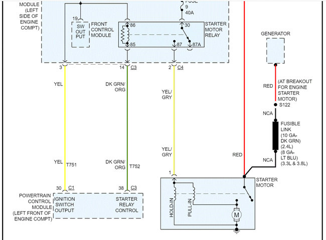
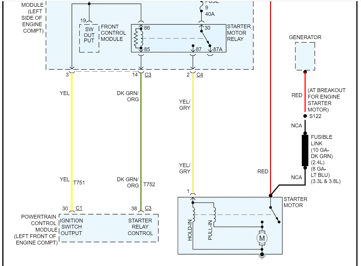
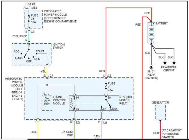
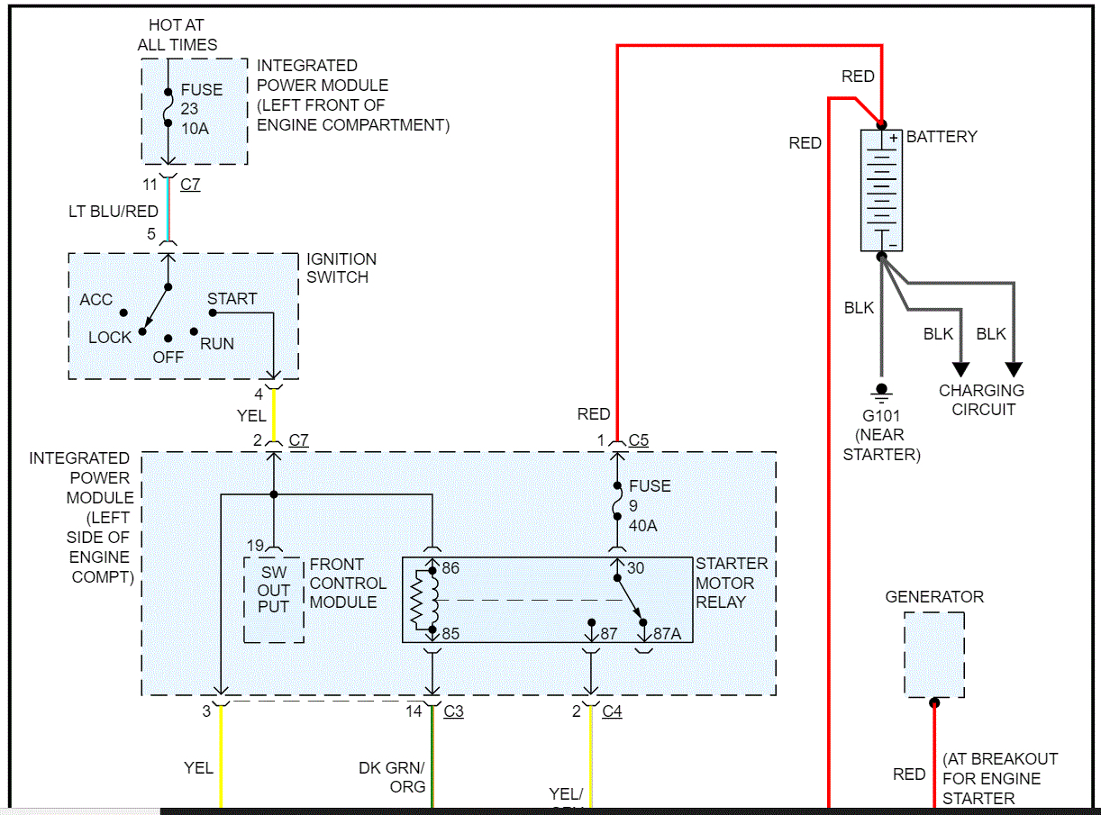
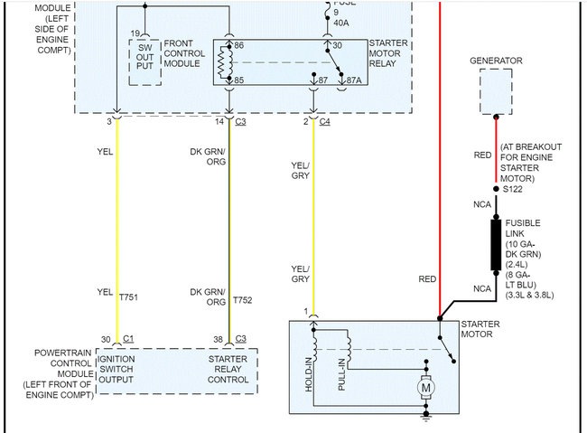
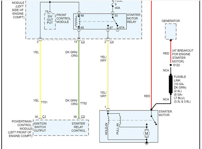
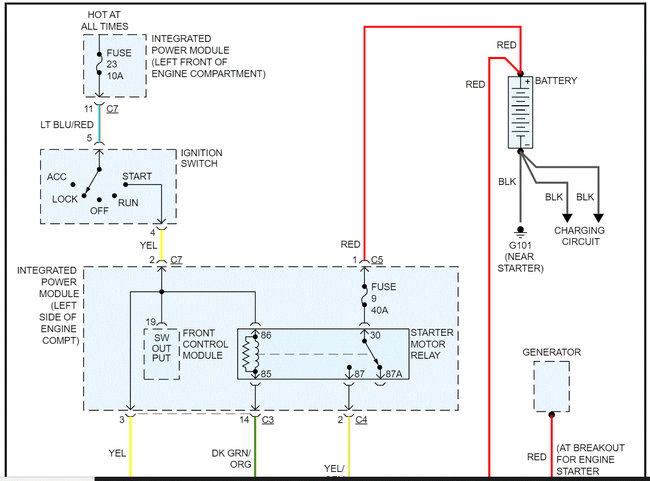
Because of the model year, you can't bypass the ignition switch. I did get the wiring schematic for the starting system for you. See pics below.

Now, if the battery was charged and this happened, it has nothing to do with the alternator. Either we have a loose connection, or the starter motor is going bad. When you hear the one-click, does it sound like it's under the hood and could be coming from the starter?

Please recheck battery cables and follow the ground wire from the battery to the engine block and confirm it is clean, tight, and undamaged.

Next, the wiring schematic below for the starting system was one page in length. I had to cut it in half to make it readable for you. I did overlap the two so you can follow from one to the next.

If you are trying to bypass the ignition just to confirm the starter is good, see pic 3 below. That is the starter relay. When you turn the key to the start position, power is sent through pin 86 to 85's ground. When that happens, the relay is actuated allowing power that is constant at pin 30 (Fuse 9) to be transferred through pin 87. That goes to the S terminal on the starter engaging it. So, if you use a jumper wire between 30 and 87, you bypass the relay and ignition and power the starter. It should crank.

I'm here if you have questions or need help, so let me know. Also, the clunk you hear when hitting bumps is likely the strut plates (mounts) at the top of the assembly. It is a very common issue and not expensive to fix.

Let me know what I can do to help.

Take care,

Joe

See pics below.
Was this
answer
helpful?
Yes
No
Sunday, December 26th, 2021 AT 8:57 PM
Tiny
SKOOTER24
  • MEMBER
  • 275 POSTS
Yes, when it clicks its coming from under hood when trying to crank it over I hear click coming from under engine.
Was this
answer
helpful?
Yes
No
Sunday, December 26th, 2021 AT 9:06 PM
Tiny
JACOBANDNICKOLAS
  • MECHANIC
  • 110,194 POSTS
I suspect the solenoid on the starter is bad or going bad. Do this. Have a helper turn the key to the start position while you check for power at the starter's yellow wire with a gray tracer. That is the trigger wire. It should only receive 12v when the key is in the start position. If you get 12v and the starter clicks, replace the starter motor.

Let me know what you find. Also, if you have questions, let me know. I'll be here for a while tonight.

Take care,

Joe
Was this
answer
helpful?
Yes
No
Sunday, December 26th, 2021 AT 9:10 PM
Tiny
SKOOTER24
  • MEMBER
  • 275 POSTS
Okay, so, when I try to crank it and it's still getting 12 volts it's bad, I'm sorry I'm just trying to wrap all this in my head.
Was this
answer
helpful?
Yes
No
Sunday, December 26th, 2021 AT 9:14 PM
Tiny
JACOBANDNICKOLAS
  • MECHANIC
  • 110,194 POSTS
Hi,

No problem whatsoever. You are correct. At the starter, there will be a larger wire direct from the battery which has 12v all the time. It will be a much heavier gauge wire and should be red in color. Avoid shorting that wire. In addition to that wire will be the yellow wire with a gray tracer. It will be smaller in size and will have 0v at all times other than when the key is fully in the start position.

If you find it does get 12v when the key is in the start position, the starter is the most likely problem and will need to be replaced.

Please let me know what you find or if there is anything I can help with. Don't feel sorry if you have questions. That's why I'm here. Also, if the starter needs to be replaced, I'll get you through that process as well.

Take care and I'll watch for your reply.

Joe
Was this
answer
helpful?
Yes
No
Sunday, December 26th, 2021 AT 9:26 PM
Tiny
SKOOTER24
  • MEMBER
  • 275 POSTS
Thank you again I'm waiting for it to act up again it's off and on but hopefully it will soon the other night I was trying to figure out the door problem with the other question I opened he asked to take video I kept at that for a while then it acted up so Christmas day as leaving it acted up so I thought it was the battery being dead but I checked the battery voltage before cranking it up then when I did crank it, it was 14 point something when I get it finally going and got home but before I got home I wiggled everything and the TIPM and tried jumping it nothing would get it going so finally all of a sudden it finally turns over its just been so aggravating cause I have to get my child to 3 counties over and I don't want to get stuck there so I appreciate everything you're doing helping me.
Was this
answer
helpful?
Yes
No
Sunday, December 26th, 2021 AT 10:21 PM
Tiny
JACOBANDNICKOLAS
  • MECHANIC
  • 110,194 POSTS
If it starts, you should be fine. It's the restarting that is a concern. I certainly don't want you to break down with your child, so we need to get this figured out.

Let me know when it happens. If I was there, it would be much easier, but that isn't possible.

Take care and let me know.

Be careful,

Joe
Was this
answer
helpful?
Yes
No
Sunday, December 26th, 2021 AT 11:21 PM
Tiny
SKOOTER24
  • MEMBER
  • 275 POSTS
When it happens again, I will message you back. Thanks again for everything.
Was this
answer
helpful?
Yes
No
Sunday, December 26th, 2021 AT 11:57 PM
Tiny
JACOBANDNICKOLAS
  • MECHANIC
  • 110,194 POSTS
Hi,

I understand. Please know that I'm here if something happens. At least I can try my best to help this way.

Take care and I wish you a Happy New Year!

Joe
Was this
answer
helpful?
Yes
No
Monday, December 27th, 2021 AT 2:41 PM

Please login or register to post a reply.