No electrical?

Tiny
HMAC300
  • MECHANIC
  • 48,601 POSTS
Shoot forgot to send picture. Sorry see picture as well.
Was this
answer
helpful?
Yes
No
Saturday, January 30th, 2021 AT 8:45 AM (Merged)
Tiny
SETNSAIL
  • MEMBER
  • 1 POST
  • 1994 CHEVROLET BLAZER
Lights all work fine in and out, but nothing happens when key is turned, wont start, no blinkers, radio, windows etc. I changed the ignition switch and nothing
Was this
answer
helpful?
Yes
No
Saturday, January 30th, 2021 AT 8:45 AM (Merged)
Tiny
RASMATAZ
  • MECHANIC
  • 75,992 POSTS
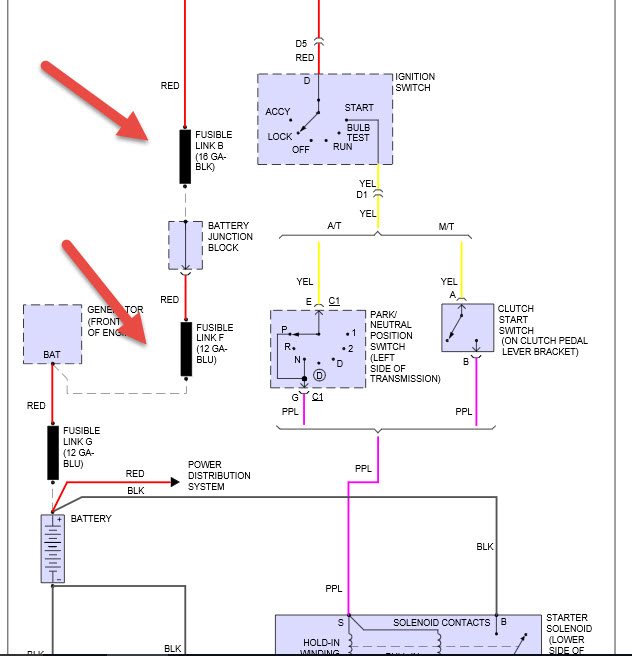
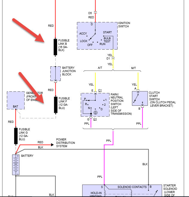
See fusible links below-test the red wire going into the ignition switch-nothing there check fusible link Blk /16 gauge


https://www.2carpros.com/forum/automotive_pictures/12900_fusible_link_1.jpg

Was this
answer
helpful?
Yes
No
+1
Saturday, January 30th, 2021 AT 8:45 AM (Merged)
Tiny
CHASE CLOUSER
  • MEMBER
  • 1 POST
  • 2001 CHEVROLET BLAZER
  • 4.3L
  • 6 CYL
  • 4WD
  • AUTOMATIC
  • 162,000 MILES
I can open the door and have interior light, put the key in the ignition turn to accessory and dash lights come on as do the headlights. But as soon as I go to turn the key to start everything goes dark, not even a click from the starter, and won't come back on when key is cycled it has to sit for a bit before the lights will come back on inside. I'm not even remotely good at wiring. That's why I'm here asking for some guidance. Oh yeah and battery is new it has 12.7 volts at the terminals.

Vehicle listed above is an zr2.
Was this
answer
helpful?
Yes
No
Monday, February 1st, 2021 AT 10:45 AM (Merged)
Tiny
JACOBANDNICKOLAS
  • MECHANIC
  • 110,192 POSTS
Hi,

It sounds like you have a weak connection at the battery. It could be a loose terminal or corroded. Take a look through this link and let me know if it helps:

https://www.2carpros.com/articles/everything-goes-dead-when-engine-is-cranked

Let me know.

Take care,
Joe
Was this
answer
helpful?
Yes
No
Monday, February 1st, 2021 AT 10:45 AM (Merged)

Please login or register to post a reply.