No start

Tiny
MARK87
  • MEMBER
  • 2014 CHEVROLET CRUZE
  • 1.4L
  • 4 CYL
  • 2WD
  • MANUAL
  • 15,000 MILES
The car listed above is an eco tec. It will not start. There are lights on dashboard, but the starter is not cranking. I noticed also car central lock with key not working.
Monday, June 13th, 2022 AT 7:17 PM

11 Replies

Tiny
KASEKENNY
  • MECHANIC
  • 18,907 POSTS
I doubt the key lock issue is related to the starter issue so let's start with the starter issue and then if that fixes the lock issue then that is great.

Let's check the voltage at the starter. You should have 12 volts on both wires when cranking the engine.

If you only have 12 volts on the B+ wire and not the yellow trigger wire, then we need to go to the relay and jump it and see if the starter turns over.

https://www.2carpros.com/articles/how-to-check-wiring

https://www.2carpros.com/articles/how-to-use-a-voltmeter

However, if you have 12 volts on both wires then the issue is in the starter, and we will need to replace it.

Let me know what you find with this, and we can go from there.

Thanks
Was this
answer
helpful?
Yes
No
Tuesday, June 14th, 2022 AT 8:11 AM
Tiny
MARK87
  • MEMBER
  • 61 POSTS
Put the scanner got 2 codes, P0300 random/multiple cylinder misfire and code P1682 driver 5 line 2. When the key is turn on ignition all the display on the dash comes on, but once you turn to start position, on the dashboard all display goes out, total black out. Check the fuses in the engine bay found #5 fuse to have blown replaced it but nil fix, other fuses was okay.
Was this
answer
helpful?
Yes
No
Tuesday, June 14th, 2022 AT 11:36 AM
Tiny
KASEKENNY
  • MECHANIC
  • 18,907 POSTS
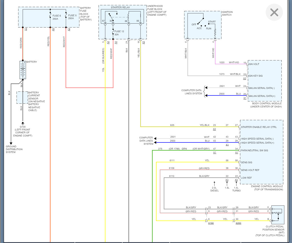
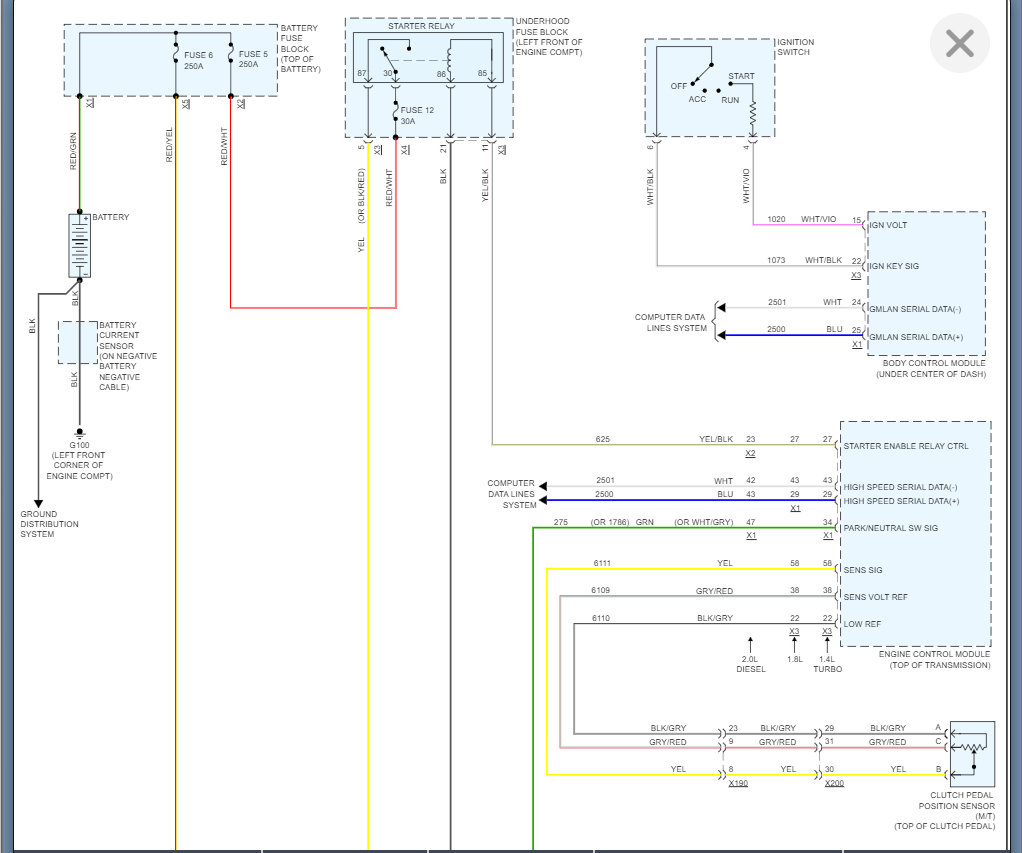
Okay. The P1682 is going to be the issue that we need to figure out.

I am attaching the testing that we are going to have to run through to figure out what is going on.

Please run through this and let me know what questions you have on this, and we can go from there.

Thanks
Was this
answer
helpful?
Yes
No
Tuesday, June 14th, 2022 AT 6:46 PM
Tiny
MARK87
  • MEMBER
  • 61 POSTS
I had a brand new battery installed guess what the car started, replaced the ignition coil pack, all looks good. Engine running fine, but I had check the battery which was on the car it was giving 12.46 volts. How many volts exactly should a good battery be giving?
Was this
answer
helpful?
Yes
No
Thursday, June 23rd, 2022 AT 3:07 AM
Tiny
KASEKENNY
  • MECHANIC
  • 18,907 POSTS
That is good news.

A battery will have about 12.6 volts but that doesn't prove that a battery is good or not as we care more about the amperage. A batter with 12 volts can still fail to start an engine if the cranking amperage is low. So, we need to load test a battery.

https://www.2carpros.com/articles/car-battery-load-test

So, if the battery fixed the issue, then I suspect the battery failed even if it had 12 volts.
Was this
answer
helpful?
Yes
No
Thursday, June 23rd, 2022 AT 7:43 AM
Tiny
MARK87
  • MEMBER
  • 61 POSTS
Owner says the battery more than 3 years old, but is there an amperage test that can be done with a multimeter on the battery?
Was this
answer
helpful?
Yes
No
Thursday, June 23rd, 2022 AT 10:10 AM
Tiny
KASEKENNY
  • MECHANIC
  • 18,907 POSTS
There are all sorts of people out there that say you cannot do it and some that say all you need to do is check the voltage.

The truth is we need to understand the relation between voltage and amperage. If you understand that the amperage is what is needed in order to sustain the load from the starter. Once we understand this then we can use the voltage readings when starting the engine to determine if there is enough amperage to pass a battery test.

So, the way to do this is hook up a meter to the battery and it needs to be above 12.4 volts. If it is with the engine off, then we need to press the min/max button on your meter and start the engine.

You need to use the min/max button because it will change so fast that you won't be able to watch it.

After the engine runs, you can shut the engine off and check the meter. You need to have the min reading be higher than 9.6 volts. If the starter pulls the battery down lower, then this means the cranking amps are too low.

Short of this, remove the battery and take it to a parts store that will do a load test on it. They are basically doing the same thing which is putting a low to it and measuring the amperage.
Was this
answer
helpful?
Yes
No
Thursday, June 23rd, 2022 AT 6:21 PM
Tiny
MARK87
  • MEMBER
  • 61 POSTS
But in the event that the engine does not crank is there an alternative test? Like my situation a had 12.46 volts, but once you start the car no crank at all just all the lights on dash flickers.
Was this
answer
helpful?
Yes
No
Thursday, June 23rd, 2022 AT 9:05 PM
Tiny
MARK87
  • MEMBER
  • 61 POSTS
In the event that you have a basic tools such a multimeter is there a way of measuring the amps? Or do you need a specific meter for amps measurements?
Was this
answer
helpful?
Yes
No
Thursday, June 23rd, 2022 AT 11:43 PM
Tiny
KASEKENNY
  • MECHANIC
  • 18,907 POSTS
Your meter would need an amp setting in order to measure the amperage. However, measuring the amperage does not tell you if the battery is properly charged. All you are doing is measuring the number of amps the component like the starter is drawing. So, you are measuring the amount of current that is leaving the battery to power the component and not measuring the available current within the battery.

This is why we can check and see if the battery can send the proper amount of current but that still does not tell us what the total capability of the battery is. Only a battery load test will tell us this.

So, if this engine will not even crank, we need to go back to my previous post and focus on the relay code that you have and not the battery at this point.

The battery may be faulty, but it sounds like the starter is not even being commanded on, so you need to run through the diagnostic testing for that code.
Was this
answer
helpful?
Yes
No
Friday, June 24th, 2022 AT 11:36 AM
Tiny
MARK87
  • MEMBER
  • 61 POSTS
Well understood, thanks again.
Was this
answer
helpful?
Yes
No
Friday, June 24th, 2022 AT 12:40 PM

Please login or register to post a reply.