Friday, March 12th, 2021 AT 12:30 PM
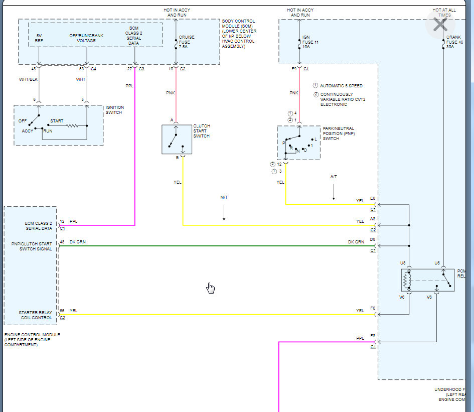
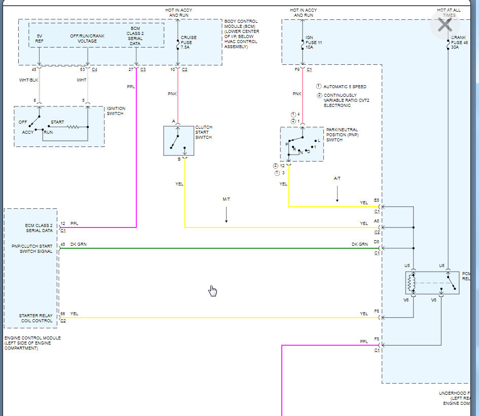
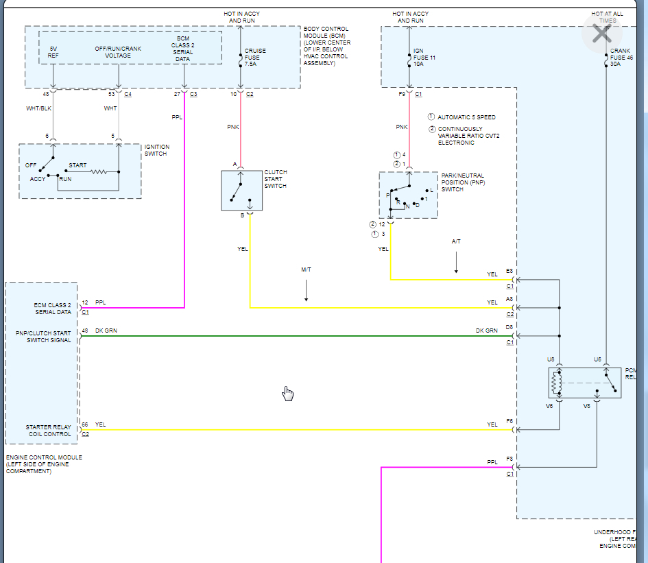
My son's car quit on him going down the road had a record bring it to my house I'm a mechanic my results come back they didn't need to start her brush kit installed so I fixed the starter starters good starter turns put it on the car no turn motor is not locked up I can turn it freely on the harmonic balancer when I turn the key on something under the dash is click click click click clicking



