No start

Tiny
ROND225
  • MEMBER
  • 2011 VOLKSWAGEN JETTA
  • 2.5L
  • 5 CYL
  • 2WD
  • AUTOMATIC
  • 158,770 MILES
When I push the start button once, the switch comes on. With foot on brake pedal, I press the switch again to start the vehicle, but the switch just cuts off.
Wednesday, April 13th, 2022 AT 1:35 PM

5 Replies

Tiny
JACOBANDNICKOLAS
  • MECHANIC
  • 110,194 POSTS
Hi,

When this happens, do you notice if all electrical components stop working temporarily? Also, are there any sounds from the starter?

Is there a reason you press the button twice? You should be able to apply the brake and press the start button once. Just curious.

If you notice other electrical failures when this happens, first check to make sure the battery terminals are tight and clean. If they are, perform a simple load test on the battery. Here is a link that explains how it's done:

https://www.2carpros.com/articles/car-battery-load-test

This is a starting point. Let me know what you find or if you have other questions.

Take care,

Joe

Was this
answer
helpful?
Yes
No
Wednesday, April 13th, 2022 AT 8:18 PM
Tiny
ROND225
  • MEMBER
  • 11 POSTS
Hello.

When I get in car, I press brake pedal and then press the start switch. I noticed it displays switch and that's why I thought I had to press the start button again. Could it be the starter relay? Also, all accessories work. I tested the battery in the car. It has 12.17v.
Was this
answer
helpful?
Yes
No
Thursday, April 14th, 2022 AT 6:53 AM
Tiny
JACOBANDNICKOLAS
  • MECHANIC
  • 110,194 POSTS
Hi,

It certainly could be a relay, fuse, park/neutral switch, or even the starter.

Try this first. See what happens if you place the vehicle in neutral. If that doesn't change anything, move to the next test.

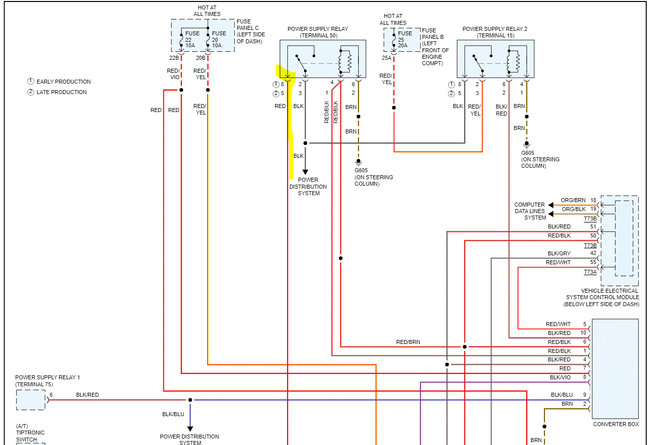
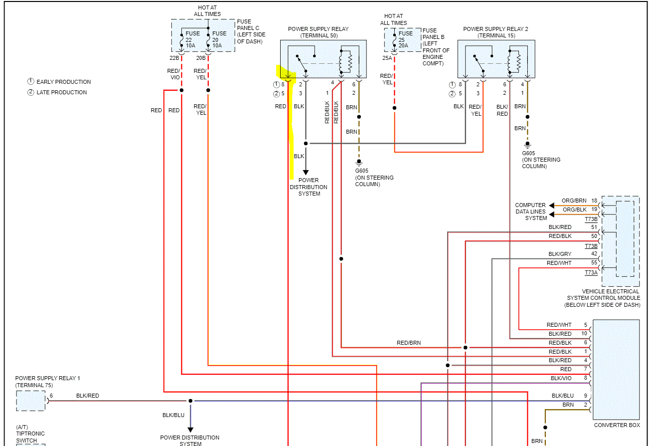
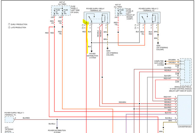
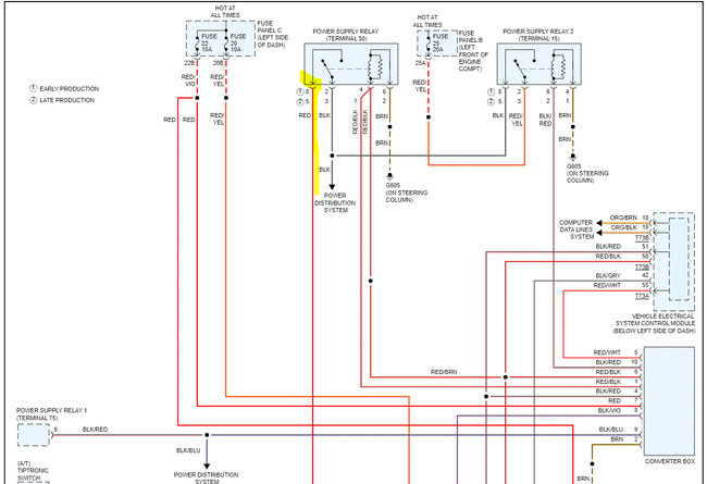
As far as the relay, it is referred to as the power supply relay on this vehicle. It is located in the vehicle. See pics 3 and 4 below. It is relay 13. If there is a different relay with the same part number, switch them to see if it changes. If there isn't, here is a link that shows how to test a relay:

https://www.2carpros.com/articles/how-to-check-an-electrical-relay-and-wiring-control-circuit

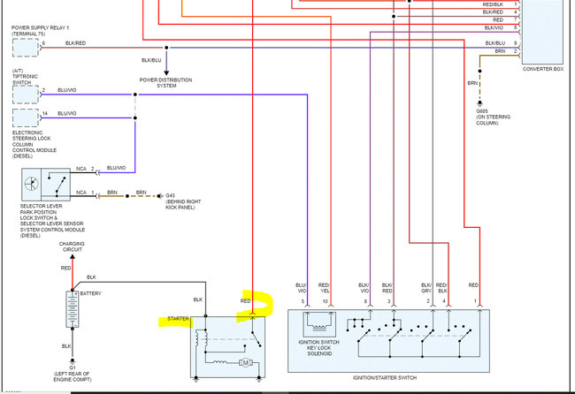
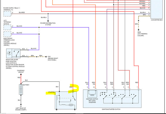
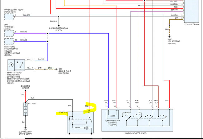
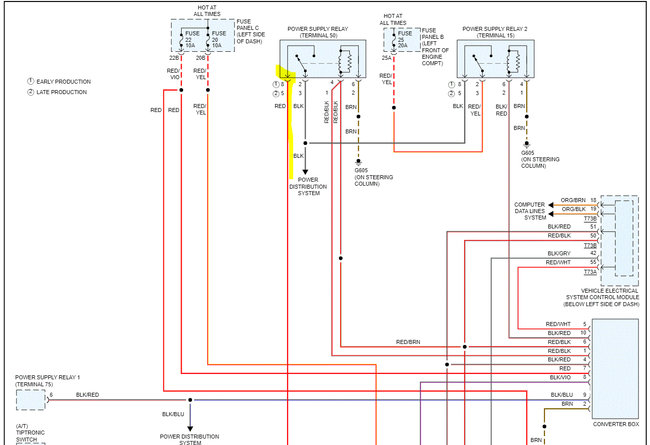
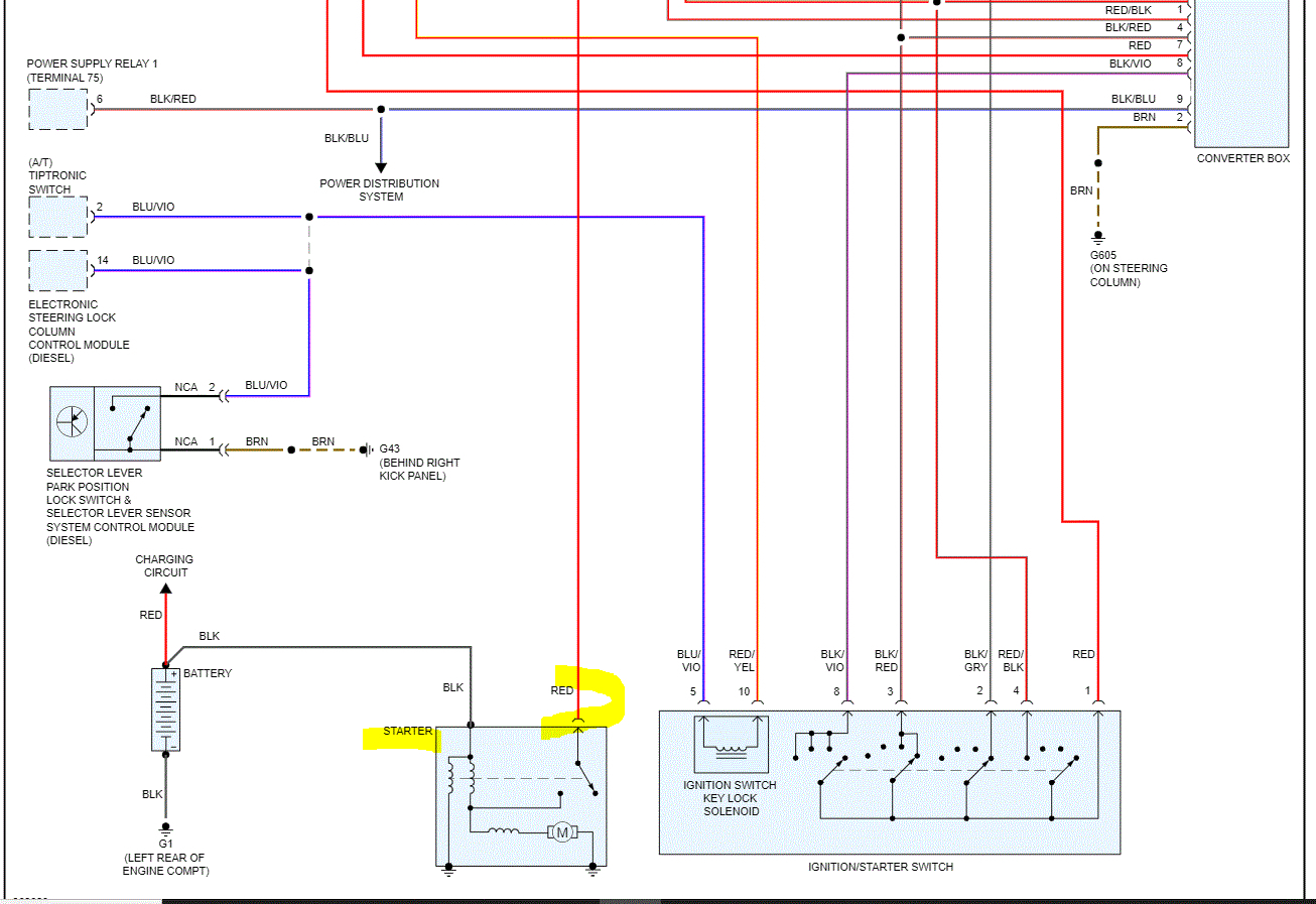
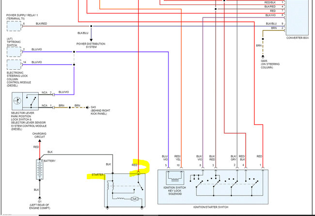
If the relay is good, here is what I need you to try. Locate the starter motor. Have a helper in the vehicle try starting the engine while you watch for power at the smaller red wire at the starter motor. I attached the schematic below. (Pics 1 and 2)

Here is a link you may find helpful:

https://www.2carpros.com/articles/starter-not-working-repair

Let me know what you find.

Joe

Was this
answer
helpful?
Yes
No
Thursday, April 14th, 2022 AT 1:03 PM
Tiny
ROND225
  • MEMBER
  • 11 POSTS
Since its a VW, I do not have a tester, or shall I say my relay testers are not compatible with German cars. I guess I can make some wires with terminals from the relay box to relay.
Was this
answer
helpful?
Yes
No
Thursday, April 14th, 2022 AT 2:39 PM
Tiny
JACOBANDNICKOLAS
  • MECHANIC
  • 110,194 POSTS
Hi,

I totally understand. Everything is a little different on these vehicles. You should be able to check for power at the starter motor with just a test light. As far as the relay, you can use a basic multimeter.

Let me know.

Joe
Was this
answer
helpful?
Yes
No
Thursday, April 14th, 2022 AT 7:26 PM

Please login or register to post a reply.