Saturday, March 19th, 2022 AT 6:40 PM
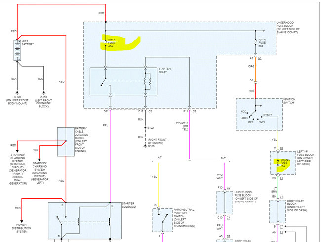
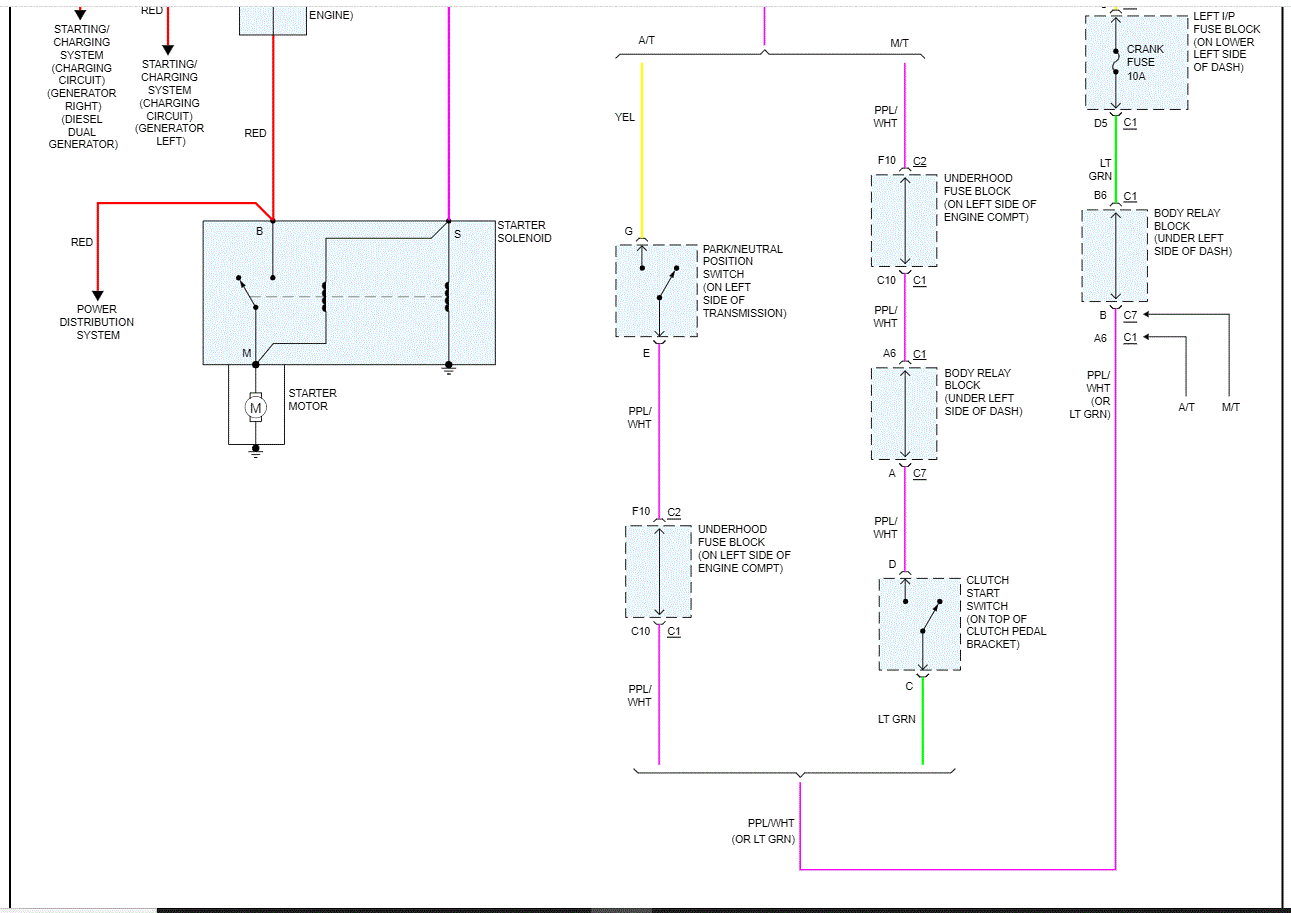
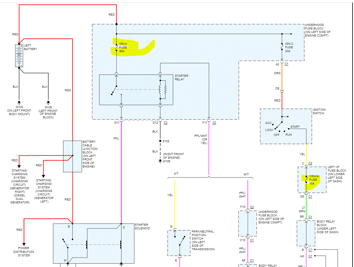
I have just got my transmission replaced at a shop, got the truck home and it will not start. The starter tested good, relay tested good, brand-new park neutral safety switch, and brand-new charged battery. The truck runs and drives fine but in order to start it you have to first turn key on and flip to start position then leave it on "on" position then open fuse box under hood go to starter relay underside of it is a yellow wire going into number 30 or 85 spot can't remember but send a positive signal to that wire from the battery and starts every time. I'm stuck unless there's a magical sensor or hidden switch I'm missing. Once it is started it's all good, everything works normally until you shut it off and turn it back on.





