No spark, no power to fuel pump

Tiny
BAFOON
  • MEMBER
  • 1988 DODGE DAKOTA
  • 3.9L
  • V6
  • 2WD
  • AUTOMATIC
  • 150,000 MILES
Working on a the vehicle listed above that doesn't have spark, fuel pump doesn't activate or have power to it. What I have done so far; replaced ECU (due to a hot spot on the board), tested ASD relay, and it checks out good. Jumped the coil and got it to kick on while priming carburetor. Checking wires for per to the coil I did get anything, nor at the pump when I have someone click the key on and off for me.
What I found today is connecting my test light to the hot terminal on the battery I get power on the positive lead to the coil. Is this a track the wire for a bad spot issue?
Tuesday, November 26th, 2019 AT 3:59 PM

6 Replies

Tiny
ASEMASTER6371
  • MECHANIC
  • 52,796 POSTS
Good evening,

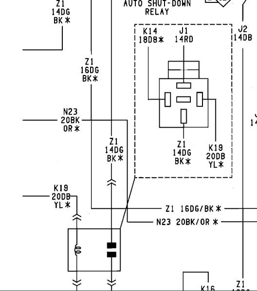
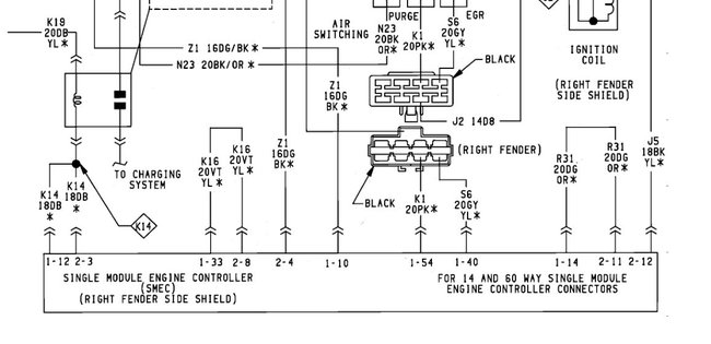
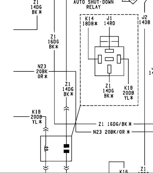
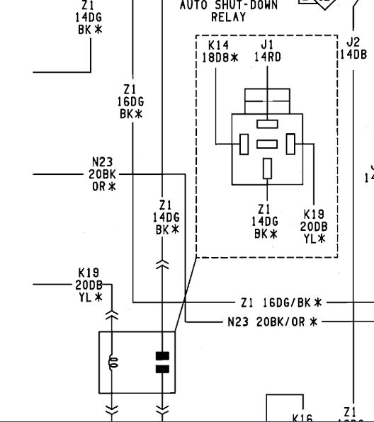
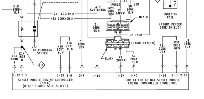
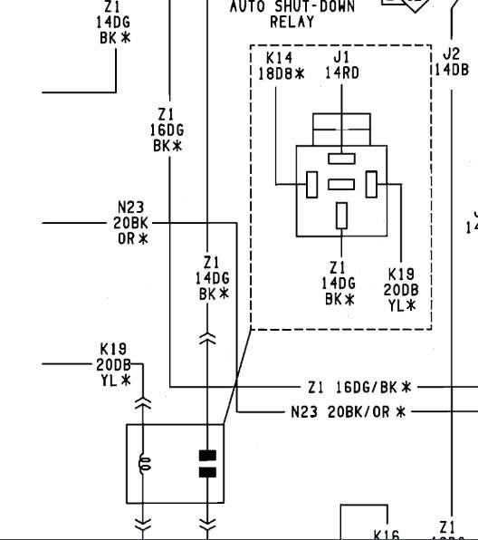
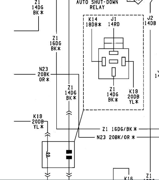
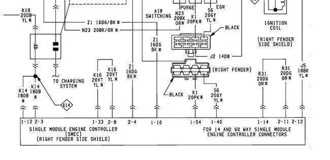
At the ASD relay, with the key on, you should have 2 wires with battery power.

The red and the dark blue/yellow. The SMEC grounds the relay and sends power out to the fuel pump. The dark green/black is the wire to the fuel pump.

Check those voltages.

https://www.2carpros.com/articles/how-to-check-an-electrical-relay-and-wiring-control-circuit

Roy
Was this
answer
helpful?
Yes
No
-1
Tuesday, November 26th, 2019 AT 4:19 PM
Tiny
KEN SULLINGER
  • MEMBER
  • 3 POSTS
No power to the green/black wire. Tested with multi-meter and test light. When test light is grounded I get nothing, but if I connect to positive terminal in battery I get power.
Was this
answer
helpful?
Yes
No
-1
Wednesday, November 27th, 2019 AT 9:22 AM
Tiny
ASEMASTER6371
  • MECHANIC
  • 52,796 POSTS
That is because the wire is grounded in the SMEC. That wire will be powered when the ASD relay energizes.

Did you verify power to the relay with the key on?

Roy
Was this
answer
helpful?
Yes
No
Wednesday, November 27th, 2019 AT 11:20 AM
Tiny
KEN SULLINGER
  • MEMBER
  • 3 POSTS
So I have spark now, actually got the truck to start and run for about 3 minutes. No it won't start again. And I found the green black wire corroded and grinding on the firewall. Clipped back the wire and she started up, after about 3 minutes sputtered then shut off. No power going to the fuel system but I'm still getting spark. I've swapped ECU and still the same.
Was this
answer
helpful?
Yes
No
Friday, November 29th, 2019 AT 4:47 PM
Tiny
KEN SULLINGER
  • MEMBER
  • 3 POSTS
Sorry correction, clipped the wire back to good wire then spliced back together.
Was this
answer
helpful?
Yes
No
-1
Friday, November 29th, 2019 AT 4:48 PM
Tiny
ASEMASTER6371
  • MECHANIC
  • 52,796 POSTS
What wire? Where? Can you post a picture for me?

Roy
Was this
answer
helpful?
Yes
No
Friday, November 29th, 2019 AT 4:52 PM

Please login or register to post a reply.