Tuesday, April 12th, 2022 AT 8:13 PM
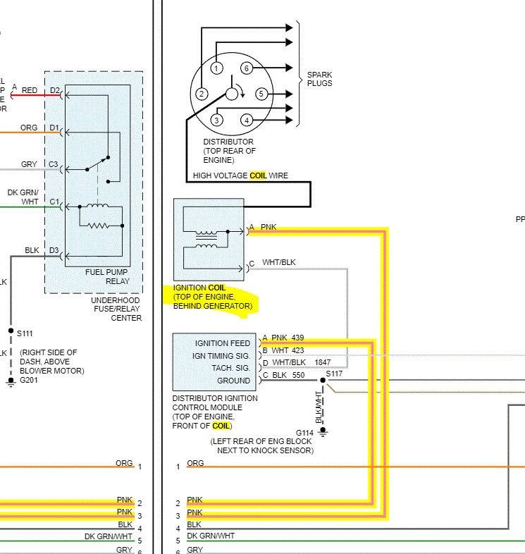
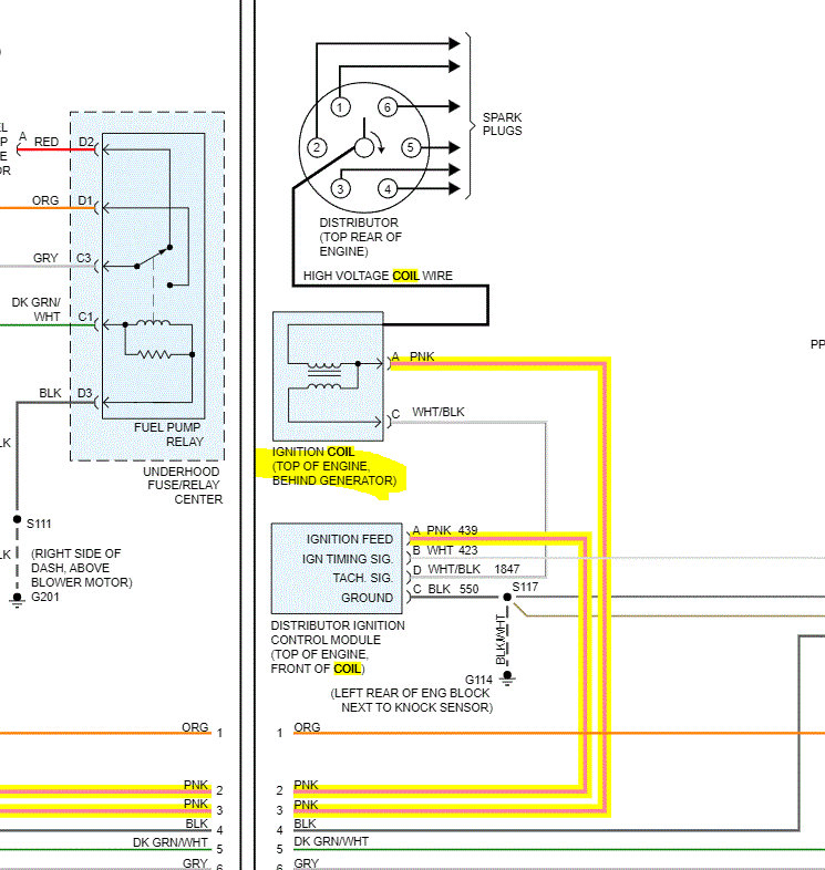
So, the previous owner hooked the battery up backwards, supposedly. The guy replaced a whole bunch of stuff distributor, coil, wires, bought a spare ECU, and crank position sensor. Yet no spark. Also, the radio clock won't turn off, and you can't turn on the radio, it just displays time even with the keys out of the ignition. When cranking I think I smell fuel. I do know the fuel pump primes I can hear it. But I'm at a loss, I don't think it's the pass lock system as the security light turns off. Any help is appreciated, thanks.


