No spark

Tiny
JEREMY L.
  • MEMBER
  • 1985 JEEP CJ7
  • 4.2L
  • 6 CYL
  • 4WD
  • MANUAL
  • 187,000 MILES
I have a fresh 4.2 motor that was just rebuilt. On initial start up- break in drive it a couple blocks and it shut off. I have no spark coming from coil! I’ve replaced ignition control mod, coil, p/up coil. Only thing I haven’t replaced is ignition switch. Got 12 volts going to coil until hooked to coil then voltage drops to 6.5 I made sure all ground wires were wire wheeled or sanded to bare metal for a good ground. Could it be ignition switch?
Sunday, July 7th, 2019 AT 4:28 PM

121 Replies

Tiny
KASEKENNY
  • MECHANIC
  • 18,907 POSTS
Hi Jeremy,

The 6.5 volts with the coil hooked up sounds normal. Here are the tests for the coil and the ignition switch. You need to do the coil one first then the ignition switch.

If both of these prove out, let me know the results and we can go from there. Thanks
Was this
answer
helpful?
Yes
No
+2
Sunday, July 7th, 2019 AT 5:31 PM
Tiny
JEREMY L.
  • MEMBER
  • 7 POSTS
In one test it says replace resistance wire what is a resistance wire?
Was this
answer
helpful?
Yes
No
Thursday, July 11th, 2019 AT 4:57 PM
Tiny
KASEKENNY
  • MECHANIC
  • 18,907 POSTS
Are you referring to step 7? This just means replace the wire that had the resistance higher than 1.4 ohms. So basically it was the wire that you were just testing. I guess it should say, "replace the wire with high resistance" and not "replace the resistance wire."
Was this
answer
helpful?
Yes
No
Thursday, July 11th, 2019 AT 5:46 PM
Tiny
JEREMY L.
  • MEMBER
  • 7 POSTS
When engine was put in a black wire with white tracer that has another black wire spliced into it that has a large flat washer type terminal on it got grounded to the block! Well come to find out it’s got 12 volts going to it and I don’t know where it goes! My manual shows it as a high altitude ground but I think when it was grounded it fried ICM and who knows what else! Like I already stated I’ve replaced pick-up coil, ignition coil, ICM, ignition switch! I ran all tests you gave me and got to the replacing the wire with resistance and was unclear on if I’m supposed to cut wire out of loom and run a new one or what!
Was this
answer
helpful?
Yes
No
Friday, July 12th, 2019 AT 3:16 PM
Tiny
JEREMY L.
  • MEMBER
  • 7 POSTS
Thanks for your help it is much appreciated!
Was this
answer
helpful?
Yes
No
Friday, July 12th, 2019 AT 3:56 PM
Tiny
KASEKENNY
  • MECHANIC
  • 18,907 POSTS
Yes. I would run a new wire. It is called an overlay. You don't actually need to cut the harness apart and remove the old wire. You just cut it at both ends (replace terminal ends if possible) and splice a new wire in its place. The old wire just remains in the harness but since it is dead at both ends it will not effect anything. Then you secure your new wire to the outside of the harness so it doesn't get damaged.

Let me know if this is not clear and I can try to find a video or something in more detail. Thanks
Was this
answer
helpful?
Yes
No
+1
Friday, July 12th, 2019 AT 7:33 PM
Tiny
J-ROD87
  • MEMBER
  • 4 POSTS
  • 1985 JEEP CJ7
  • 4 CYL
  • 4WD
  • MANUAL
  • 137,000 MILES
I was driving down the road and all of a sudden the jeep started bogging down then died. It is getting gas but no spark. I turn the key over and the coil will spark once but that is it and I have no spark out of the distributor. The coil and distributor pickup wheel gets its power from the Ignition Control Module so you think that could be the problem?
Was this
answer
helpful?
Yes
No
-1
Saturday, July 13th, 2019 AT 11:45 AM (Merged)
Tiny
CJ MEDEVAC
  • MECHANIC
  • 11,005 POSTS
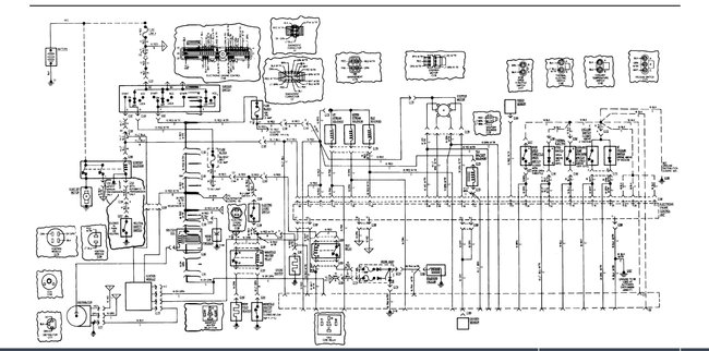
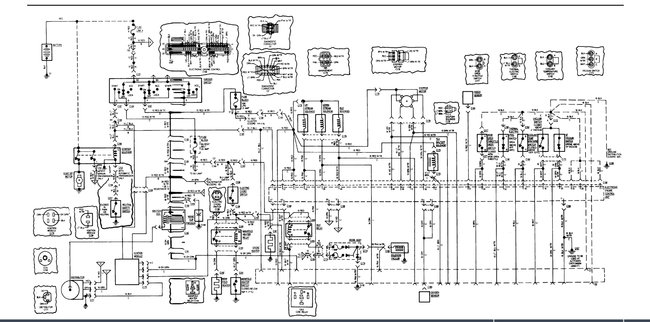
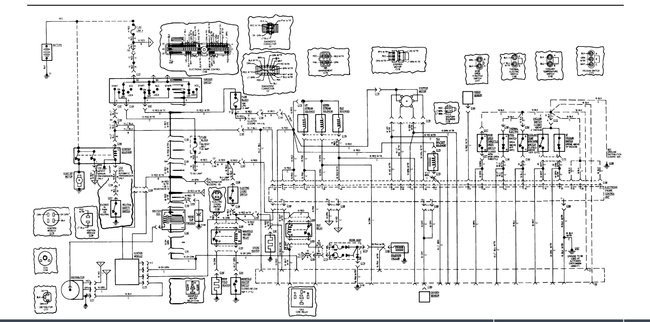
I was going to suggest the ignition module here is a the location on right hand side wheel well. Here is a wiring diagram for the ignitions system and a guide to help you test it below:

https://www.2carpros.com/articles/how-to-check-wiring

Check out the diagrams (below). Please let us know what happens.

Cheers
Was this
answer
helpful?
Yes
No
Saturday, July 13th, 2019 AT 11:45 AM (Merged)
Tiny
J-ROD87
  • MEMBER
  • 4 POSTS
I tested the wires coming out of the module and the wires leading into the coil and they all tested fine both ground and hot so it should be getting power and the three wires going into the distributor. Two grounds tested fine and so did power wire. Like I said the coil will spark once when turning over but that is it and that doesn't happen every time. So I am guessing either the module or coil. What do you think?
Was this
answer
helpful?
Yes
No
Saturday, July 13th, 2019 AT 11:45 AM (Merged)
Tiny
CJ MEDEVAC
  • MECHANIC
  • 11,005 POSTS
Nice try on the module!

Really needs to be tested on the machine at the auto parts store. It reads what's happening low and high RPM's. Probably other things too! Test it like I described before. If you return with a "Tested Good Once" Bad module. We will be chasing our tail forever, thinking its something else!

I got a "Spare" From the salvage yard, I keep it, a fuel pump and a coil in my console (You can see all of this, and a lot of my CJ modifications----Not sporty type but "user friendly things", I have done, in my Walmart Photo Sharing Albums). A module is about $30.00 or so.

The Electrical stuff was actually temporarily installed to insure it would work, when I need them (or in some cases, to help another CJer on the side of the road! Sometimes me, This is the only vehicles (6 CJ5s and 1 Willys since 1981), I drive as Primary transportation. I have learned valuable lessons!

I will "PM" (private message) you soon with details, You are unable until 10 posts, I can initiate to you, I have over 500.

Wish I were there, might go faster!

We still have other factors to test

Lets back up and do some stupid stuff, Give the carburetor a shot of starter fluid, or a dribble of gasoline, Heck, I've used Hairspray (from previous female encounters) to crank when I was away!

What results do you get there?

Now, pop the Distributor cap, "sternly" try to twist the rotor button, It will rock back and forth, normally.

We are trying to see if the Gear on the end is having issues (retaining pin twisted off, gears stripped, etc.). We want to see if it freewheels (moves more than it should), without breaking something!

I will send you some coil information, after you respond.

Your turn.

All results. We will get you fixed! I really do not like being without my Jeeps. As I know you are!

The Medic
Was this
answer
helpful?
Yes
No
Saturday, July 13th, 2019 AT 11:45 AM (Merged)
Tiny
J-ROD87
  • MEMBER
  • 4 POSTS
Ok I had the module tested 6 times and all passed so I bought one anyway and it worked something must be wrong with their machine. Thanks for your help. I love this site.
Was this
answer
helpful?
Yes
No
-1
Saturday, July 13th, 2019 AT 11:45 AM (Merged)
Tiny
BOB WADMAN
  • MEMBER
  • 1 POST
  • 1985 JEEP CJ7
  • 6 CYL
  • 4WD
  • MANUAL
  • 81,000 MILES
No spark while cranking? Have spark traveling through coil and distriguator with just ing. Swicth on, when unpluging and pluging in power to primary side of coil, but nothing while cranking engine. Ran fine before restoreration 3 months ago. Did remvove computer on defroster ducting never pull steering wheel.
Was this
answer
helpful?
Yes
No
Saturday, July 13th, 2019 AT 11:45 AM (Merged)
Tiny
CJ MEDEVAC
  • MECHANIC
  • 11,005 POSTS
See my profile,

Here to help, this is my hobby......see other CJ5 and CJ7 Posts I've answered

Something everybody overlooks......

The Ignition Module

Not sure about that year, but on an '83 its on the firewall left of the master cylinder, viewed from the front.

Do not try to disconnect it with a screwdriver, as Evil as this sounds, grab the wires firmly, on either side of the connector, and pull STRAIGHT APART.

Verify the color on the body, where the wires enter, it should be BLUE---Always replace with the same.

Take it to AUTOZONE or ADVANCE AUTO to be tested for FREE!........They do not see this one often, so it will take awhile, for them to hook it up!

INSIST on 5-7 tests, one after the other (warms it up)

If it fails, and you need a New one, TEST IT, BEFORE YOU LEAVE THE STORE!!!!!...............Don't even ask me why!!!!

If you need anything else, respond at THIS POST, I will be alerted.

You can see the extent I will help you by viewing this post and other answers of mine:

https://www.2carpros.com/forum/1985-jeep-cj7-stalls-when-hot-vt452051.html

If I have misunderstood your question let me know!

The more info, the better!

Respond with good news below,

Your Turn,

The Medic
Was this
answer
helpful?
Yes
No
Saturday, July 13th, 2019 AT 11:45 AM (Merged)
Tiny
CJ MEDEVAC
  • MECHANIC
  • 11,005 POSTS
Nice work, we are here to help, please use 2CarPros anytime.

Cheers
Was this
answer
helpful?
Yes
No
Saturday, July 13th, 2019 AT 11:45 AM (Merged)
Tiny
J-ROD87
  • MEMBER
  • 4 POSTS
Hy bud thanks for the info I got the jeep fixed. The ground wire that runs from the pickup wheel to the module was corroded and setting against body and trying to run through the wire through the body and then through to the module so it wasns getting full signal to the pickup wheel telling it to pulse. Thanks again.
Was this
answer
helpful?
Yes
No
Saturday, July 13th, 2019 AT 11:45 AM (Merged)
Tiny
CJ MEDEVAC
  • MECHANIC
  • 11,005 POSTS
WONDERFUL!

Glad you discovered it, I was running out of stuff to throw at you!

If you are interested in my modification Pics, Let me know in "PM"

The Medic
Was this
answer
helpful?
Yes
No
Saturday, July 13th, 2019 AT 11:45 AM (Merged)
Tiny
0H CANADA
  • MEMBER
  • 18 POSTS
OK, I took out my test light, put the wire on the Negative terminal of the battery, and tested my Red Ignition Coil harness contact with the key on; I got a solid red light on my wire tester. While trying to start the Jeep doing the same test, I got a solid red light again.

Then I put the wire on the Positive terminal of the battery, and tested my Green ignition Coil harness contact with the key on; I got a solid green light on my wire tester. While trying to start the Jeep doing the same test, I still got a solid green light. However, I believe I'm looking for a pulsing/flashing green light on my wire tester when trying to start and testing the green coil contact.

Question, If when my Jeep was working last month, I could pull the key out of the ignition while driving down the road, would that have any significance to the problem I'm having now? Or, given I have tilt steering, and use it to pull the wheel down into my lap each time I would drive, could a wire have snapped inside my column and be creating this problem?

I don't have a voltmeter. I did get your message, but didn't see any wiring diagrams, but will look again.

Aside from the above, I have changed the Ignition Module, Ignition Coil, Distributor, Rotor, and Pick-Up assembly in the base of the Distributor all since this happened early last month. No luck starting to the point I re-tested as stated above.

Specs: 1986 Jeep CJ7, stock. No modifications; 258 Cu. In, 4.2 L, In-Line 6, 5 speed Manual.

Question, If when my Jeep was working last month, I could pull the key out of the ignition while driving down the road, would that have any significance to the problem I'm having now? Or, given I have tilt steering, and use it to pull the wheel down into my lap each time I would drive, could a wire have snapped inside my column and be creating this problem?
Was this
answer
helpful?
Yes
No
Saturday, July 13th, 2019 AT 11:45 AM (Merged)
Tiny
CJ MEDEVAC
  • MECHANIC
  • 11,005 POSTS
Key problem, is one of those things!!!

guess because it's one of those chevy things, adopted by amc....the alternator was also adopted, but i like it better than the ford system w/ an external regulator.

sometimes it's just the key, usually the teeth are worn off due to excess heavy baggage hanging on your key ring.

if you have another key try it, then have another made!

i've replaced many cylinders over the years...a key (that will turn, is required to do so......i can run you thru it, if you want...it's a bit involved.

most major problems with the loose key is, out of habit, cranking and going without it........all fine and dandy, until you are a hundred miles out, turn off the switch......and accidentally lock the steering...you remember your keys are on the nightstand.......don't even ask!!!

as for ignition, none of it......is in the column....the actual ignition switch is on top of it, on the other side of the dash.....it's a pain to get to, as the column will not drop....like in a truck. the key simply actuates a rod....which moves the switch.....before you attempt to change it, let's rule out ezer stuff!

i made pics of a ford f-100 truck, that i replaced the ign switch in, just so you jeep fellers, could see how it works...cause you just about gotta chang a cj switch by "feel".......note the "l" shaped in on the rod, and the elongated holes, in which you slide the switch, to "calibrate" it to the key positions. see this link

https://www.2carpros.com/questions/1989-ford-f-250-remove-ignition

how about "your story" complete....leave nothing out....all i can go on at present....is the other guy's story

then i'll try to talk your thru the checks...in an order, to make you fix go fast....... concur???

this is your 1st 2 tests....take 3 soft drink bottle tops, fill 'em gas....i said "tops" (caps!) dump 'em in the carb....tell me your jeep's reaction to this.....turns over and over?....or spits, like it wants to start???

next pull a spark plug, ground it to the engine, turn it over....is it sparking?

i really need answers to "all of my questions"....help me out now!

can you get an inexpensive "digital voltmeter" at an auto parts store..$5-$20.....i have pics on how to test your jeep with it....it would be cheaper than "throwing parts" at the unknown!!!

the medic
Was this
answer
helpful?
Yes
No
Saturday, July 13th, 2019 AT 11:45 AM (Merged)
Tiny
OZZIE62G
  • MEMBER
  • 30 POSTS
  • 1976 JEEP CJ7
  • 3.8L
  • 6 CYL
  • 4WD
  • MANUAL
  • 600 MILES
Hi I'm In the last stage of a 3year restoration of my 1976 Jeep CJ7 frame off. The PO had spent over 9k on power tran, I drove the jeep prior to dismantling it it ran great. I have almost everything back on all newly painted, and just a foot note the ground is correct. I have ground cables from Eng to frame Eng to fenders all sanded down metal to metal. I know how important ground is to a jeep lol.

Now for the problem, I have my new wiring kit installed from Painless my Eng turns over put now Spark from coil to distributor. If you take the coil wire that runs from coil to Dis cap there is sprak from the coil but not going in to the Cap
Was this
answer
helpful?
Yes
No
-1
Saturday, July 13th, 2019 AT 11:45 AM (Merged)
Tiny
0H CANADA
  • MEMBER
  • 18 POSTS
I have a 1986 Jeep CJ7; 258 cu. In, 4.2 L, 5 Speed manual, no modifications.

To date I have replaced the Ignition Module, the Distributor, the Rotor, the Ignition Coil, and even the pick-up assembly on the Distributor base. I removed wiring from the harnesses to look for breaks, but found none. Found a lot of splices taped w/Duct tape (Factory? I've had Jeep since new), and re-taped splices with electrical tape.
Before and after changing the above stuff I have removed a plug, grounded it and got no spark. (My Chilton’s Manual said not to test using Spark Plug #1, because it could damage the sensor inside the distributor, and I believe early on I may have. Could this have complicated maters?) I have also taken a test plug, put in the coil wire, and grounded it. The plug sparked once and that was it. That is why I'm chasing this J-Rod87; 1985 Jeep CJ7 No Spark thread; same symptoms, was hoping to find a broken wire.

I also took out my test light, put the wire on the Negative terminal of the battery, and tested my Red Ignition Coil harness contact with the key on; I got a solid red light on my wire tester. While trying to start the Jeep doing the same test, I got a solid red light again.

Then I put the wire on the Positive terminal of the battery, and tested my Green Ignition Coil harness contact with the key on; I got a solid green light on my wire tester. While trying to start the Jeep doing the same test, I still got a solid green light. However, I believe I'm looking for a pulsing/flashing green light on my wire tester when trying to start and testing the green coil contact.

Out of curiosity, could it be:
1) the computer under the dash; another thread suggested this;
2) burnt/compromised wires at one of the splices; on the single wire coming out of a splice, the wire is a little bumpy. In other words, could the insulation be intact and bumpy, but the wire beneath be pooched?
3) a relay; there are two 20/30A relays at the end of the wiring harnesses;
4) ignition switch; I have replaced a few years back, but not for this reason;
5) heavy gauge wire going from solenoid to starter;
6) anything else. I have looked for a fusible link, but can't find one anywhere. And I don't seem to have a fuse in the fuse panel under my dash that I could pull.
7) You've already said it is not caused by the Key Cylinder.

I realize you want me to do some tests, and I have done the above tests already, but I'm just curious how far this lack of ignition problem reaches, or what it implicates.

I will go do the 3 "bottle top" gas test, and get back to you. I will look to get a Voltmeter.
Was this
answer
helpful?
Yes
No
Saturday, July 13th, 2019 AT 11:45 AM (Merged)

Please login or register to post a reply.