No spark

Tiny
JACCAMMO
  • MEMBER
  • 2000 DODGE RAM
  • 5.9L
  • V8
  • 4WD
  • AUTOMATIC
  • 225,000 MILES
Would the wiring on the transmission have anything to do with the spark?
Wednesday, December 1st, 2021 AT 7:42 PM

1 Reply

Tiny
JACOBANDNICKOLAS
  • MECHANIC
  • 110,192 POSTS
Hi,

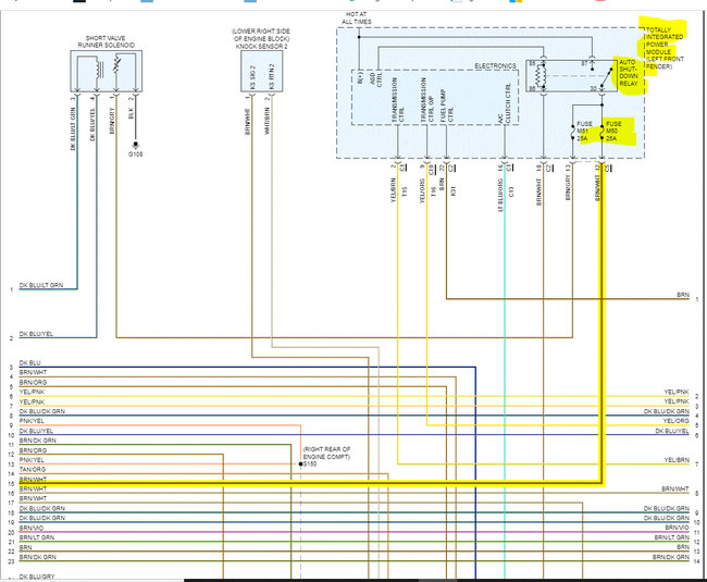
I don't feel the transmission wiring would be an issue. However, there are a few things to check. First, fuse M50 in the under-hood power distribution box provides power to all coils and injectors. However, for power to be sent, the ASD (auto shut down) needs to be actuated.

So, the easiest place to start is the fuse. Check to see if it is good. Additionally, check to see if there is power to it when the ASD is actuated. When you check for power, have a test light connected and a helper turn the key from off to run. The relay will only power for a short time if the engine doesn't start.

If there is no power, switch the ASD relay with a different one in the box having the same part number and see if that makes a difference.

If you find there is power, go to the ignition coils. They are all provided power via the brown wire with a white tracer from fuse M50. There are a few splices that can cause issues. Check for power the same way.

The ground to actuate each coil at a specific time is provided via the PCM. So, that would be the next check. Make sure the connector or wiring isn't damaged at the PCM.

I attached the entire powertrain management schematic below and highlighted the wiring I'm referring to. There are 5 pages of schematics. I had to cut each one in half to make it readable for you. I did overlap them and as mentioned, highlighted the wiring involved.

Here is a link you may find helpful:

https://www.2carpros.com/articles/how-to-check-wiring

Let me know if this helps or if you have questions. Also, let me know the outcome.

Take care,

Joe

See pics below. Note: The last pic shows the location of fuse 50 and the ASD relay.

Was this
answer
helpful?
Yes
No
Wednesday, December 1st, 2021 AT 9:07 PM

Please login or register to post a reply.