No spark

Tiny
DAMAN2020
  • MEMBER
  • 2002 HONDA ACCORD
  • 2.3L
  • 4 CYL
  • 2WD
  • MANUAL
  • 18,765 MILES
Did an engine swap, and had this car running yesterday. This morning I swapped the throttle body with TPS and the IAC. Now I have no spark. I have tested everything. Battery connections, both fuses, key on, I have battery power at the ICM, coil. Replaced the distributor and the ECU. Still no spark. Im testing at the tip of the coil with a jumper wire connected directly to the negative terminal. Another jumper wire to the starter so I can crank the engine with key on, while watching it.
Monday, July 26th, 2021 AT 9:50 AM

11 Replies

Tiny
JACOBANDNICKOLAS
  • MECHANIC
  • 110,194 POSTS
Hi,

By any chance, have you scanned for diagnostic codes?

Also, I'm questioning the ICM in the distributor. If it is working, you should be able to crank the engine and the tachometer should move a bit or you can use a live data scan tool to check for an RPM signal.

Check that first. If there is no signal, follow the attached diagnostics and let me know what you find.

Here is a link you may find helpful:

https://www.2carpros.com/articles/how-to-check-wiring

Let me know.

Take care,

Joe

See pics below.
Was this
answer
helpful?
Yes
No
+1
Monday, July 26th, 2021 AT 7:37 PM
Tiny
DAMAN2020
  • MEMBER
  • 43 POSTS
The tachometer did not move, so I replaced the ICM with one that I know works. Still no spark. Did a voltage test at the injector connection and it had battery voltage on one side and 4v on the other. Not cranking, just key on.
Was this
answer
helpful?
Yes
No
Tuesday, July 27th, 2021 AT 6:29 PM
Tiny
DAMAN2020
  • MEMBER
  • 43 POSTS
Yel/gr from ICM to ECU CONTINUITY TEST, PASS. Yel/gr to ground, no buzzing but I did get some numbers. 1493 I think.
Was this
answer
helpful?
Yes
No
Tuesday, July 27th, 2021 AT 7:03 PM
Tiny
JACOBANDNICKOLAS
  • MECHANIC
  • 110,194 POSTS
Is there continuity on the yellow/green wire between the ICM and PCM? Also, have you checked the coil itself?

If you haven't, I attached directions below for testing the coil.

Let me know.

Joe
Was this
answer
helpful?
Yes
No
+1
Tuesday, July 27th, 2021 AT 7:49 PM
Tiny
DAMAN2020
  • MEMBER
  • 43 POSTS
I have put a brand new coil in and that did not correct the problem, so I returned it. I will conduct the ohms test as soon as I get to the shop. What are the chances of a new coil out of the box being defective? It happens.
Was this
answer
helpful?
Yes
No
Wednesday, July 28th, 2021 AT 5:36 AM
Tiny
DAMAN2020
  • MEMBER
  • 43 POSTS
Well, everything checks out okay. Let's talk about the crank position sensor. It is a 4 prong connector dual head system. Meaning 2 prongs for each. I can get a reading on one head unit but not on the other. They are not grounded because they create their own voltage, correct?
Was this
answer
helpful?
Yes
No
Wednesday, July 28th, 2021 AT 2:39 PM
Tiny
JACOBANDNICKOLAS
  • MECHANIC
  • 110,194 POSTS
Hi,

As far as the coil, absolutely it could have been bad. We are getting so many bad "new" parts. Did you check if there was power to it when the key was in the run position?

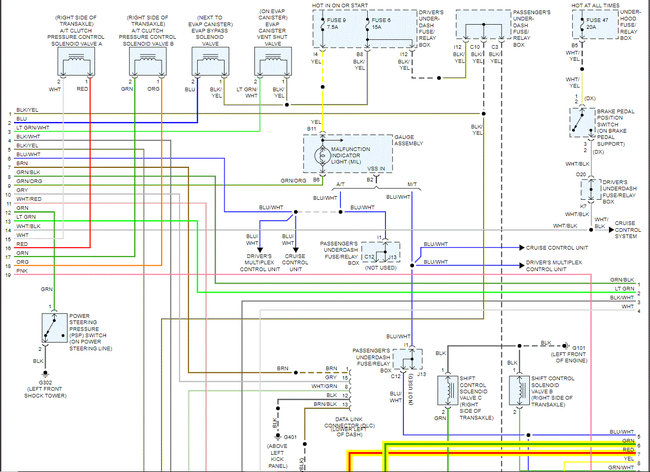
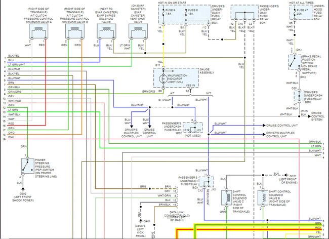
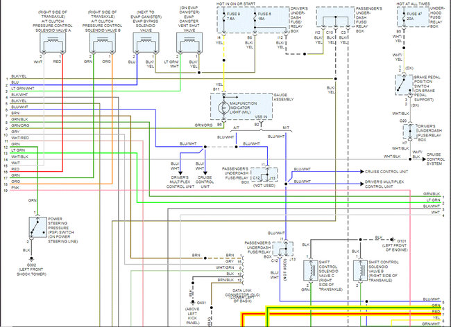
I attached the entire wiring schematic below for the powertrain management system. I highlighted all wires for the CKP/TDC sensor.

The CKP sensor determines fuel injection timing and ignition timing for each cylinder and also detects engine speed. The TDC sensor determines ignition timing at start-up and when the crankshaft position signal is abnormal.

Take a look through the schematics below. I noticed there is no indication of ground. Usually, there is a low reference that functions as a ground, but it's not showing that.

Do me a favor. Remove the distributor cap and confirm there is power to the positive side of the coil with the key in the run position. Next, check if the coil is providing spark. If it does, then there is a problem either with the cap and rotor or the rotor isn't turning.

If there is no spark from the coil, I want you to take a test light and provide a good ground on the one end and place the light on the negative side of the coil and have someone crank the engine for you. Your test light should flash if the ignitor is good.

If the test light doesn't blink/flash, the ignitor is bad and needs to be replaced. If it does flash and we have no spark from the coil, the coil is bad.

Try this and let me know what you find or if you have other questions.

Take care,

Joe

See pics below. Note: I had to cut each pic in half to make them readable for you. I did overlap them so you can follow from one to the next.
Was this
answer
helpful?
Yes
No
+1
Wednesday, July 28th, 2021 AT 8:06 PM
Tiny
DAMAN2020
  • MEMBER
  • 43 POSTS
I greatly appreciate the images. As mentioned in the beginning this was an engine swap from a wrecked honda that was driving when hit. So I have 2 or three of everything. Now for the latest development. I've pulled all 4 spark plugs out, connected them to their wire and stood them on the heat shield. With key on and a jumper wire to the starter, I can touch it to the positive side of the battery and I get one spark. Each time I hit the battery one spark after that the engine is just spinning. Any suggestions on that?
Was this
answer
helpful?
Yes
No
Thursday, July 29th, 2021 AT 1:31 AM
Tiny
JACOBANDNICKOLAS
  • MECHANIC
  • 110,194 POSTS
That sounds like it could be related to the ignitor. By chance, did you try what I suggested for testing?

Joe
Was this
answer
helpful?
Yes
No
Thursday, July 29th, 2021 AT 1:18 PM
Tiny
DAMAN2020
  • MEMBER
  • 43 POSTS
All sparks now, I found a missing ground wire thanks to the schematics. Never underestimate the importance of a ground.
Was this
answer
helpful?
Yes
No
Thursday, July 29th, 2021 AT 4:39 PM
Tiny
JACOBANDNICKOLAS
  • MECHANIC
  • 110,194 POSTS
Hi,

Excellent! I'm glad you found it. Also, I couldn't agree more. A weak ground is always a problem.

Regardless, I'm glad you got it working. Please feel free to come back anytime in the future if you have questions. You're always welcome here.

Take care,

Joe
Was this
answer
helpful?
Yes
No
Thursday, July 29th, 2021 AT 7:39 PM

Please login or register to post a reply.