Intermittently cold air will blow for a few minutes?

Tiny
BKAEMPFE1989
  • MEMBER
  • 36 POSTS
2005 V6 4.3L single cab silverado 102, xxx miles and Idk what kind of compressor it is
Was this
answer
helpful?
Yes
No
Friday, April 30th, 2021 AT 1:26 PM (Merged)
Tiny
SATURNTECH9
  • MECHANIC
  • 30,869 POSTS
If you read the part description on rock auto it shows two different parts one for a denso compressor and one for another compressor. See if it says denso on the compressor or something else. Also if you click on the part number at rock auto it will tell you all the vechiles the part fits. So that way if you went to pick apart to find it you would know where to look. It fits a pretty wide range of vechiles.
Was this
answer
helpful?
Yes
No
Friday, April 30th, 2021 AT 1:26 PM (Merged)
Tiny
BKAEMPFE1989
  • MEMBER
  • 36 POSTS
OK I will check that out and let you know also I have another question my oil gauge is supposed to be at about 60psi I guess I have good compression but the needle sits right under 40 and goes up to 60 when I'm on the gas and my speedometer will just suddenly quit working also I heard maybe the oil sending unit for my oil pressure probably do you have any ideas on the two
Was this
answer
helpful?
Yes
No
Friday, April 30th, 2021 AT 1:26 PM (Merged)
Tiny
BKAEMPFE1989
  • MEMBER
  • 36 POSTS
I looked and didn't see denso on it anywhere or any other words part number for four seasons was 77348 and AC delco was 1521130
Was this
answer
helpful?
Yes
No
Friday, April 30th, 2021 AT 1:26 PM (Merged)
Tiny
SATURNTECH9
  • MECHANIC
  • 30,869 POSTS
Heres your oil pressure spec at 1,000rpms min 6psi at 2,000 rpms 18psi min and at 4,000rpms 24psi min. As far as the speedometer have the computer scanned for codes let me know the exact code numbers you have not code descriptions.
Was this
answer
helpful?
Yes
No
Friday, April 30th, 2021 AT 1:26 PM (Merged)
Tiny
BKAEMPFE1989
  • MEMBER
  • 36 POSTS
The oil itsnt supposed to be at 60 on the gauge at all times and it doest drop all the way to zero when truck is off and there are no codes on the truck
Was this
answer
helpful?
Yes
No
Friday, April 30th, 2021 AT 1:26 PM (Merged)
Tiny
SATURNTECH9
  • MECHANIC
  • 30,869 POSTS
So you figured out which clutch it is?
Was this
answer
helpful?
Yes
No
Friday, April 30th, 2021 AT 1:26 PM (Merged)
Tiny
SATURNTECH9
  • MECHANIC
  • 30,869 POSTS
When the gauge wont drop to 0 unplug the oil sending unit does it drop to zero then?
Was this
answer
helpful?
Yes
No
Friday, April 30th, 2021 AT 1:26 PM (Merged)
Tiny
BKAEMPFE1989
  • MEMBER
  • 36 POSTS
I found right compressor but it didn't say denso or anything else on it when I checked part description
Was this
answer
helpful?
Yes
No
Friday, April 30th, 2021 AT 1:26 PM (Merged)
Tiny
BKAEMPFE1989
  • MEMBER
  • 36 POSTS
OK I will try that do you know where the unit is or should I YouTube it
Was this
answer
helpful?
Yes
No
Friday, April 30th, 2021 AT 1:26 PM (Merged)
Tiny
SATURNTECH9
  • MECHANIC
  • 30,869 POSTS
Oh so the pic matched yours?
Was this
answer
helpful?
Yes
No
Friday, April 30th, 2021 AT 1:26 PM (Merged)
Tiny
SATURNTECH9
  • MECHANIC
  • 30,869 POSTS
Left rear of engine you can look up what it looks like at rock auto.
Was this
answer
helpful?
Yes
No
Friday, April 30th, 2021 AT 1:26 PM (Merged)
Tiny
BKAEMPFE1989
  • MEMBER
  • 36 POSTS
Yes it looked correct I am just gonna get the clutch and it did look the same and the compressors it showed looked the same too I'm pretty sure I have the right one at least sure enough to purchase it
Was this
answer
helpful?
Yes
No
Friday, April 30th, 2021 AT 1:26 PM (Merged)
Tiny
SATURNTECH9
  • MECHANIC
  • 30,869 POSTS
You might as well get a clutch at pic a part I would those clutches arent cheap new.
Was this
answer
helpful?
Yes
No
Friday, April 30th, 2021 AT 1:26 PM (Merged)
Tiny
BKAEMPFE1989
  • MEMBER
  • 36 POSTS
OK I will check it out and get back to you. Any ides on speedometer I was thinking maybe the sensor on the outside of the trans or maybe bad sending unit but not for sure
Was this
answer
helpful?
Yes
No
Friday, April 30th, 2021 AT 1:26 PM (Merged)
Tiny
SATURNTECH9
  • MECHANIC
  • 30,869 POSTS
Most likely the output speed sensor or the wires or connections going to it. As far as the oil pressure if the pressure goes down after its shut off after unhooking the sending unit with the key in the run position then bad sender.
Was this
answer
helpful?
Yes
No
Friday, April 30th, 2021 AT 1:26 PM (Merged)
Tiny
ELIZABETH SUE BUSH
  • MEMBER
  • 1 POST
  • 2004 CHEVROLET SILVERADO
  • 5.3L
  • V8
  • 4WD
  • AUTOMATIC
  • 160,000 MILES
I can jump my AC over at the relay and it works put relay back in will not work.
Was this
answer
helpful?
Yes
No
Friday, April 30th, 2021 AT 4:29 PM (Merged)
Tiny
ASEMASTER6371
  • MECHANIC
  • 52,796 POSTS
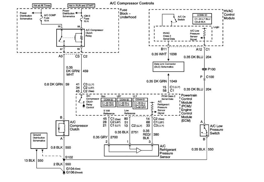
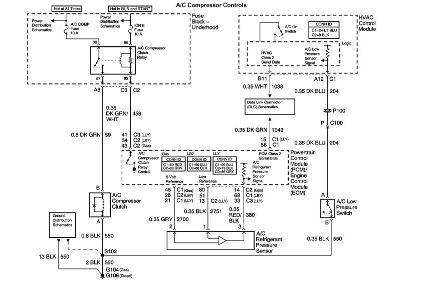
Good afternoon.

Did you check for two powers to the relay?

You have a control side and a load side. If you jumped the relay at 30 and 87, that is the load side.

The PCM grounds the control side to turn on the compressor based on inputs from the pressure switches.

Did you verify Freon pressures?

I attached a wiring diagram for you to view. Check the fuses listed for power on both sides with a test light.

Check for power to the low-pressure switch as well. The high-pressure switch is a 5 volt sensor. Verify power to that sensor with a voltmeter.

https://www.2carpros.com/articles/car-air-conditioner-not-working-or-is-weak

Roy
Was this
answer
helpful?
Yes
No
Friday, April 30th, 2021 AT 4:29 PM (Merged)

Please login or register to post a reply.

Related Air Conditioner Not Working Content