No power when I turn the ignition

Tiny
TAMETTE
  • MEMBER
  • 2001 DODGE CARAVAN
  • 3.3L
  • 6 CYL
  • 2WD
  • AUTOMATIC
  • 180,000 MILES
When I tried to start my listed above van Sport yesterday morning, nothing was left on overnight and the key wasn't even left in it, but the battery was completely drained. The battery is only 2 months old. I've charged the battery, checked the power to fuse box and power to starter which all seem good but when I turn the ignition it still does absolutely nothing. Any ideas? Please
Wednesday, May 25th, 2022 AT 3:43 PM

3 Replies

Tiny
JACOBANDNICKOLAS
  • MECHANIC
  • 110,192 POSTS
Hi,

Did the battery drain again overnight after being recharged?

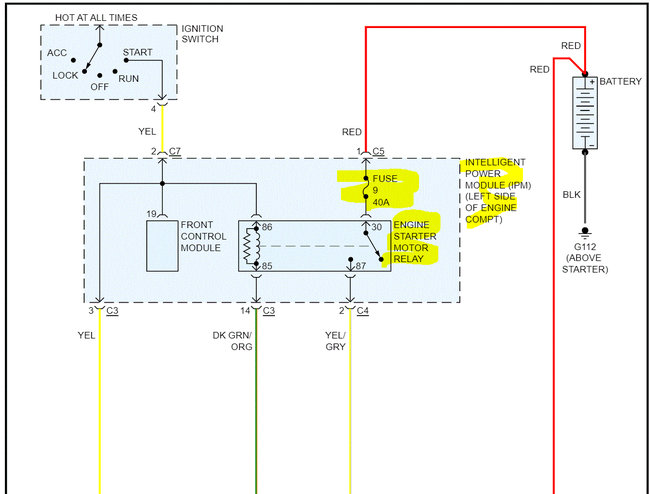
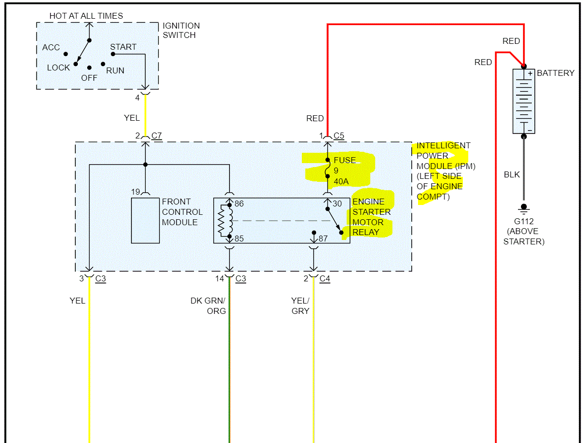
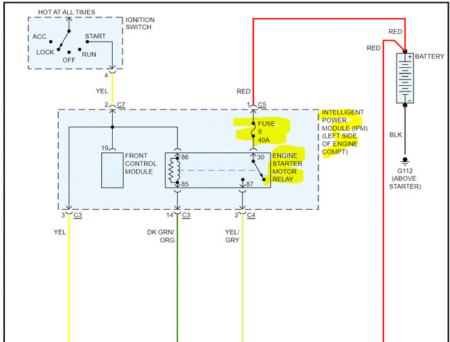
As far as the starter, check to make sure fuse 9 in the power distribution box under the hood is good. Additionally, confirm there is power to and from it. Here is a link you may find helpful:

https://www.2carpros.com/articles/how-to-check-a-car-fuse

If it is good, then I need you to check the starter relay. Switch it with a different relay having the same part number. If there isn't one, here is a link that explains how to check.

https://www.2carpros.com/articles/how-to-check-an-electrical-relay-and-wiring-control-circuit

If the relay checks good, have a helper turn the key to the start position while you check for power at the yellow wire with a red tracer on the starter. It will be the smaller wire. If there is power, replace the starter. Note: That wire will only have 12v with the key in the start position. The larger wire will have power at all times.

I attached the wiring schematic below for your review.

Let me know what you find or if you have questions.

Take care,

Joe

See pics below.
Was this
answer
helpful?
Yes
No
Wednesday, May 25th, 2022 AT 8:34 PM
Tiny
TAMETTE
  • MEMBER
  • 2 POSTS
Thanks for the tips Joe, I will try all of that and let you know.
Was this
answer
helpful?
Yes
No
Friday, May 27th, 2022 AT 2:41 PM
Tiny
JACOBANDNICKOLAS
  • MECHANIC
  • 110,192 POSTS
You are very welcome. If you have a chance, let me know what you find or if there is anything I can do to help.

Take care,

Joe
Was this
answer
helpful?
Yes
No
Friday, May 27th, 2022 AT 9:51 PM

Please login or register to post a reply.