Monday, February 8th, 2021 AT 6:17 PM
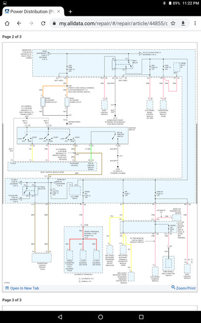
I checked all of my fuses, all were okay. I then checked power to all of my fuses and the the following fuses aren't receiving power when the key is turned on: 12 (Emission), 14 (Oxygen Sensor), 17 (Electronic Throttle Control), 20 (Fuel Injection), 24 (Electronic Ignition). What could be causing this?




