No power to fuel injectors

Tiny
ASEMASTER6371
  • MECHANIC
  • 52,796 POSTS
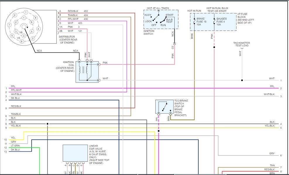
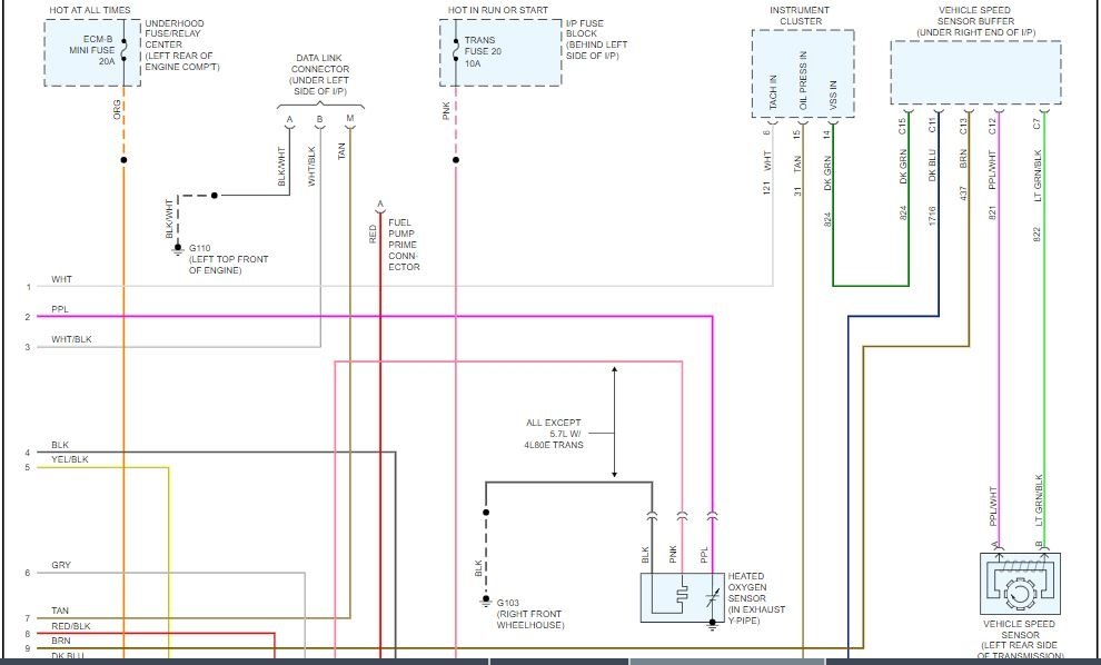
I blew up the diagrams for you so you can see better.

Roy
Was this
answer
helpful?
Yes
No
Tuesday, October 29th, 2019 AT 4:39 PM
Tiny
DIRTY_95
  • MEMBER
  • 12 POSTS
Yes, I have 12 volts to fuel pump and no voltage at a4 where EGR comes from computer.
Was this
answer
helpful?
Yes
No
Saturday, November 2nd, 2019 AT 12:07 PM
Tiny
ASEMASTER6371
  • MECHANIC
  • 52,796 POSTS
That should be 5 volts and comes from the ECM.

Can you check the map sensor gray wire and see if that has power?

Roy
Was this
answer
helpful?
Yes
No
Saturday, November 2nd, 2019 AT 12:23 PM
Tiny
DIRTY_95
  • MEMBER
  • 12 POSTS
Yes 5 volts on grey wire on map sensor.
Was this
answer
helpful?
Yes
No
Saturday, November 2nd, 2019 AT 12:31 PM
Tiny
AL514
  • MECHANIC
  • 5,590 POSTS
Are you getting a pulse with your test light on the purple/white wire at the distributor while cranking? It's the reference high signal to the ECM. Needed for injector pulse.
Was this
answer
helpful?
Yes
No
Saturday, November 2nd, 2019 AT 12:31 PM
Tiny
ASEMASTER6371
  • MECHANIC
  • 52,796 POSTS
You have a wiring issue. The gray wire at the map sensor is the same wire. There is an issue in the harness where they come together. I would check the harness carefully for any damage. You may have a break inside the harness.

https://www.2carpros.com/articles/how-to-check-wiring

Roy
Was this
answer
helpful?
Yes
No
Saturday, November 2nd, 2019 AT 12:33 PM

Please login or register to post a reply.