No power to the fuel pump

Tiny
TYLER DURDAN
  • MEMBER
  • 2002 MITSUBISHI MONTERO
  • 3.5L
  • 6 CYL
  • 4WD
  • AUTOMATIC
  • 211,000 MILES
I tested my relays fuses and my fuel pump directly and it all seems to be working, but I am not getting power to my fuel pump. How do I test this to figure out what my problem is?
Tuesday, May 7th, 2019 AT 10:01 AM

1 Reply

Tiny
CARADIODOC
  • MECHANIC
  • 34,491 POSTS
First of all, what is the problem or symptom you're trying to solve? What led you to the fuel pump?

Next, how are testing for voltage to the pump? Are you aware there should not be 12 volts to it unless the engine is rotating? A lot of people expect to find voltage feeding the fuel pump any time the ignition switch is in the "run" position. If that were to happen, that would pose a serious fire risk if a fuel line got ruptured in a crash and the pump kept running.

The fuel pump will get 12 volts for about one second when you turn on the ignition switch, then it will turn off until you start cranking the engine. When it doesn't resume running during cranking, in about 95 percent of those "crank / no-start" conditions you'll be missing spark too, but many people get hung up on the first thing they find missing and fail to see what else is not working. When spark is also missing, the common suspects are the crankshaft position sensor and the camshaft position sensor.

Have you read the diagnostic fault codes? That is always the place to start, but a failed cam or crank sensor often will not set a code just from cranking the engine. They need more time to be detected, as in when a stalled engine is coasting to a stop. When these sensors are suspect but there is no fault code pointing to the circuit that needs further testing, you'll need a scanner to view those sensors and whether or not they're developing signals during cranking.

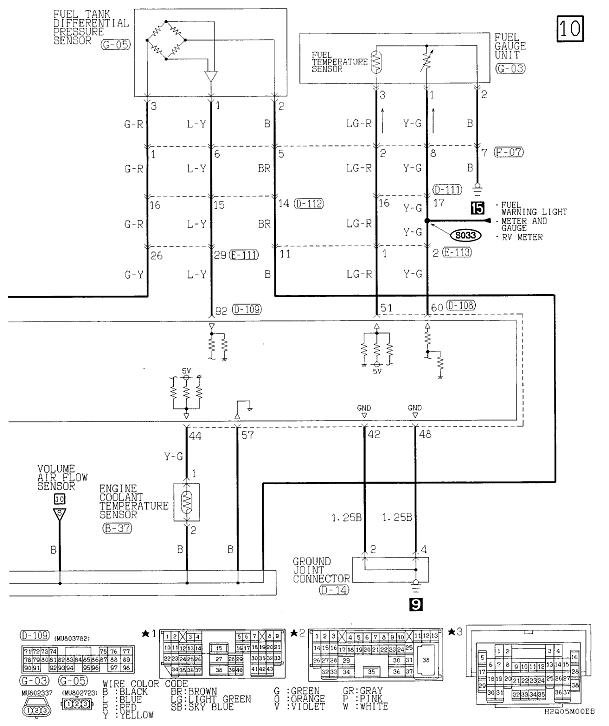
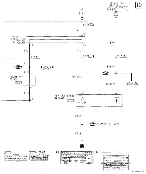
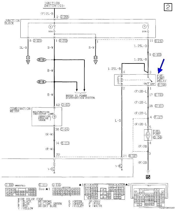
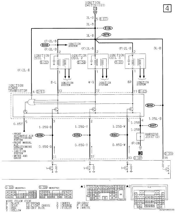
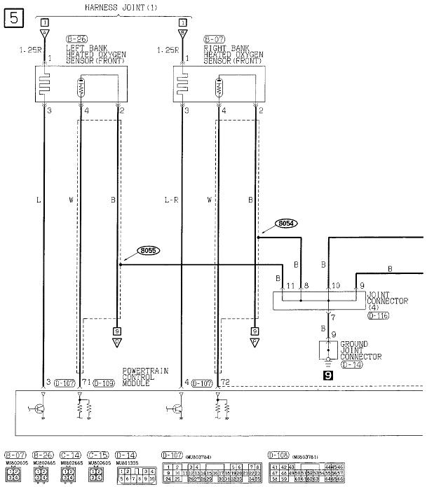
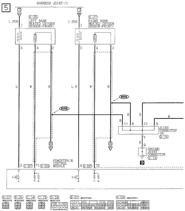
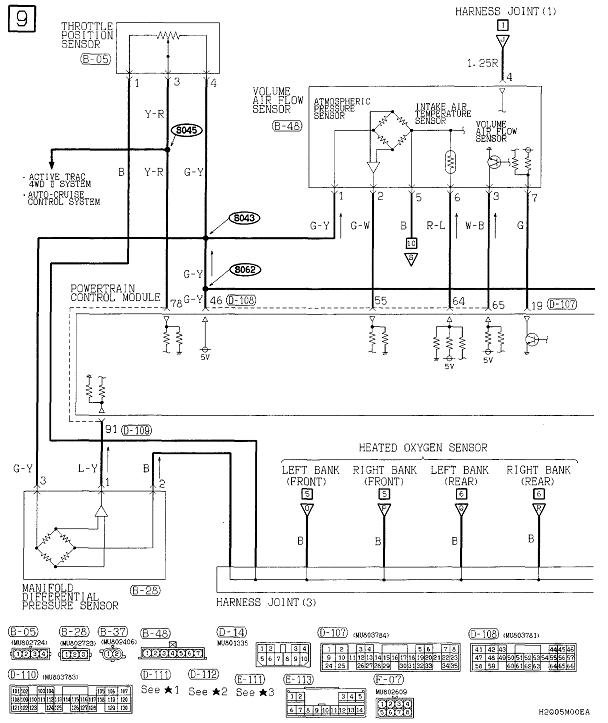
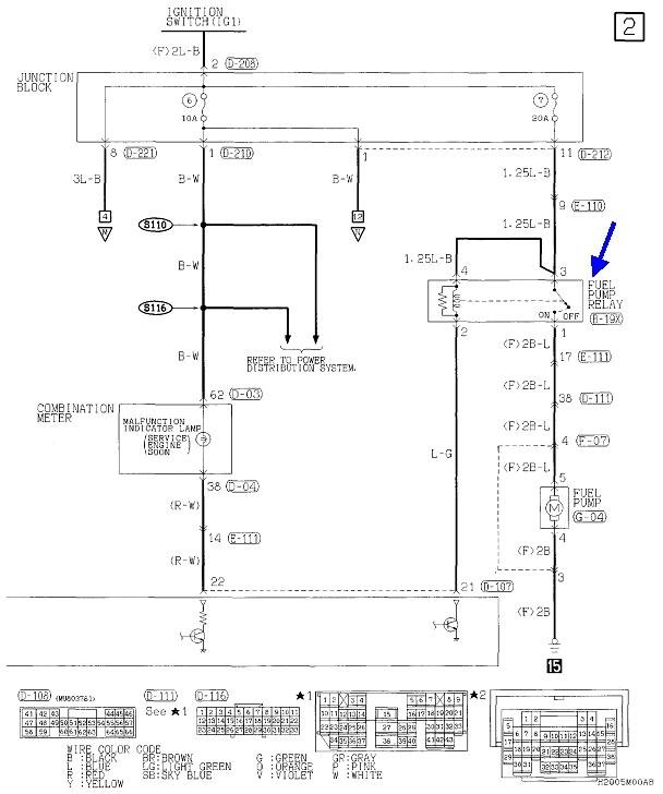
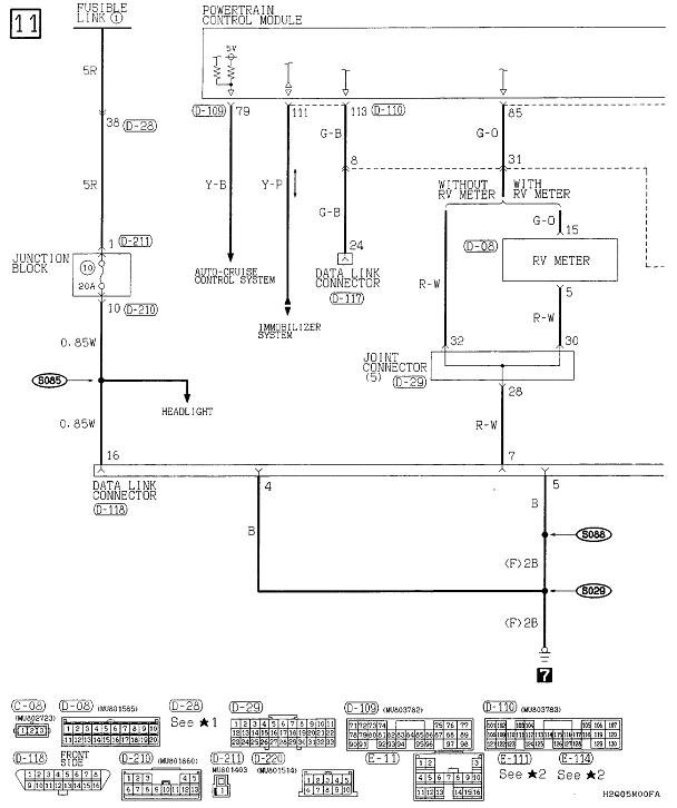
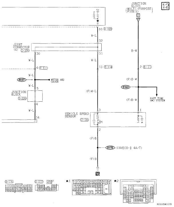
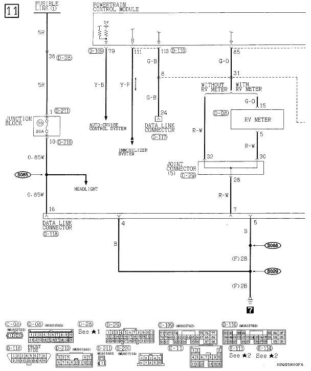
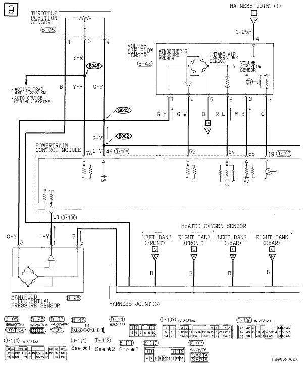
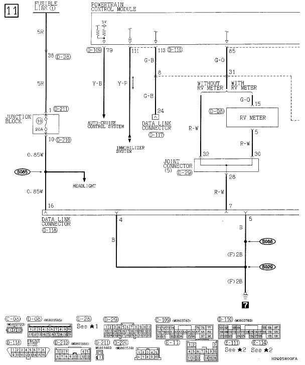
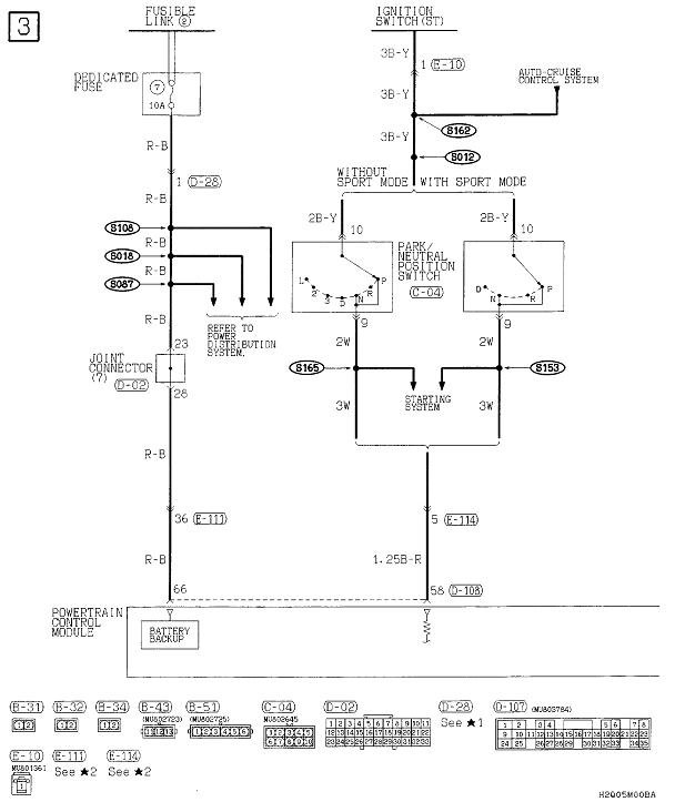
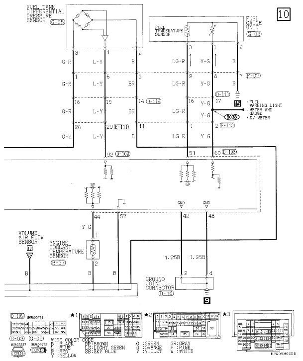
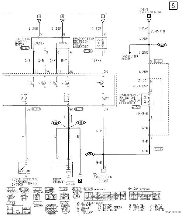
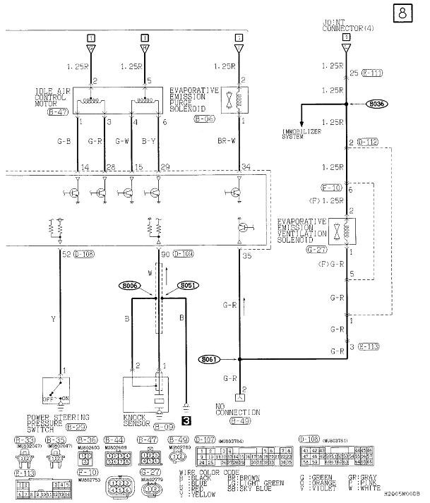
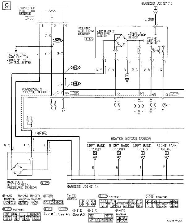
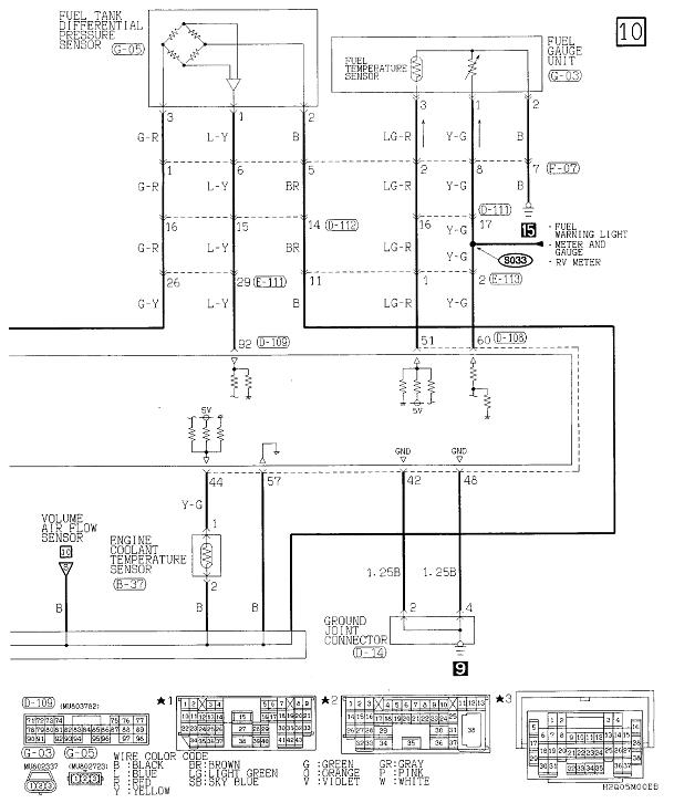
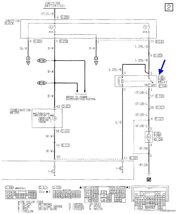
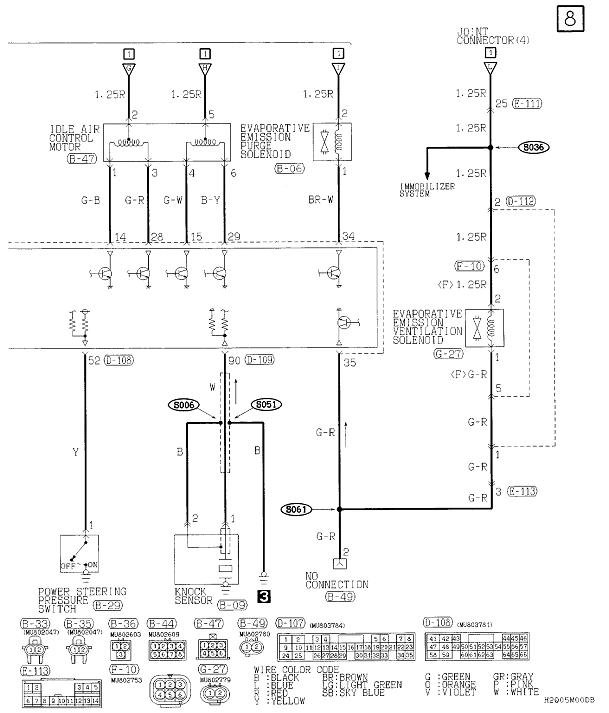
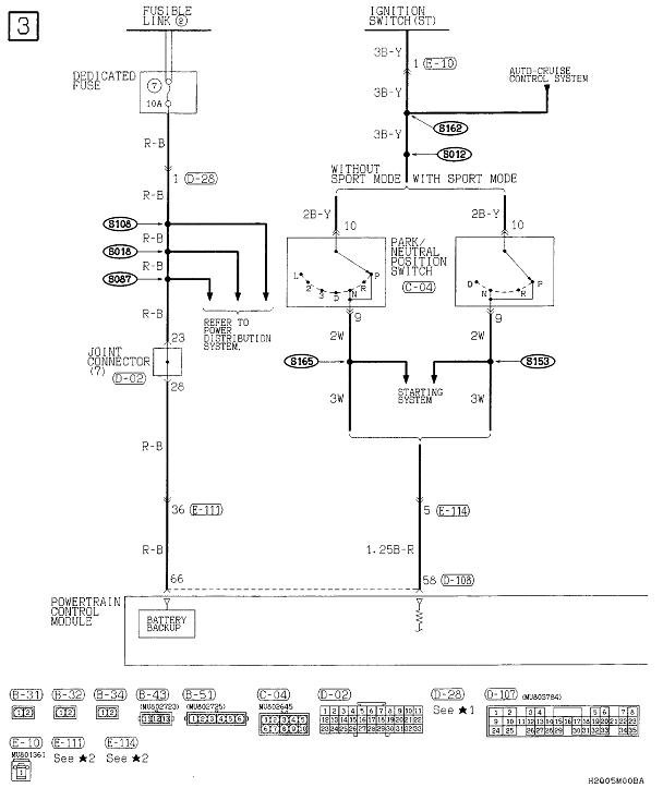
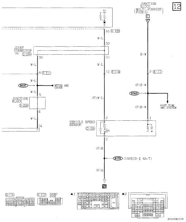
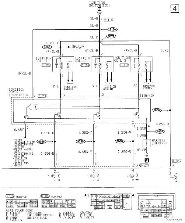
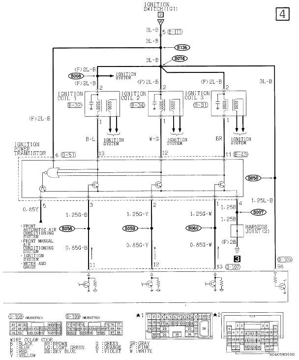
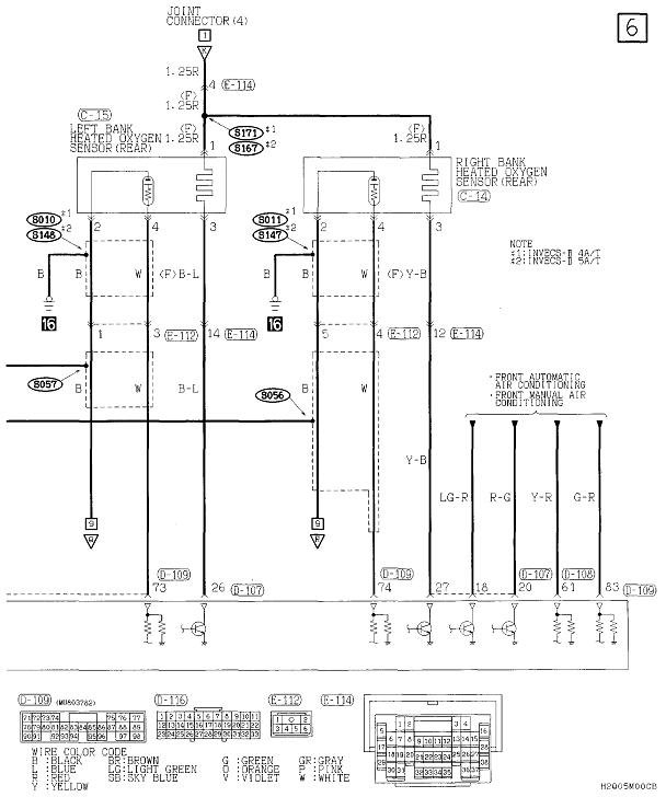
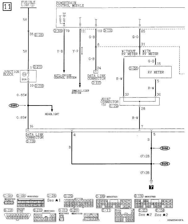
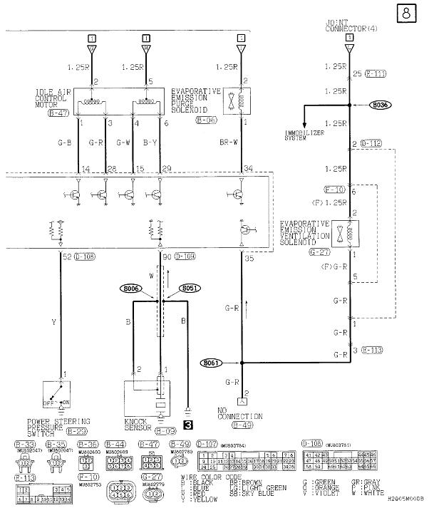
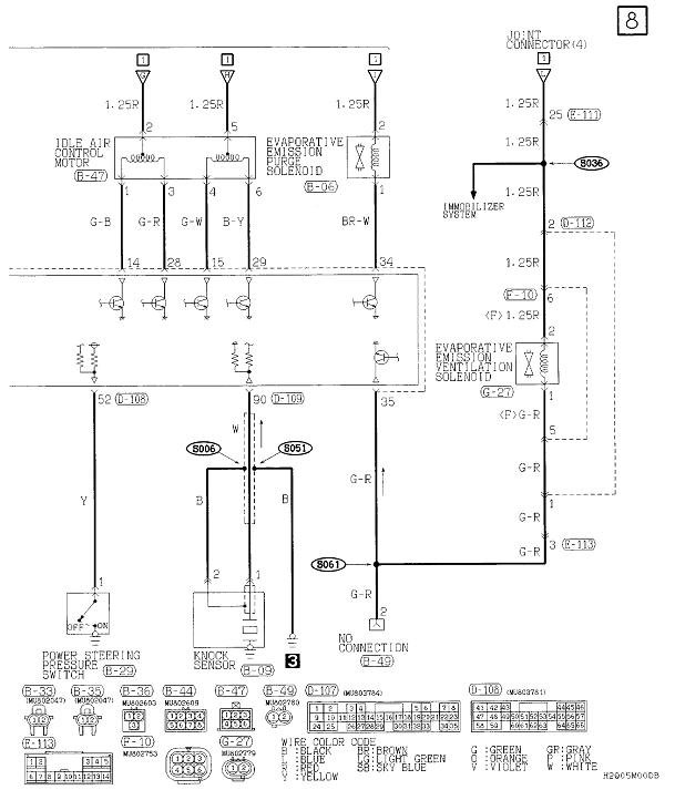
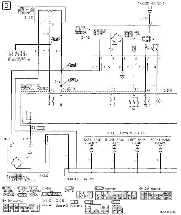
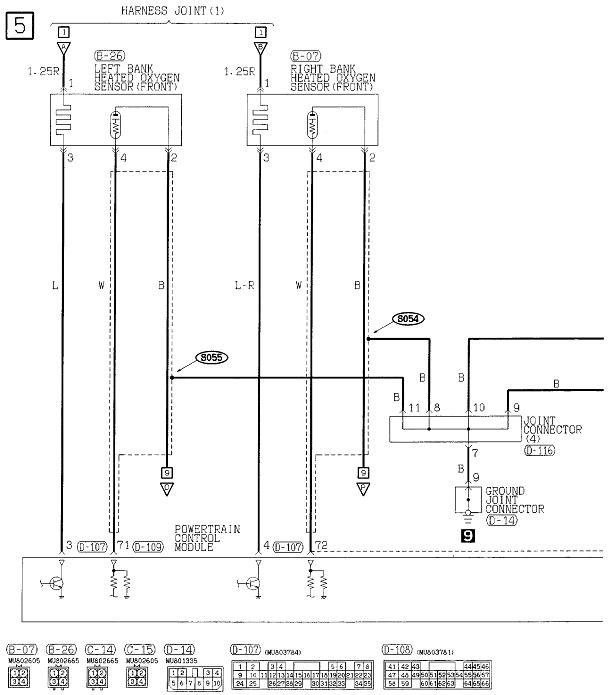
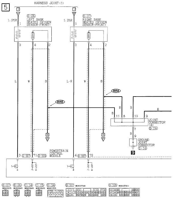
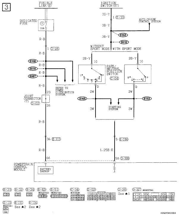
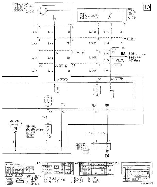
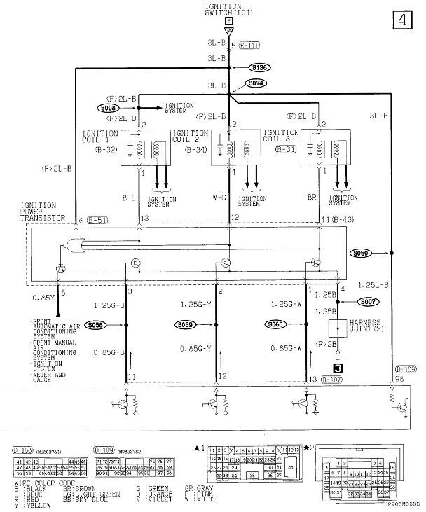
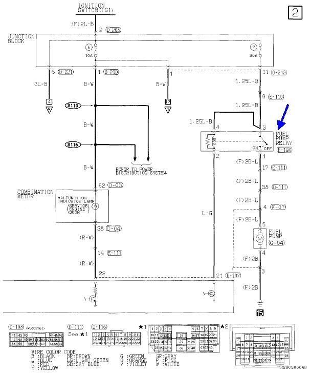
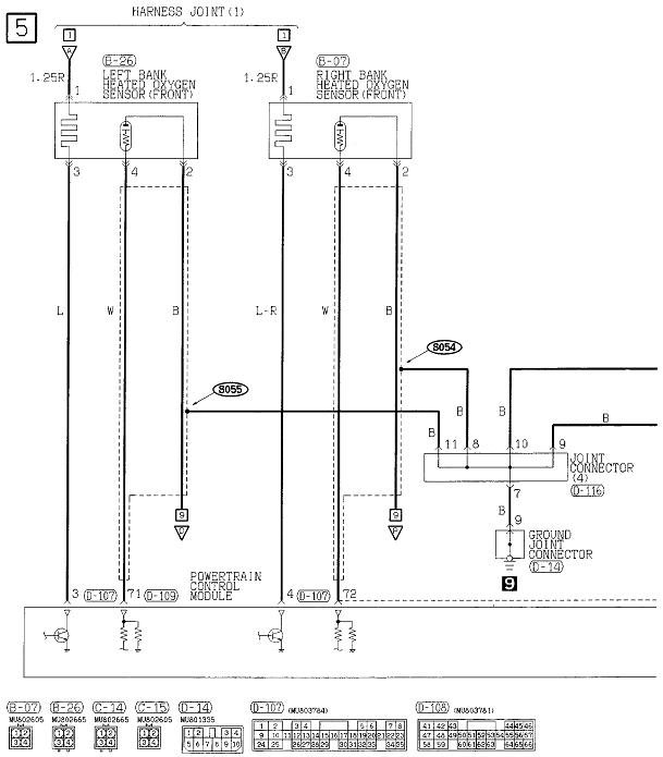
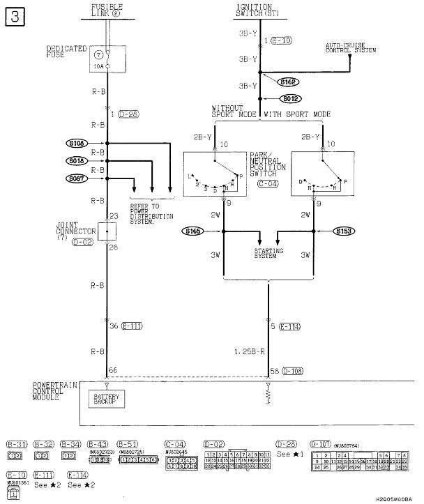
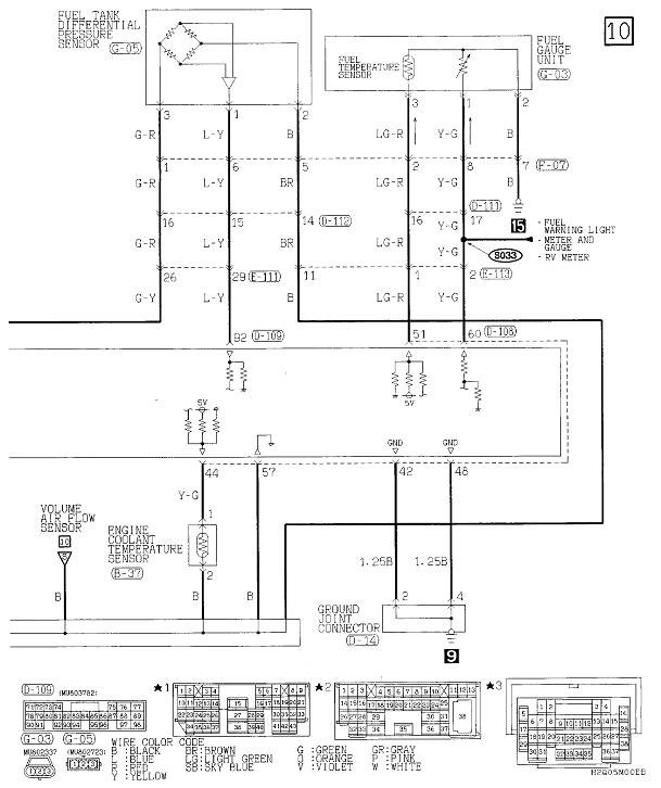
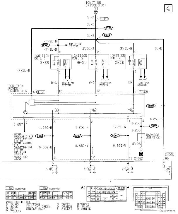
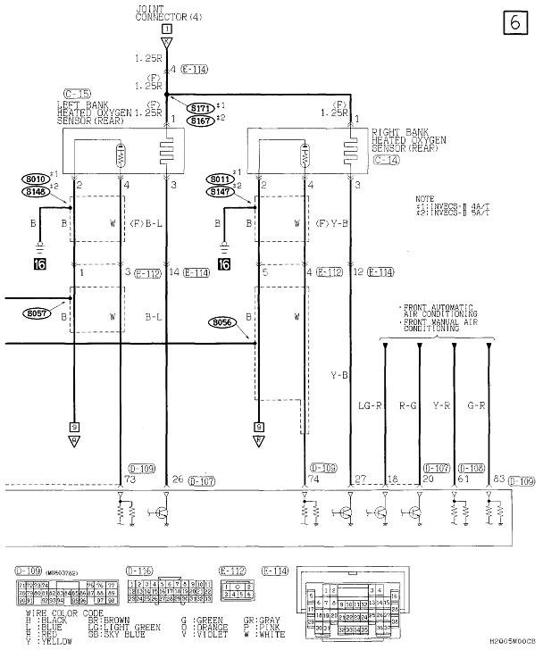
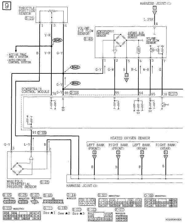
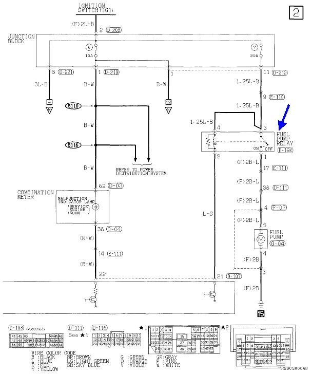
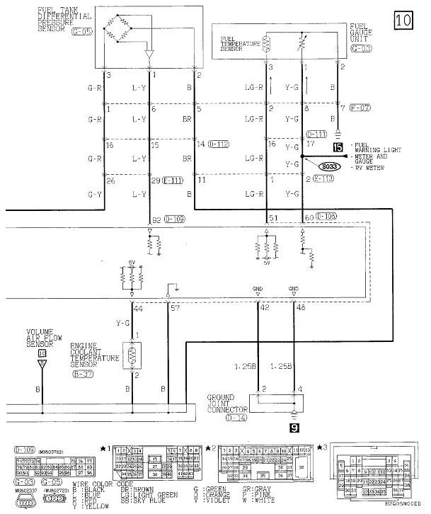
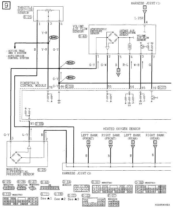
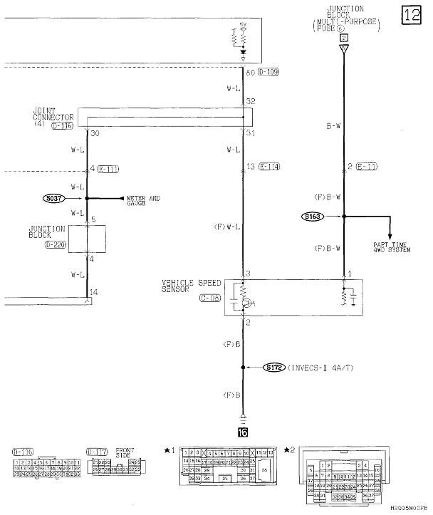
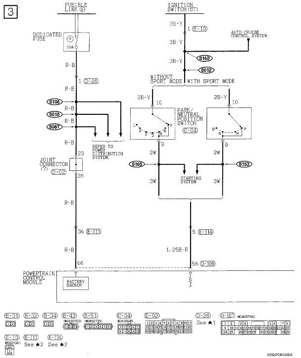
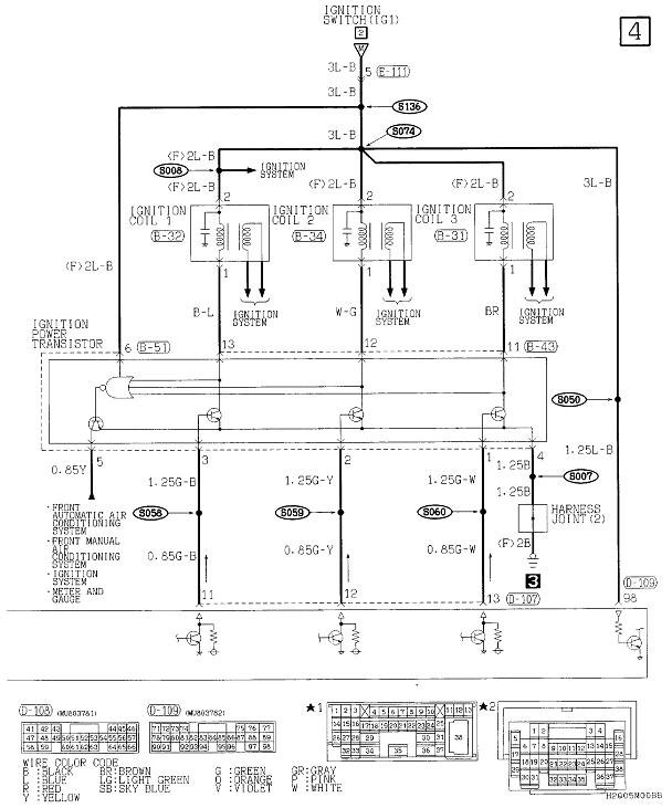
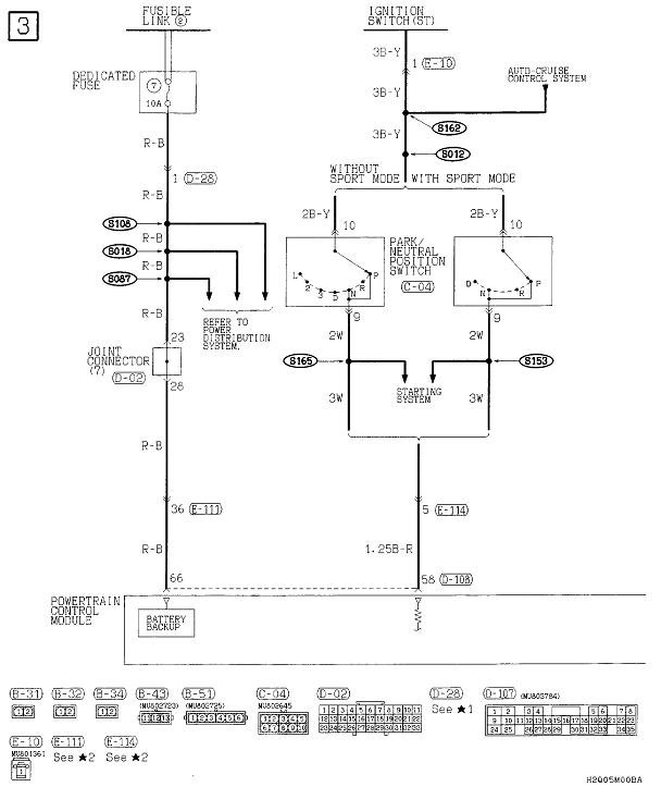
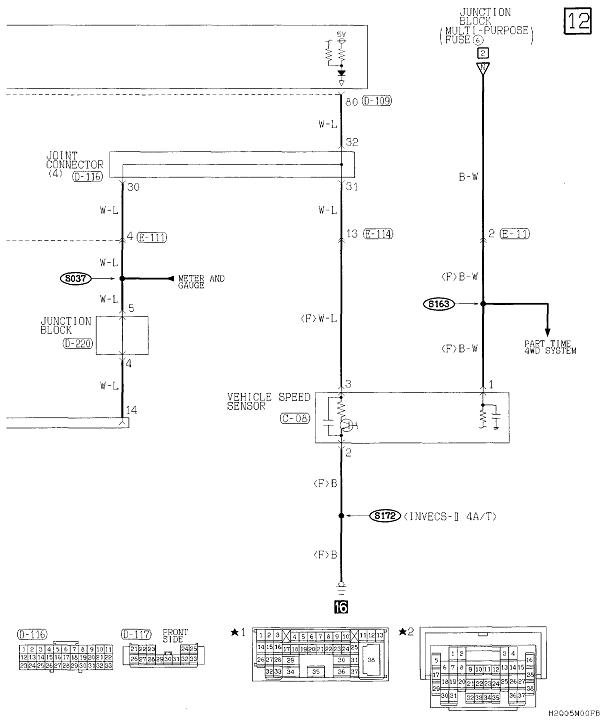
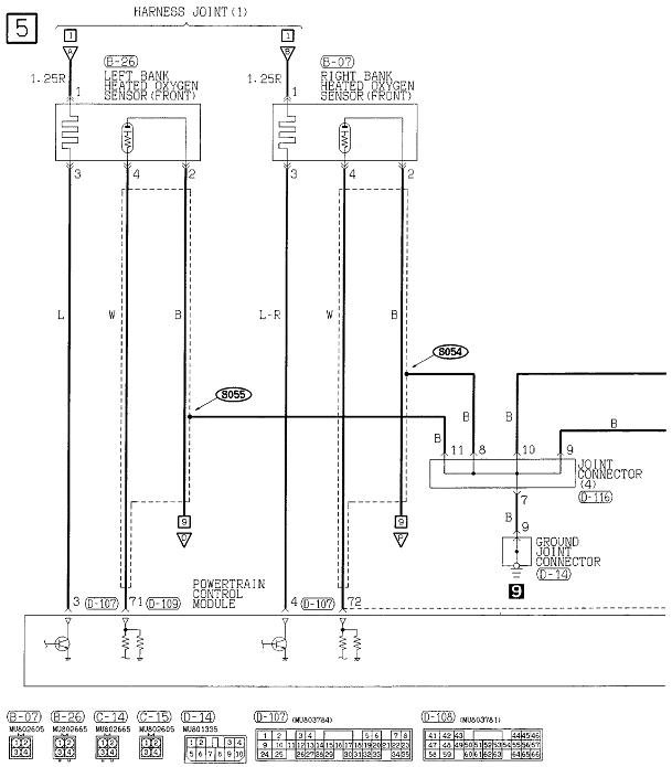
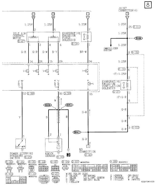
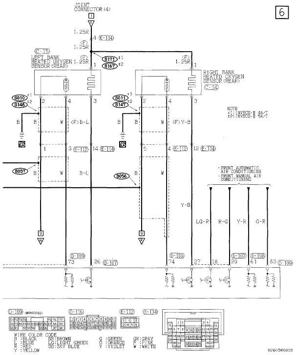
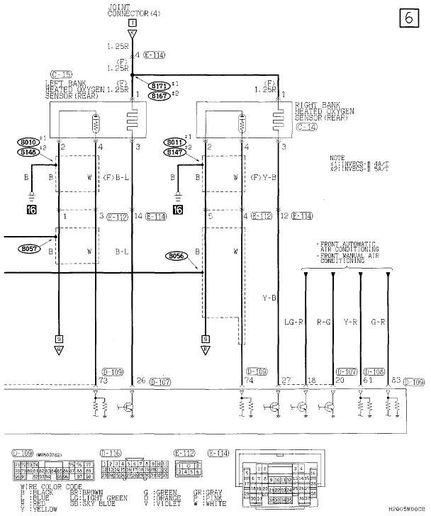
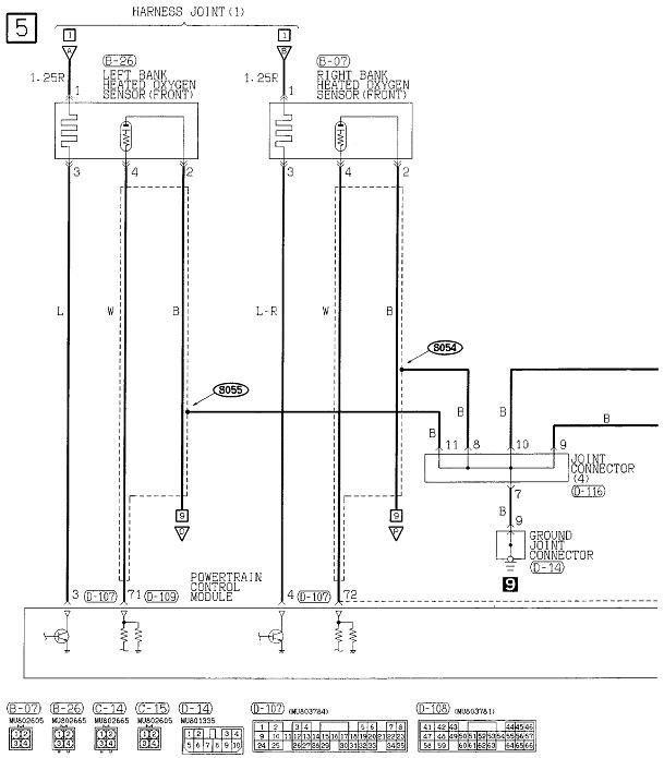
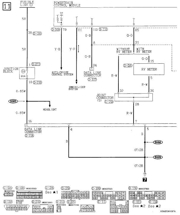
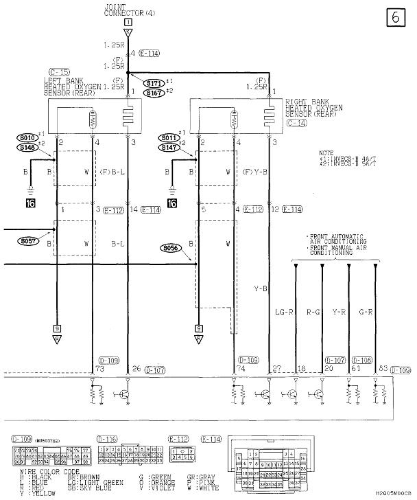
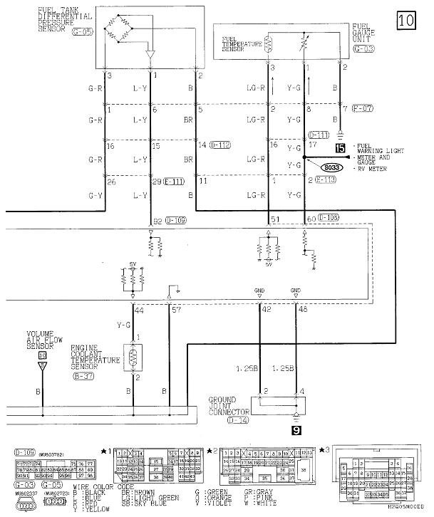
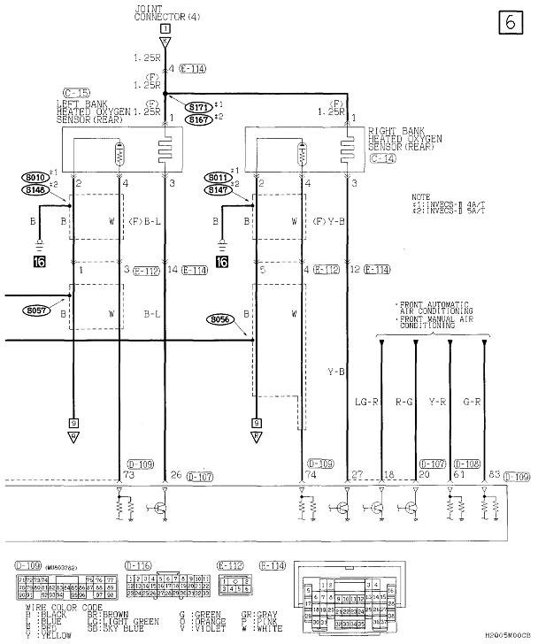
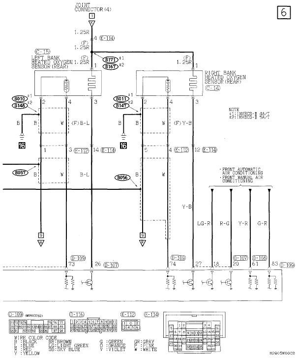
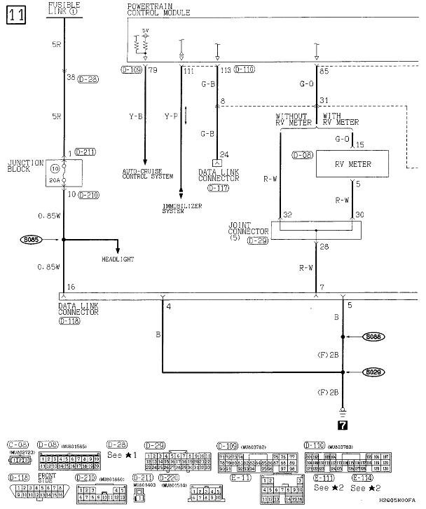
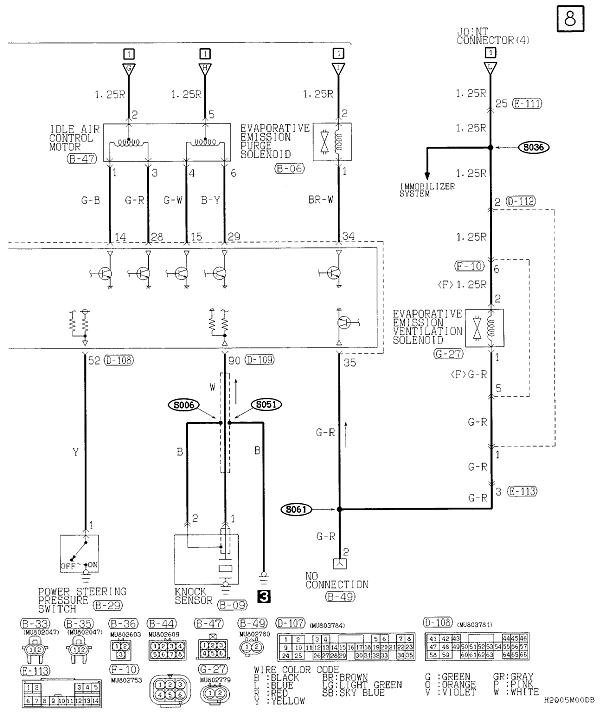
Here's all the Power Train Management diagrams. If you still need to look at the fuel pump circuit, the fuel pump relay is on the right side of the second diagram.
Was this
answer
helpful?
Yes
No
Tuesday, May 7th, 2019 AT 3:57 PM

Please login or register to post a reply.