No power to the drivers door control module

Tiny
JGRABILL
  • MEMBER
  • 2003 CHEVROLET 1500
  • 5.3L
  • V8
  • 4WD
  • AUTOMATIC
  • 200,398 MILES
I do not have any power to the drivers door control module all other doors work fine.
Wednesday, August 12th, 2020 AT 10:17 AM

1 Reply

Tiny
ASEMASTER6371
  • MECHANIC
  • 52,796 POSTS
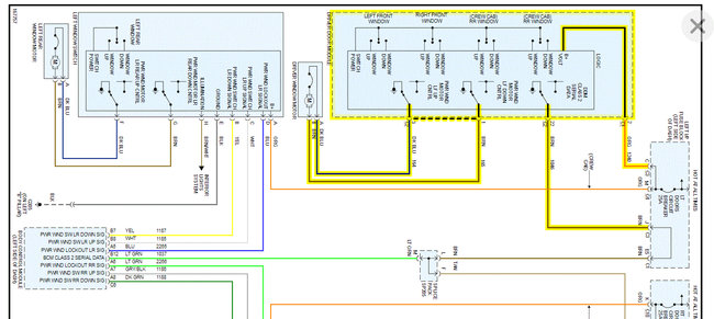
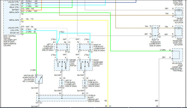
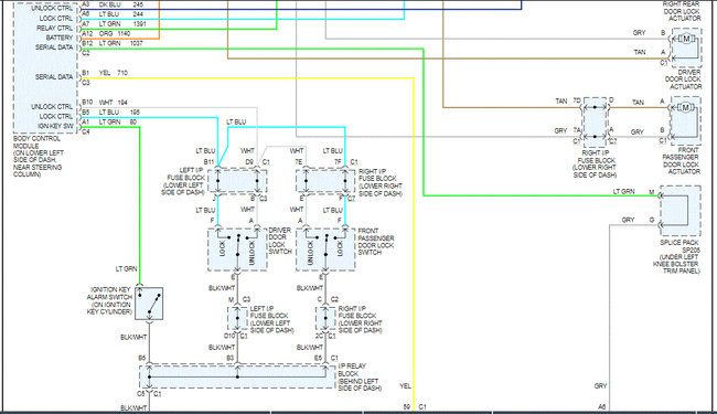
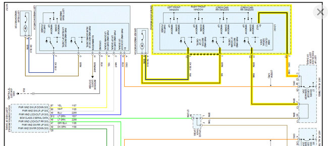
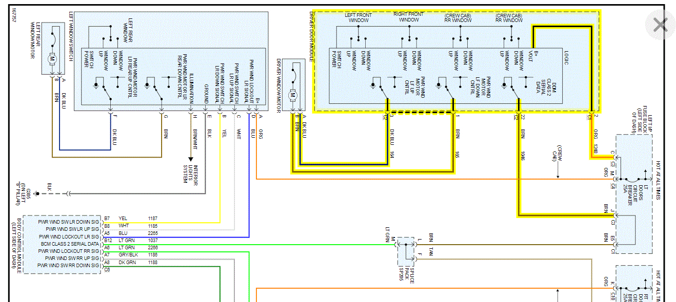
I attached the wiring diagram of the module for you along with the power locks.

Test the fuse listed for power on both sides. If that is okay, I would look at the boot from the body to the door. Inside the boot are the wires going to the module. It is common for the wires to flex over time and break inside that boot.

https://www.2carpros.com/articles/how-to-check-wiring

https://www.2carpros.com/articles/how-to-check-a-car-fuse

https://www.2carpros.com/articles/how-to-check-an-electrical-relay-and-wiring-control-circuit

Roy
Was this
answer
helpful?
Yes
No
Monday, October 12th, 2020 AT 6:14 AM

Please login or register to post a reply.