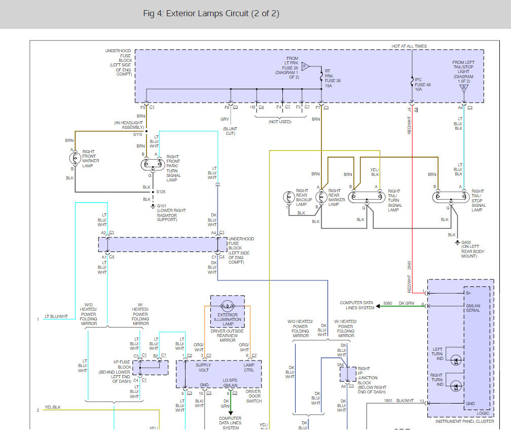
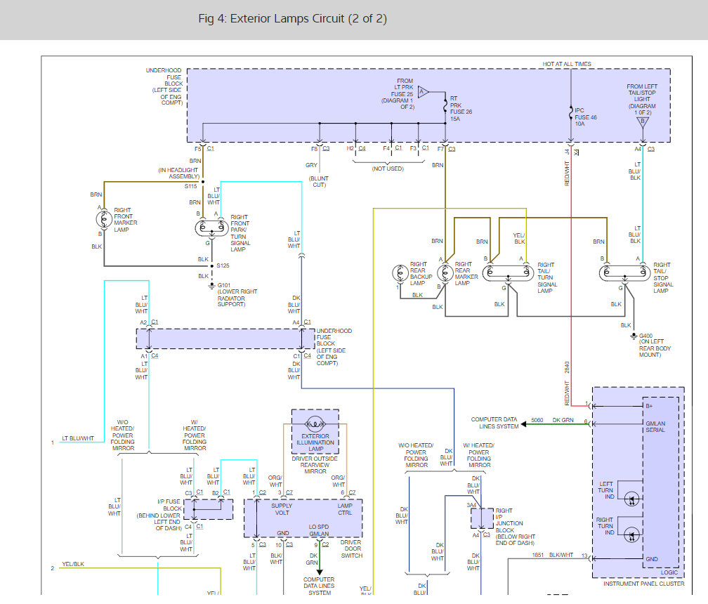
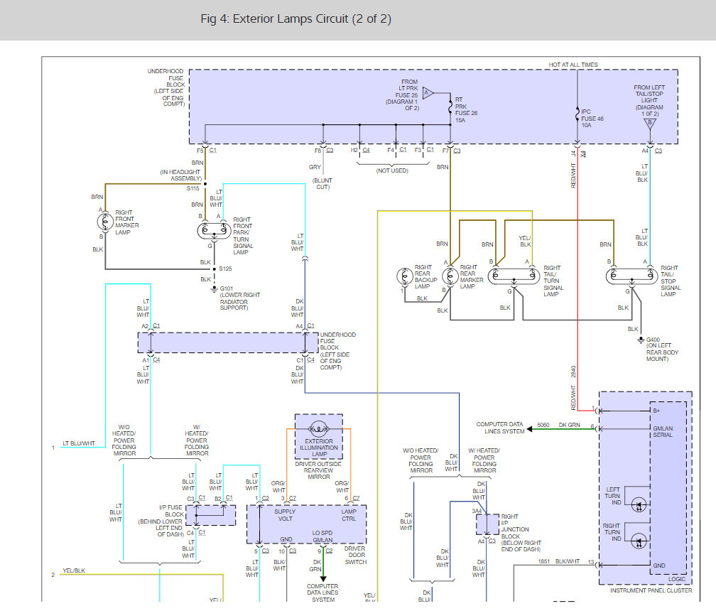
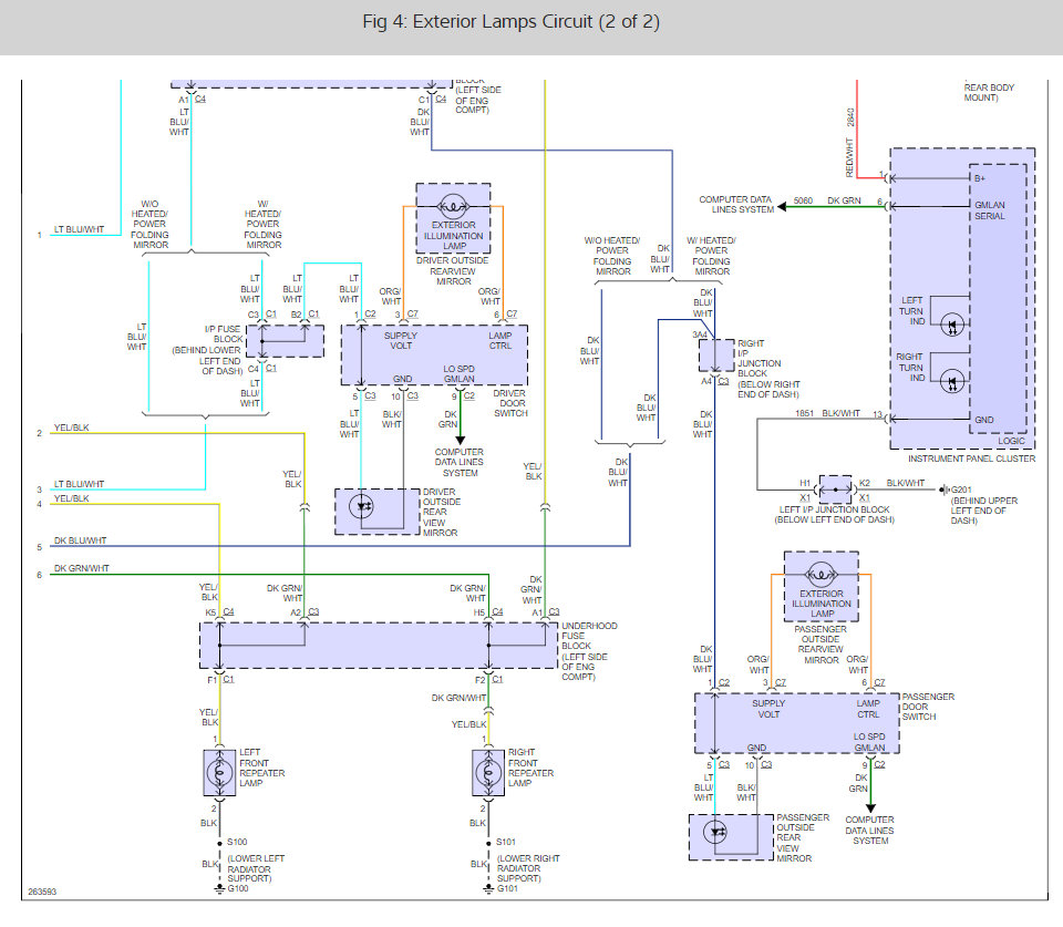
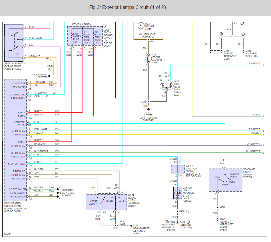
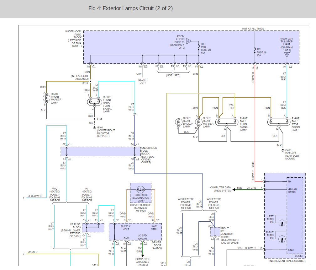
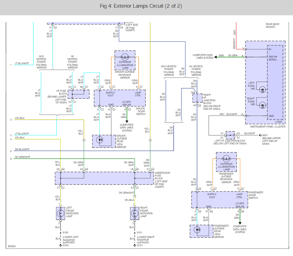
Sunday, July 26th, 2020 AT 2:07 PM
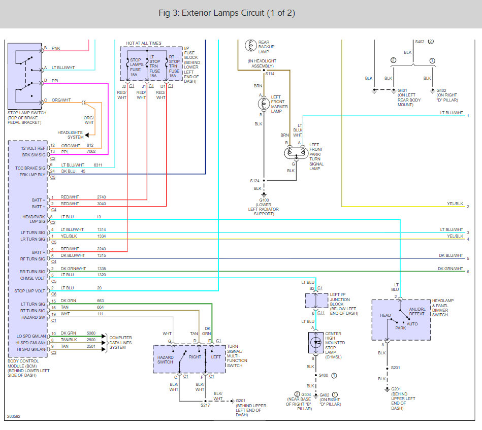
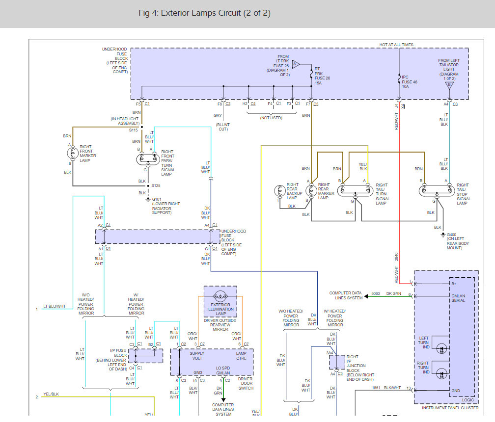
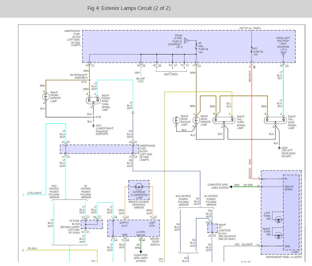
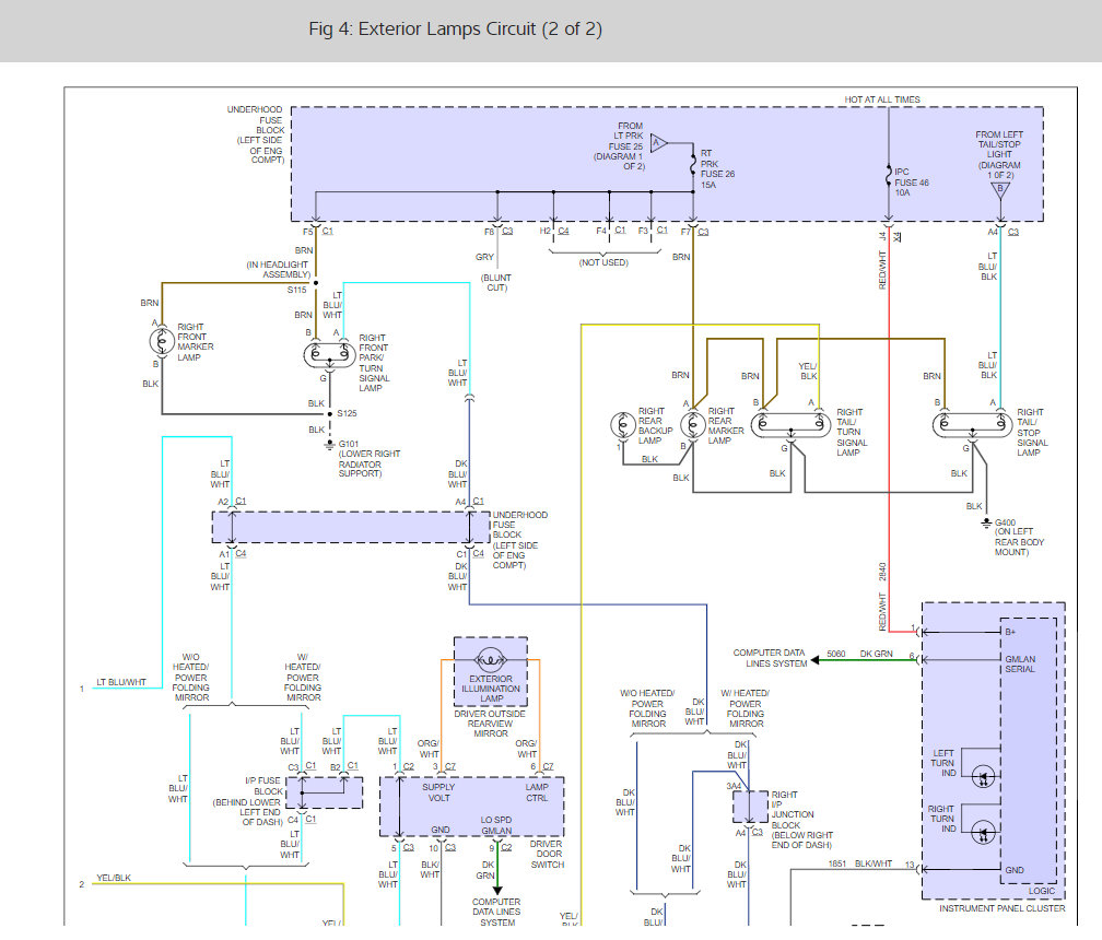
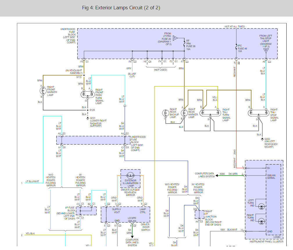
I have replaced the bulbs, relay switch, brake switch and check fuses on side of the dash and the ones under the hood. The top third brake light works but not the ones in the lower housings.






























