No low fan speed

Tiny
ANONYMOUS
  • MEMBER
  • 2005 CHRYSLER 300
  • 3.5L
  • 6 CYL
  • 2WD
  • AUTOMATIC
  • 400,000 MILES
Hello everyone!

I have the car listed above 300c.
I tried to search the site but did not find a similar problem.

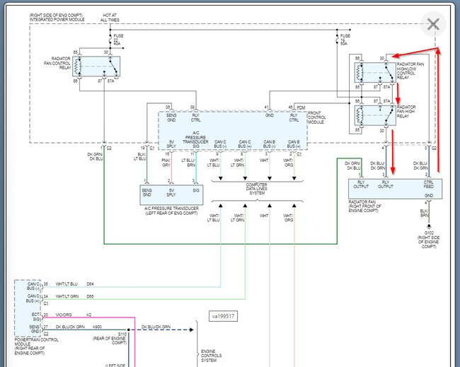
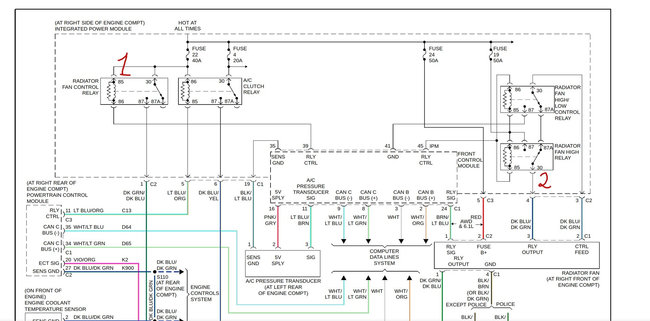
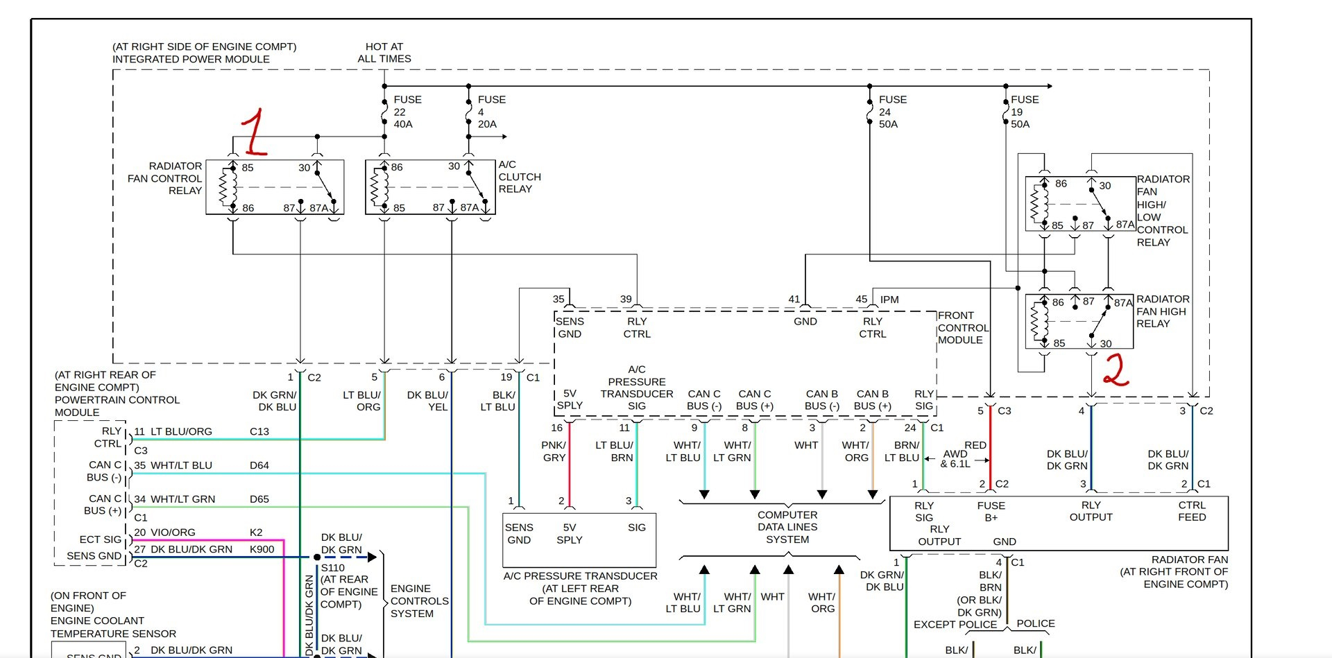
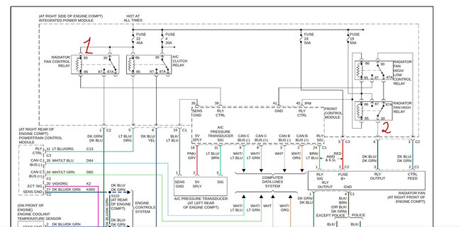
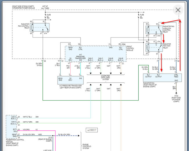
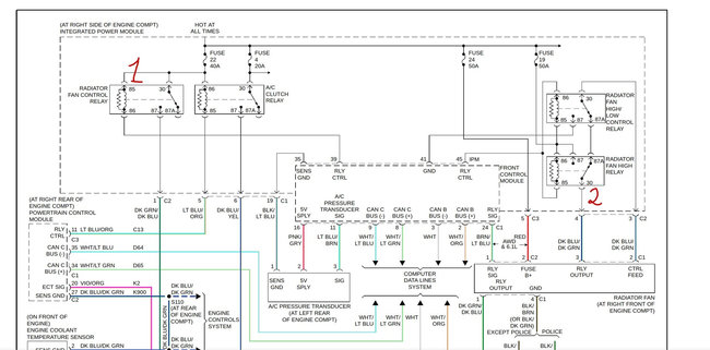
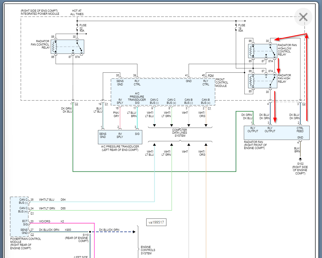
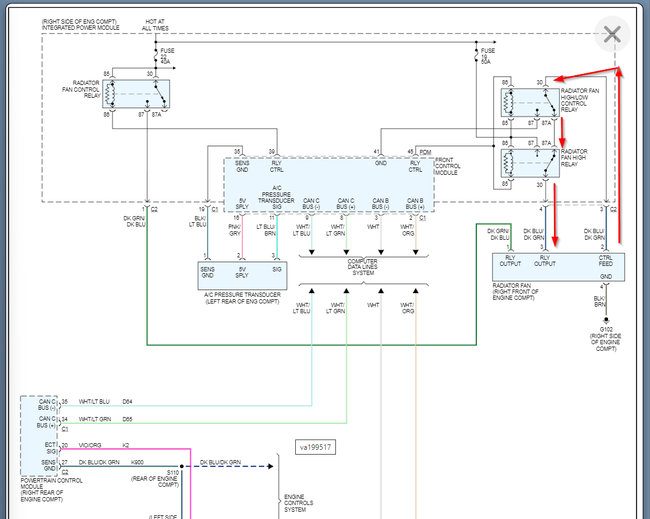
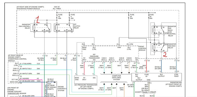
So, the car should switch on a low fan speed at a temperature of 103 C (217 F) and high speed on 110 С (230 F). As the name implies my first speed does not turn on, however I checked the fan and both speeds are working. Then, as shown in the diagram, I closed contacts 30 and 87 on the relays marked 1 and 2, and the fans turned on again in both cases. Then I began to measure the voltage on pins 85 and 86 of relay numbers 1 and 2. And the voltage appeared only when the engine reaches temperature 110 С (230 F).

It is very strange, as if ECU does not send a signal to turn on low speed. Maybe someone has met something like this? The problem could be somewhere else besides the control unit? Can the trigger temperature be adjusted in the firmware?
Sunday, October 31st, 2021 AT 2:08 PM

3 Replies

Tiny
KASEKENNY
  • MECHANIC
  • 18,907 POSTS
Have you checked the relay operation of the fan control, high/low and high relay?

https://www.2carpros.com/articles/how-to-check-an-electrical-relay-and-wiring-control-circuit

The way this works is when the low-speed fan comes on, the fan control relay (you labeled #1) is grounded by the FCM. This sends 12 volts to the fan.

Then if you look at the control feed pin on the fan, it goes up to pin 30 of the high/low relay. Then it is routed back down to the fan through both relays on 87a. This is just a loop telling the fan that it just remains on low.

Then when high is needed, the FCM grounds the relay control which is both the high/low and high relay pin 85 and 86. This closes both relays and the high/low relay is routed back to the FCM on 87 (no longer on 87a) and the high relay closes from 87a to 87 which picks up 12 volts from fuse 19 and sends that to the fan. Now the fan has 12 volts on the relay output circuit telling it that it should be on high.

So, what I would do is connect the entire system and go to the fan and check pin 1 and 3 for voltage.

Since you have no low speed, I suspect you will not have any voltage on pin 1 of the fan. If you don't then we need to check the fan control relay.

You check the FCM control side by removing the relay, put your meter lead on battery positive and then on pin 86 of this relay (the one you marked #1) and start the engine and see if you get 12 volts when this fan should come on. If you don't then the FCM is not commanding the fan on and the FCM is the issue.

You will not get voltage on the control side of the other relays (high/low and high) until high is needed so that sounds correct.

Let me know if you have questions on this. Thanks
Was this
answer
helpful?
Yes
No
+1
Monday, November 1st, 2021 AT 11:31 AM
Tiny
  • MEMBER
  • 0 POST
Hi, thank you very much for your reply!
In my case, FCM does not send a signal to turn on at the set temperature. The signal is received only if the machine is in emergency mode by relay, or when it reaches 110 C (230 F). Can you tell me if it is possible to adjust the response temperature in the firmware? We have workshops where they are engaged in chip tuning. Or most likely FCM is broken and needs to be changed right away?
Was this
answer
helpful?
Yes
No
Thursday, November 4th, 2021 AT 11:32 AM
Tiny
KASEKENNY
  • MECHANIC
  • 18,907 POSTS
Anything is possible if you have a scan tool and the know-how, to alter the code or programming in the module. More than likely these shops that have chip tuning do not alter things in this way. Normally they stick to altering a PCM to increase horsepower, but I am sure they have the ability to do it if they want.

However, I don't think that is going to solve the issue unless you are thinking about trying to alter the temperature the high fan speed comes on. The reason is, even if you alter the low-speed fan set point, it still will not come on because more than likely the driver on the circuit board has failed. This means it just does not have the ability to command it on any longer no matter what temperature it is set to.

If it were me, I would source an FCM and just change it out.
Was this
answer
helpful?
Yes
No
+1
Thursday, November 4th, 2021 AT 4:17 PM

Please login or register to post a reply.