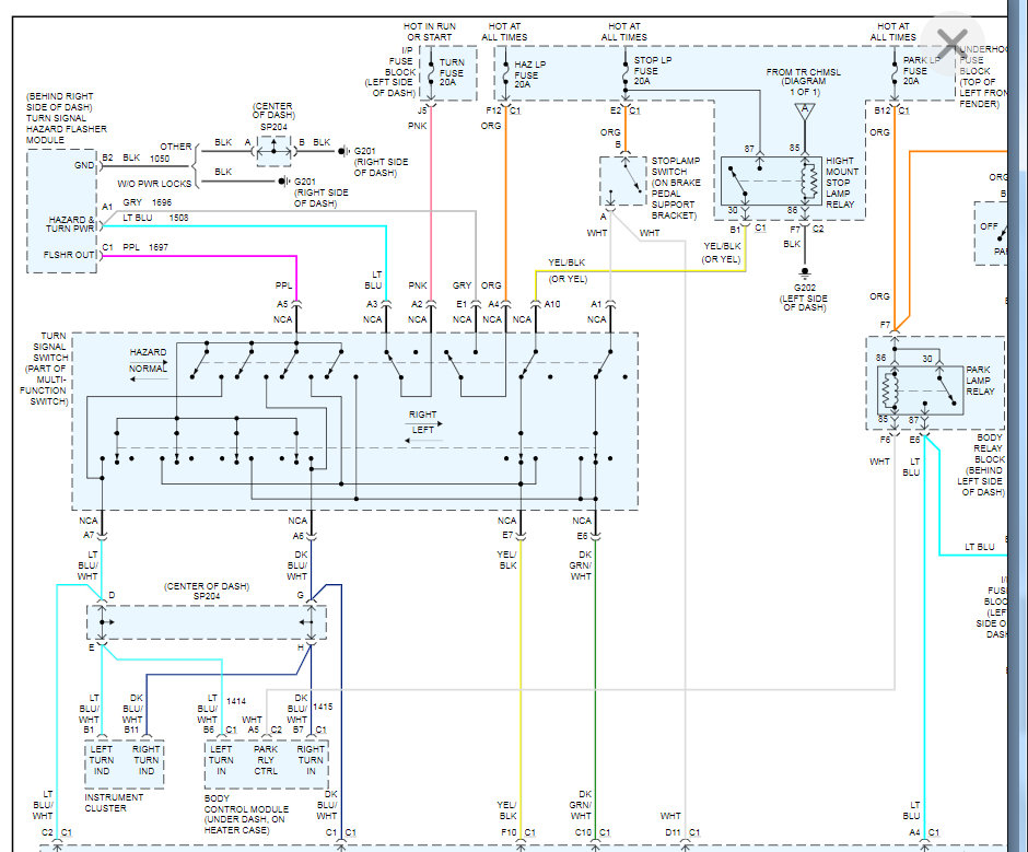
I have the vehicle listed above SLS with the 4.3 L V6 Vortec, electronic four-wheel drive switch.
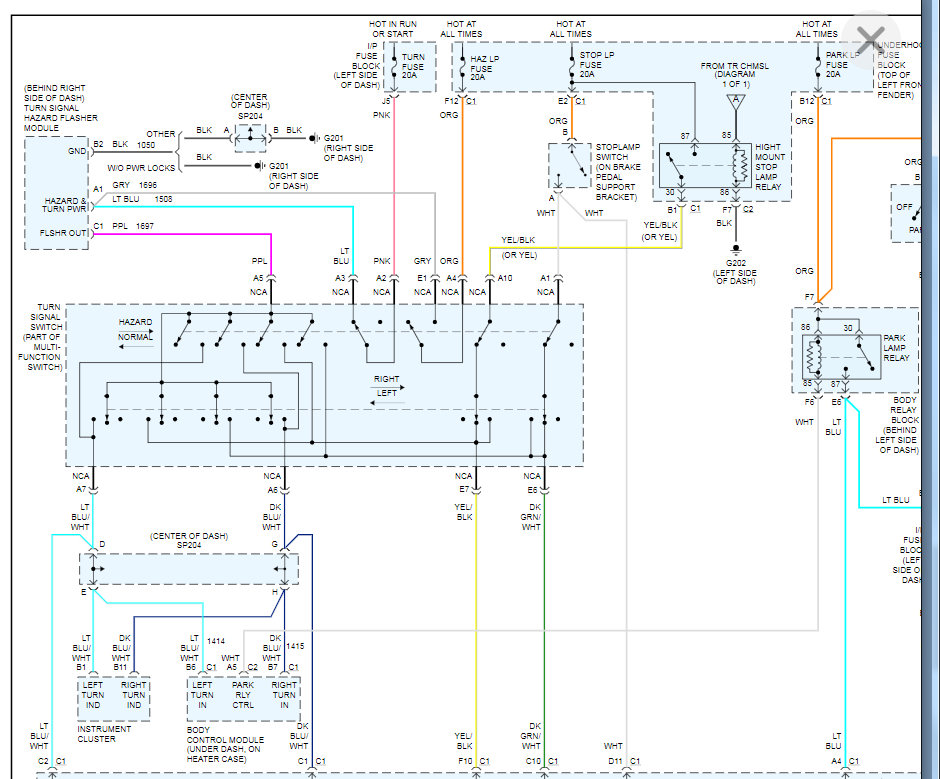
My headlamp low beams at first would only turn on if the high beam switch was activated if it was just set on low beam then they would not illuminate. My right turn signal in cab indicator light stays solid illuminated even whenever kind of signal switch is not on for left or right. And whenever the right turn signal is activated if flashes rapidly. All four turn signal bulbs are functional left and right front and back my tail lights are functional all of my side marker lamps are functional except for the front right my hazard lamps are functional my high beam lamp still functional.
I've checked all relays and fuses for both fuse boxes in cab and in engine compartment. I've also checked the ground relay module that's hidden up behind the dash, all relays. Checked out all fuses are good. I've checked every bulb and all the ground wires for the exterior lights on the front half of the vehicle. I've replaced the turn signal multifunction switch, which I thought for certain was the cause of my headlamp issue.
I'm at a wall please for the love of car gods does anybody have any input on this? Can somebody please please just give me a list from start to finish of every connection socket switch relay fuse ground or gremlin that could cause these issues me? Thank you.
Monday, December 14th, 2020 AT 11:00 AM



