Brake lights and left turn signal short out and blow their fuses?

Tiny
DB7108
  • MEMBER
  • 2000 GMC SONOMA
My brake lights and left turn signal short out and blow their fuses whenever I use them. Are they connected somehow?
Monday, January 23rd, 2006 AT 3:45 PM

6 Replies

Tiny
DOCOLDS
  • MEMBER
  • 10 POSTS
Yes. Check the left tail light socket and the wiring to it. There is a short to ground somewhere in the system. If the truck has a trailer hitch and wiring, start with the trailer wiring.
Was this
answer
helpful?
Yes
No
Monday, January 23rd, 2006 AT 8:27 PM
Tiny
A A RON TENBUSCH
  • MEMBER
  • 4 POSTS
I took the trailer wiring out and replaced the socket. The ground wires are grounded into the frame like they're supposed to be. There's a light blue wire just dangling there but that has never been used. I replaced the brake light switch. The 20-amp fuse popped only one time and now only the 10-amp left turn signal fuse shorts out. For sale 5,000 firm. Minimal rust with only one body mount through the floor. Any ideas?
Was this
answer
helpful?
Yes
No
Thursday, February 2nd, 2023 AT 9:46 PM
Tiny
A A RON TENBUSCH
  • MEMBER
  • 4 POSTS
Where's the wiring diagrams?
Was this
answer
helpful?
Yes
No
Friday, February 3rd, 2023 AT 9:01 AM
Tiny
KEN L
  • MASTER CERTIFIED MECHANIC
  • 55,469 POSTS
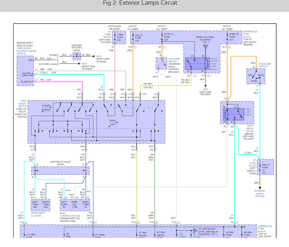
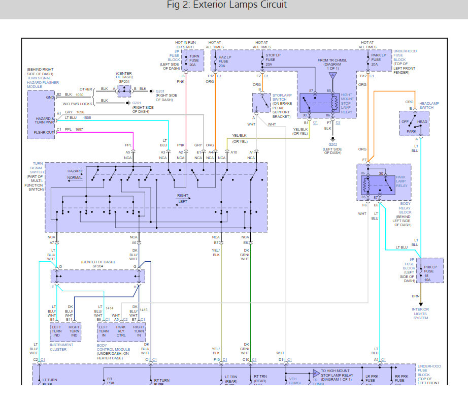
Check the trailer wiring if there is any, these can cause shorting issues also there is a high mount stop light relay and a running light relay that can be causing the issue as well here are the wiring diagrams so you can see how the system works. Also check the front and rear sockets because they can heat up and melt. Check out the images (below). Let us know what happens and please upload pictures or videos of the problem.
Was this
answer
helpful?
Yes
No
+1
Friday, February 3rd, 2023 AT 10:42 AM
Tiny
A A RON TENBUSCH
  • MEMBER
  • 4 POSTS
I believe the relay is good because I switched it out with the horn relay and got the same effect. The high mount stop lamp cover melted. The stop lamp fuse was blown, I replaced it and the right and high mount stop lamp work with brake pressure applied. I still have some troubleshooting to do but I got it narrowed down thanks to you guys. Could it be the high mount lamp assembly itself that's shorted?
Was this
answer
helpful?
Yes
No
Sunday, May 21st, 2023 AT 2:15 PM
Tiny
KEN L
  • MASTER CERTIFIED MECHANIC
  • 55,469 POSTS
Yes, it could be, but you said it is working? Also do any of the other brake lights work?
Was this
answer
helpful?
Yes
No
Monday, May 22nd, 2023 AT 10:51 AM

Please login or register to post a reply.