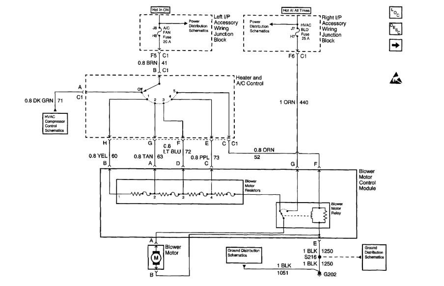
Tuesday, October 30th, 2018 AT 12:19 AM
I have the car listed above (SS) blower motor not working. I have replaced resistor and checked blower motor it is good. Could the problem be the control panel? I have changed it but l do not think that the one is good either. How can I test the control panel?



