No headlights

Tiny
GLEN CUNNINGHAM
  • MEMBER
  • 2013 GMC ACADIA
  • 0.5L
  • V6
  • 4WD
  • AUTOMATIC
  • 80,000 MILES
Neither hi or low seem to be halogen flavor not hid from fuses.
All went at once no difference auto or manual switch no blown fuses.
Fog lights work (different fuse).
Running lights all work.
Monday, March 12th, 2018 AT 3:25 PM

2 Replies

Tiny
ASEMASTER6371
  • MECHANIC
  • 52,796 POSTS
Good morning

Did you check for power to the headlight connectors for power with the lights on? Use a voltmeter or test light.

Roy
Was this
answer
helpful?
Yes
No
Wednesday, March 14th, 2018 AT 5:16 AM
Tiny
ASEMASTER6371
  • MECHANIC
  • 52,796 POSTS
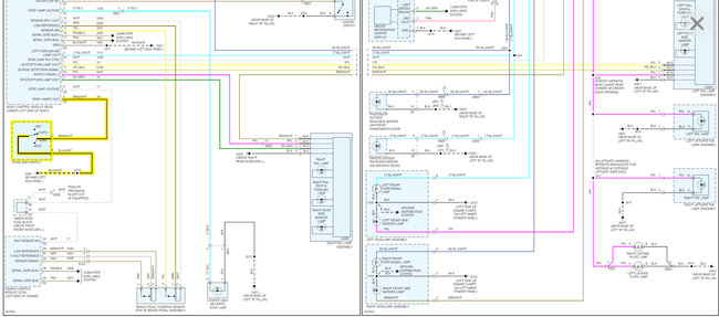
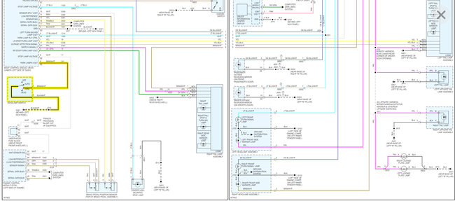
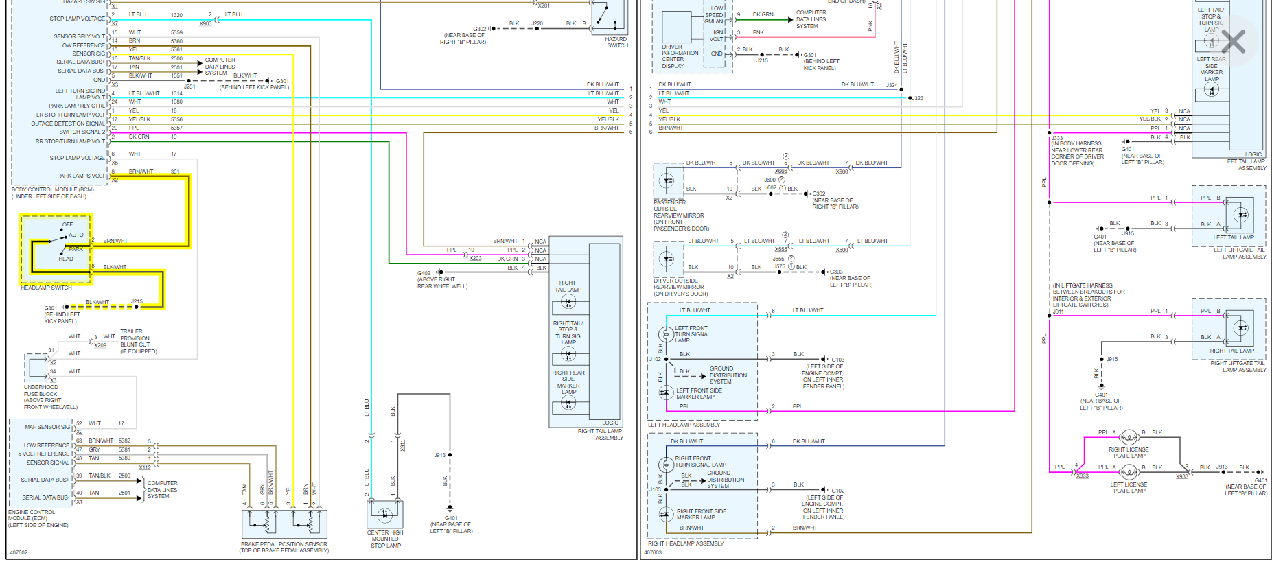
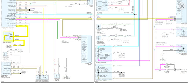
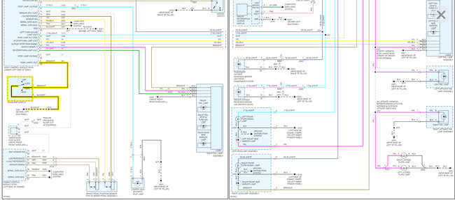
I attached a diagram of the headlight system for you.

You need to check the fuses I circled for power on both times. There are relays controlled by the body control module for the lights.

https://www.2carpros.com/articles/how-to-check-wiring

https://www.2carpros.com/articles/how-to-check-an-electrical-relay-and-wiring-control-circuit

https://www.2carpros.com/articles/how-to-check-a-car-fuse

Roy
Was this
answer
helpful?
Yes
No
Wednesday, December 9th, 2020 AT 4:49 PM

Please login or register to post a reply.