High and low beam headlights are not working

Tiny
D KELLY
  • MEMBER
  • 2011 GMC ACADIA
  • 0.5L
  • 6 CYL
  • 2WD
  • AUTOMATIC
  • 114,000 MILES
My high and low beam headlights will not work. I have replaced the fuses and checked relays and replaced switch today, and now I have one really dim high beam working. I have running lights and tail lights and have noticed when I turn my car off it is slow to shut down all lights and sometimes slow to start. What to do now I am fixing the problem myself and a young girl?

My email is not working, could you please send reply to Dorindiak@gmail. Com
Wednesday, February 22nd, 2017 AT 9:15 AM

3 Replies

Tiny
KEN L
  • MASTER CERTIFIED MECHANIC
  • 55,499 POSTS
Hi D Kelly,

This unfortunately might be a BCM problem, lets try something. Recheck all of the fuses using a test light and then disconnect the battery on the negative side for fifteen minutes and then reconnect the battery. I am hoping to reboot the BCM computer.

Here is a guide on how to check the fuses.

https://www.2carpros.com/articles/how-to-check-a-car-fuse

Please let us know happens so it will help others.

Best, Ken
Was this
answer
helpful?
Yes
No
+1
Wednesday, February 22nd, 2017 AT 12:20 PM
Tiny
D KELLY
  • MEMBER
  • 2 POSTS
  • 2011 GMC ACADIA
  • 0.6L
  • 6 CYL
  • 2WD
  • AUTOMATIC
  • 114,000 MILES
I have no headlights. I changed bulbs last month cause one low beam burned out so changed both sides, but I have replaced the fuses, checked relays, put new switch in today. Now I have one very dim high beam working. I have running lights and taillights. Please help
Was this
answer
helpful?
Yes
No
+1
Friday, February 24th, 2017 AT 11:16 AM (Merged)
Tiny
KEN L
  • MASTER CERTIFIED MECHANIC
  • 55,499 POSTS
Hi Kelly,

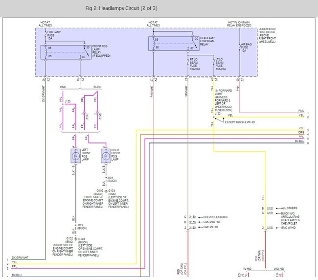
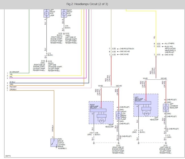
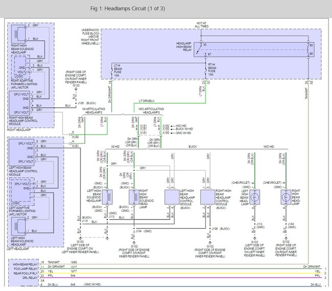
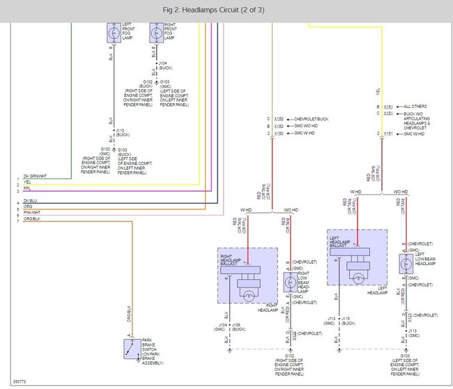
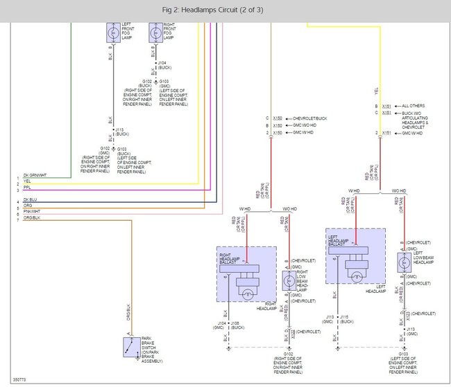
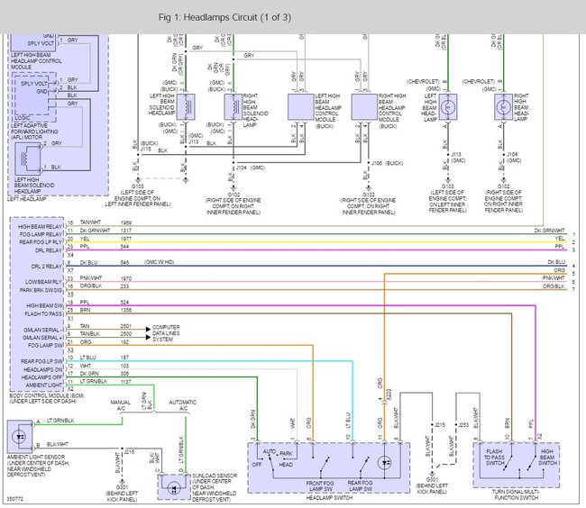
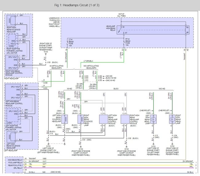
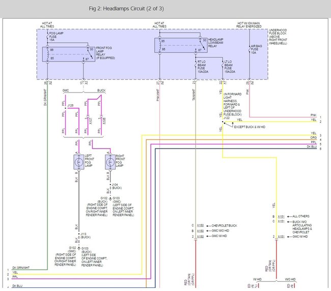
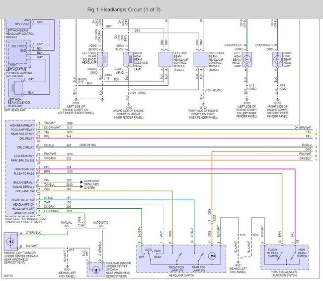
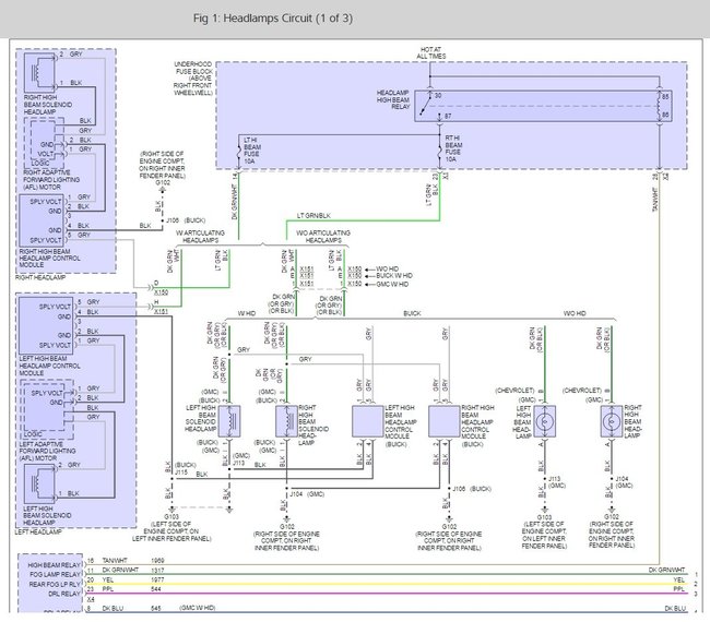
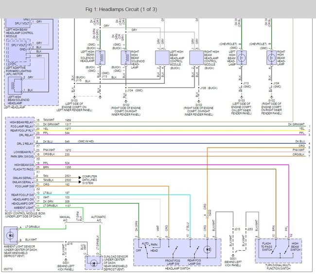
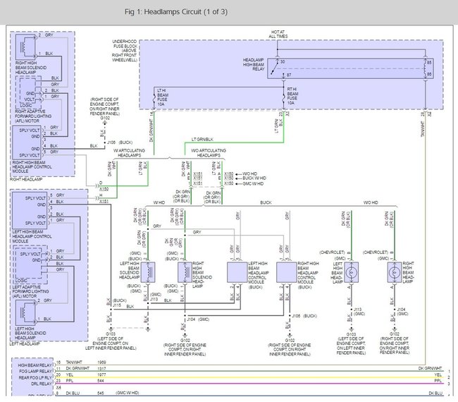
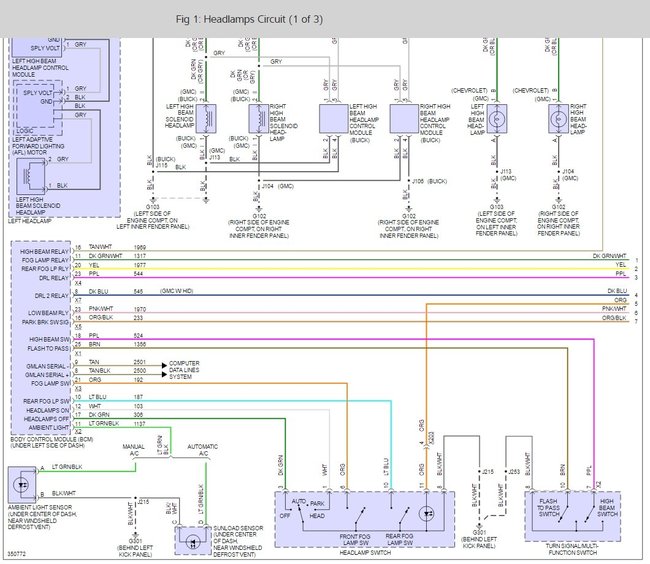
Can you please check to see if the fuse has power running through it? Also try disconnecting the battery and reconnecting it to reset the BCM. If this doesn't work then check the system grounds. Here are wiring diagrams to help you with the testing. Connect the test light to power of the battery to check the grounds. You may have a headlight ballast that is out.

Please let us know what you find so it will help others.

Best, Ken
Was this
answer
helpful?
Yes
No
+7
Friday, February 24th, 2017 AT 11:26 AM

Please login or register to post a reply.