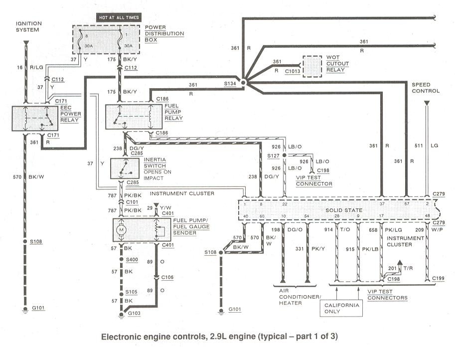
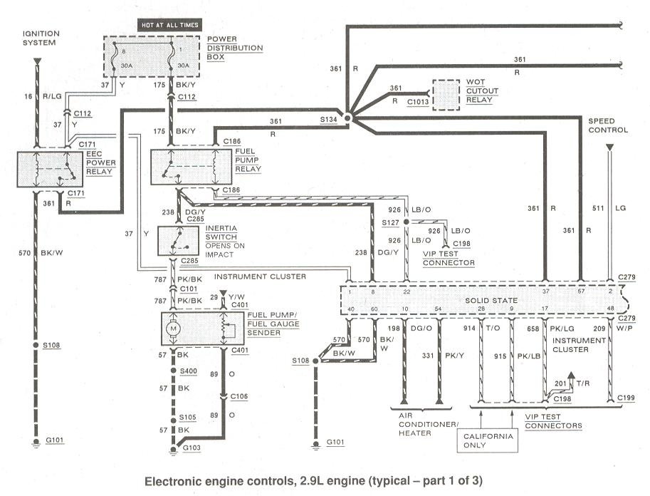
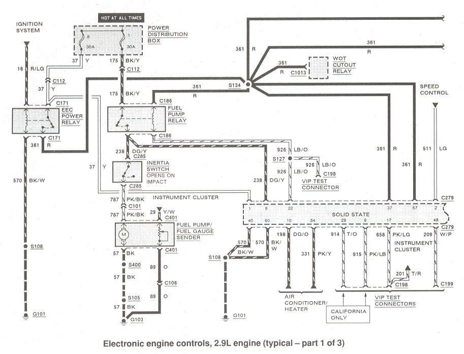
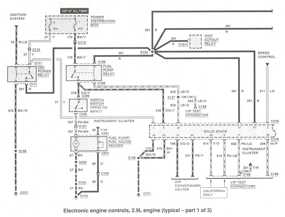
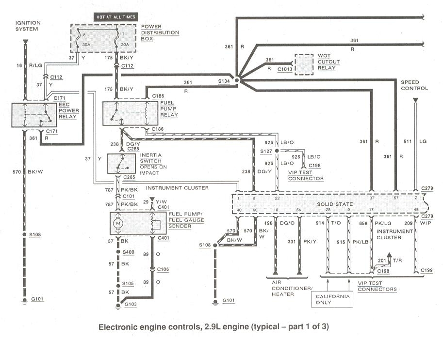
Monday, October 14th, 2019 AT 7:06 PM
I changed coil cap and rotor ignition mod on back of distributor, now not getting power to fuel pumps and computer. Please help.











