Saturday, December 12th, 2020 AT 5:18 AM
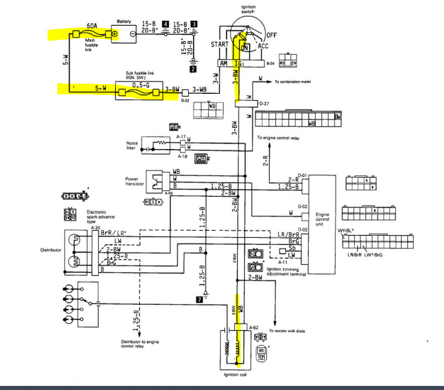
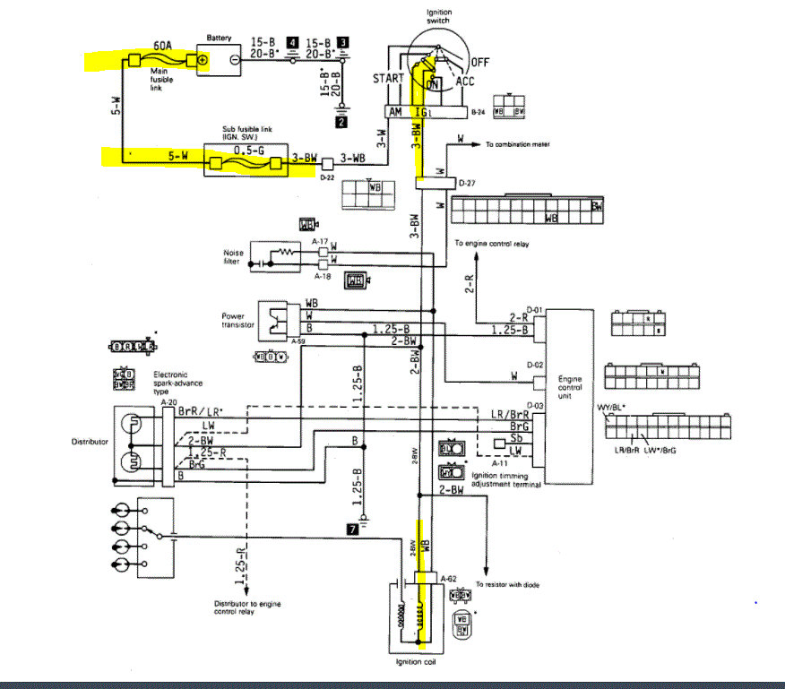
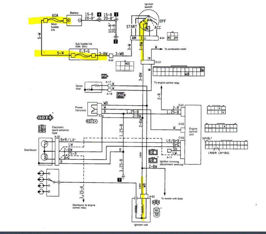
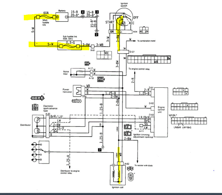
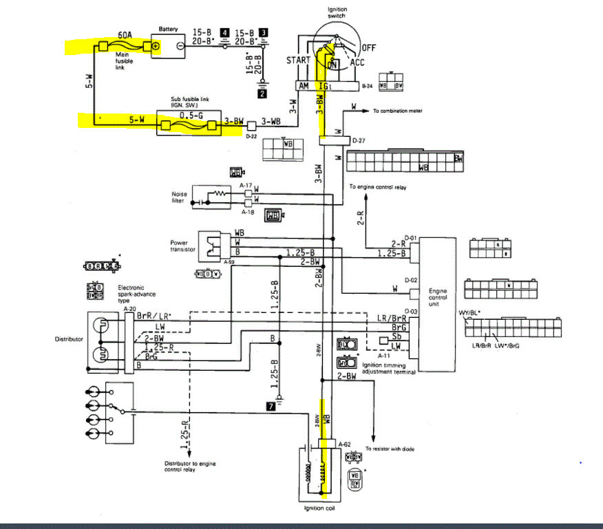
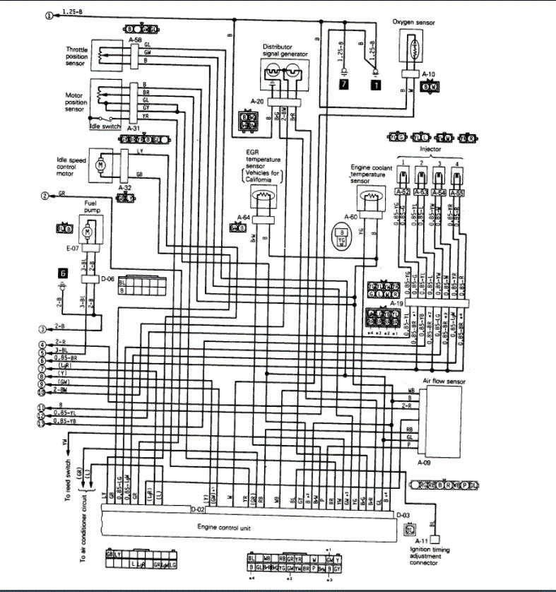
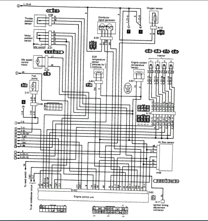
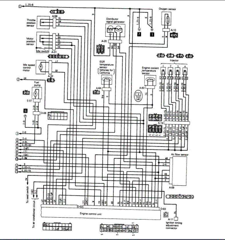
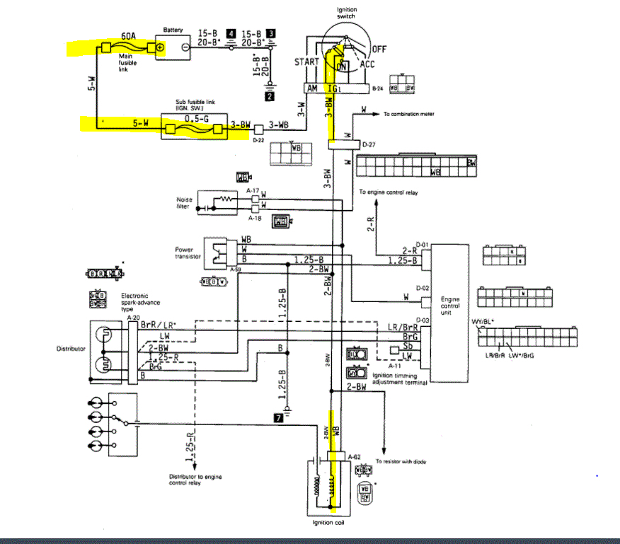
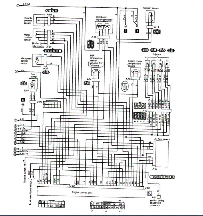
I have another problem with this little truck. I tried to start the engine and it would not start. I checked for fire at the plugs and wasn't getting any. I checked for fire at the high tension from coil and wasn't getting any, I then checked for voltage to the coil and wasn't reading any. I had my son to turn starter over and checked for voltage, none. This truck listed above is a Power Ram 50, four cylinder 4G64 Mitsubishi engine. I recently rebuilt engine. Can you help with this problem? Thanks, Donn1





