Tuesday, April 23rd, 2019 AT 3:03 PM
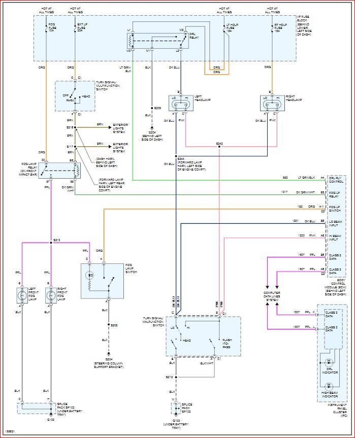
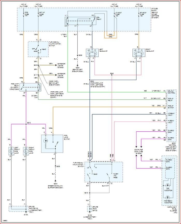
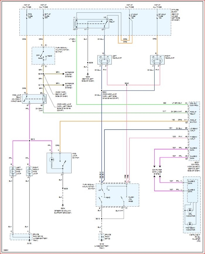
My daytime running lights and low beams don’t work my high beams do. If I turn my lights on before I put the car in gear I only have high beams. If I put the car in gear before I turn the lights on the headlight indicator flashes rapidly. And then the service light shows up on the console!


