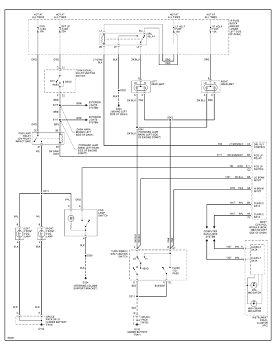
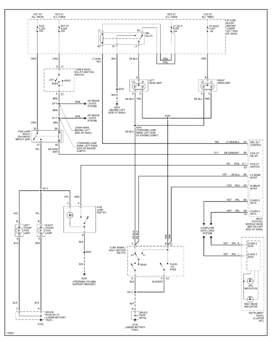
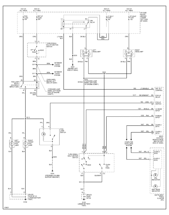
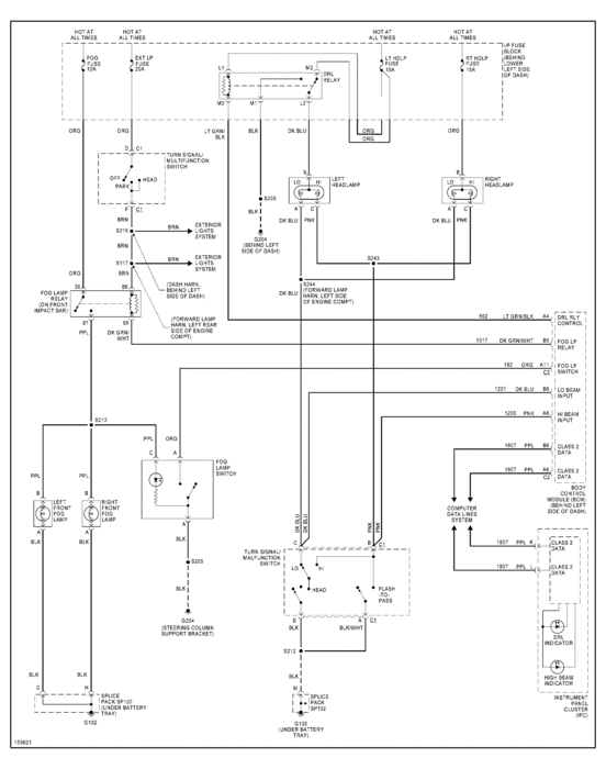
When I switch from my low beam head lights to the high beams the head lights go completely out. The High beam light on the dash lights up, but no high beams. When I switch back to the low beams they work fine. When I start the car up and leave the day time running lights on they flash on and off about 15 times and then the service light goes on on my dash. So my daytime running lamps and normal headlights stopped working. My high beams work fine. I have already replaced my DRL relay, cleaned and hard wired the grounds under the battery box, and cleaned and hardwired the junction box that normally gets corroded under the battery box (even though it wasn't that bad). So when I start the car, everything is the way is supposed to be. But when I disengage the parking brake, My drl relay clicks, my DRL flickers on and than stays off, my DRL symbol on dash flickers on than stays off, then the service engine light turns on. My regular headlights still dont work, but high beams work. Also, both bulbs have been replaced with brand new ones. What might still be the problem? Im scratching my head on this one.
Friday, April 3rd, 2009 AT 5:05 PM





