Monday, September 12th, 2022 AT 4:09 PM
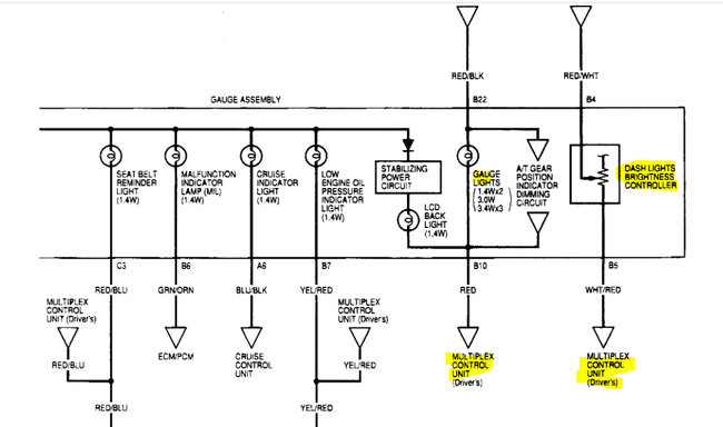
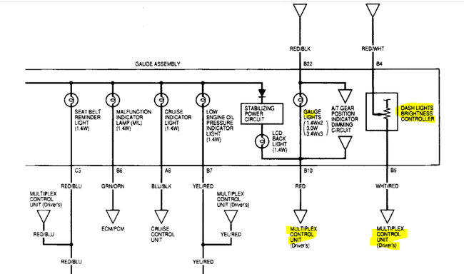
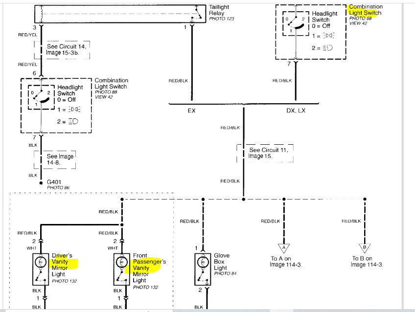
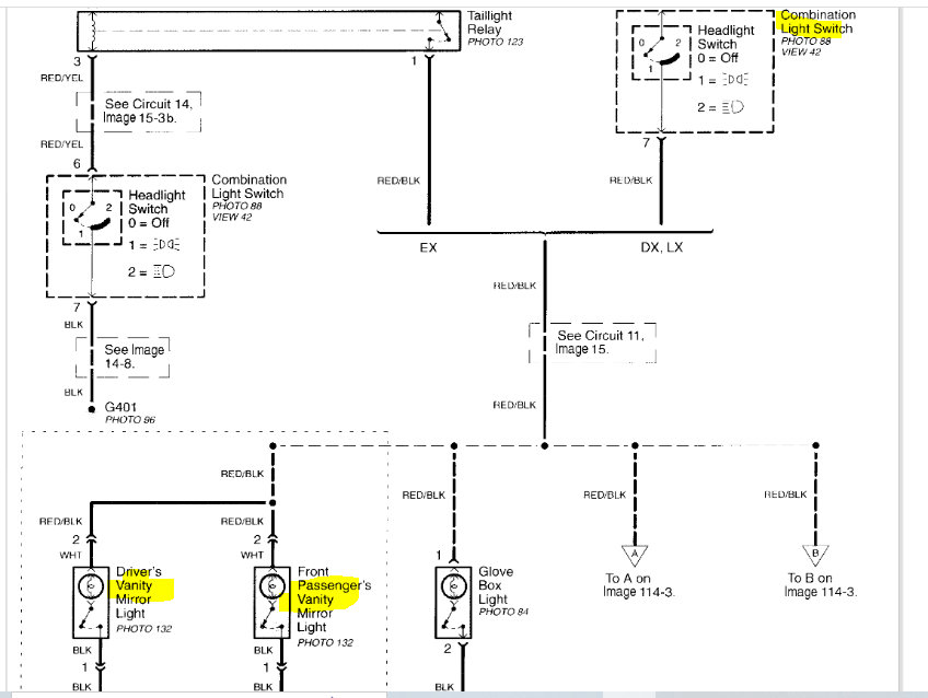
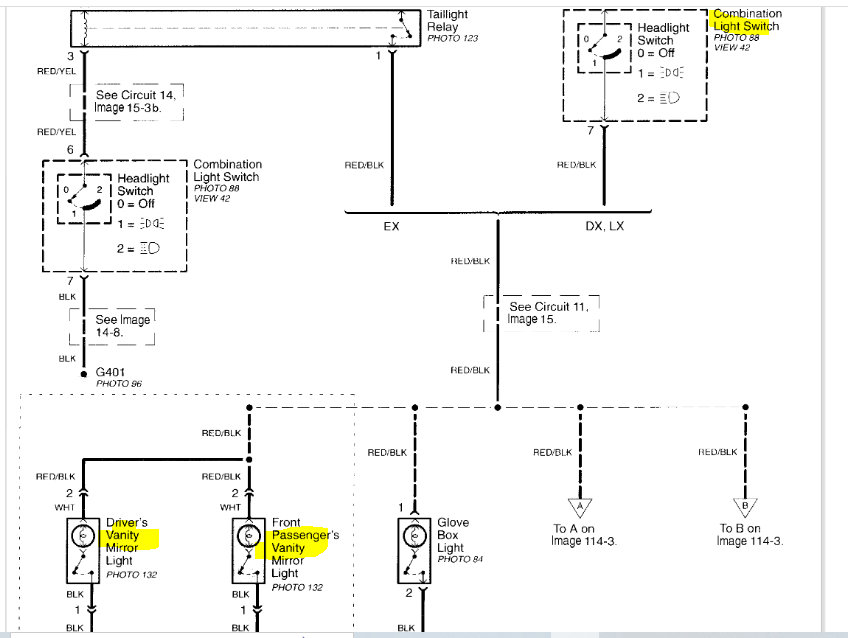
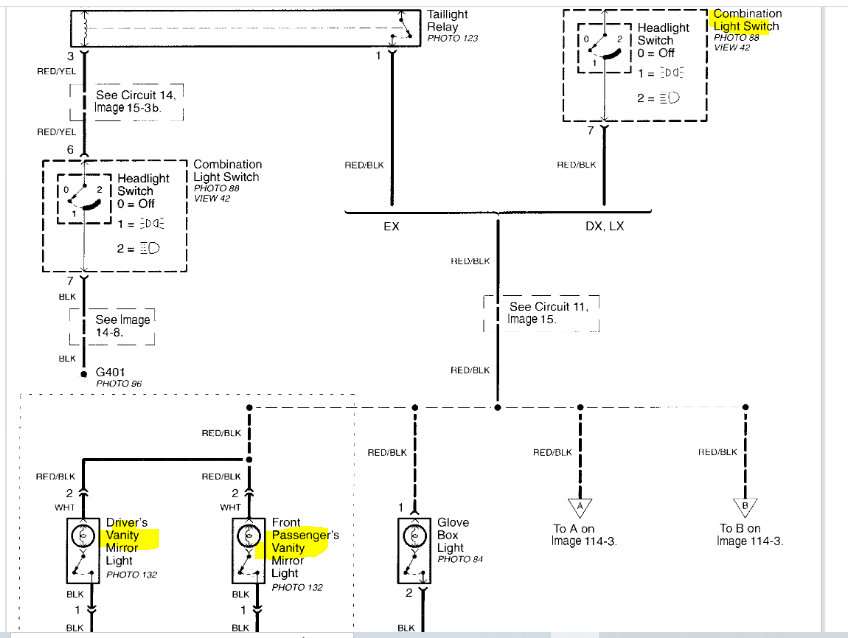
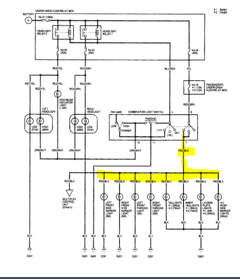
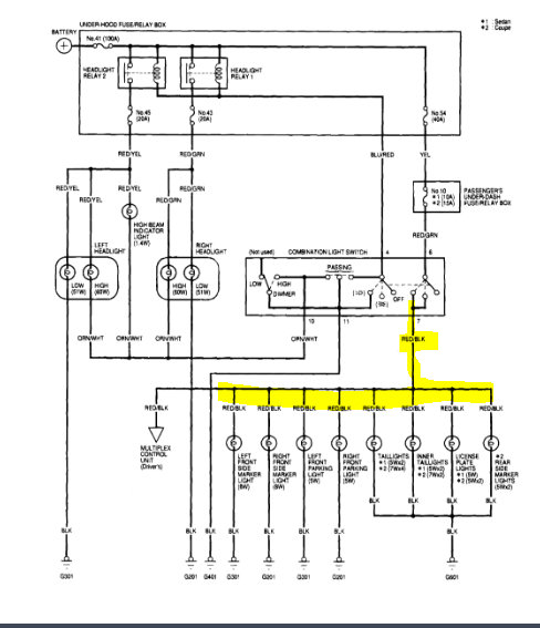
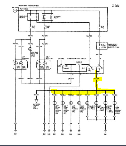
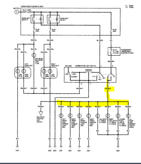
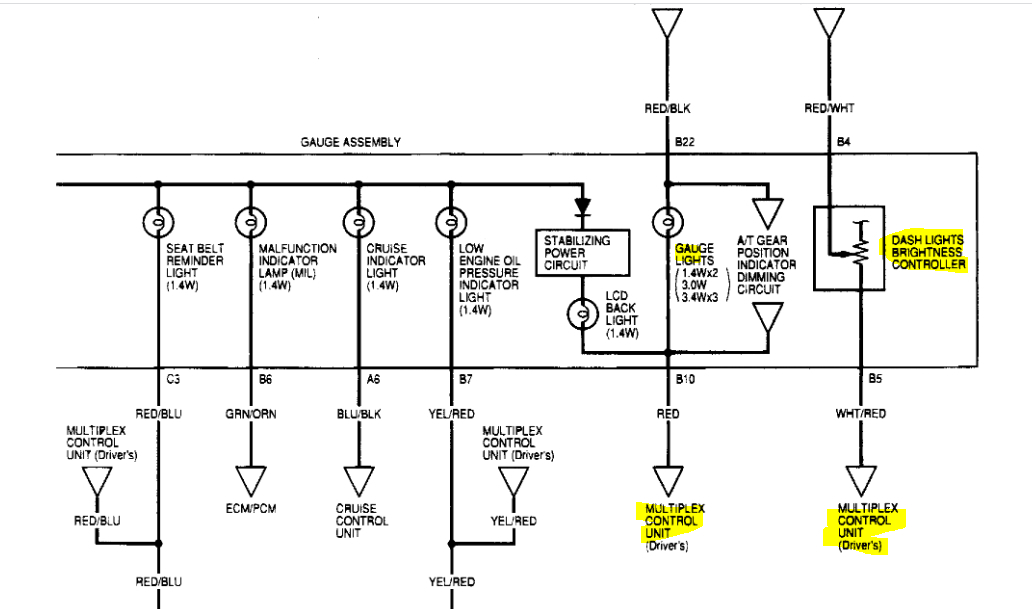
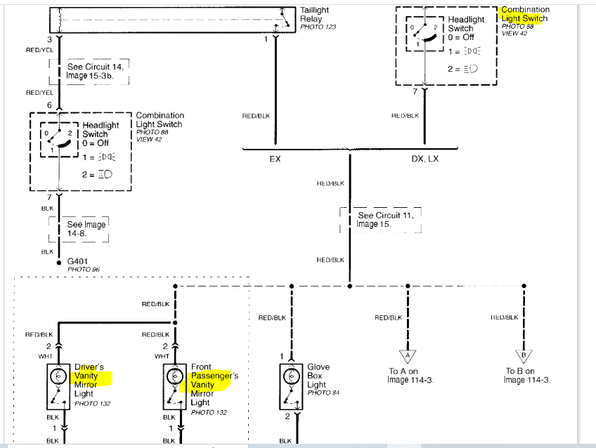
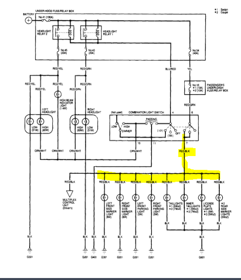
Dash lights and taillights and vanity lights are not working. Headlights work, turn signals work, brake lights work. I checked all fuses on the left, right, under the hood. All okay. I hear a relay clicking from passenger side fuse box when taillights, headlight switch is turned on. I tried the bypass that I read about on connector of instrument cluster and did not solve problem. I'm wondering if perhaps it is the on column light switch but need a little more information on testing it. I am capable with a multimeter. Thank you, Ed















