Taillights and Dash lights do not work

Tiny
MAPARMAN
  • MEMBER
  • 2001 HONDA ACCORD
  • 152,000 MILES
Honda Accord, 2001: Taillights and Dash lights do not work. I understand from some internet search that the problem night be the Multiplex Control Unit (MCU). Do you have any insight on the cause, and is there a way to check the MCU
Headlights work
Turn signals work
Hazard lights work
Break lights work
Fuses all good
Wednesday, May 15th, 2013 AT 6:03 AM

8 Replies

Tiny
WRENCHTECH
  • MECHANIC
  • 20,761 POSTS
Hello,

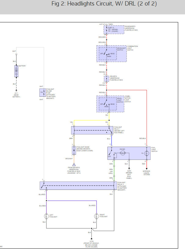
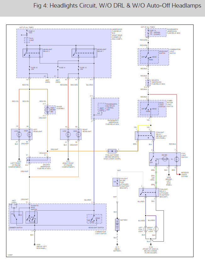
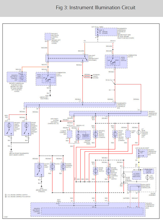
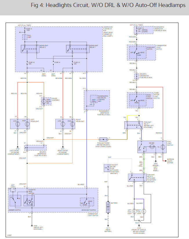
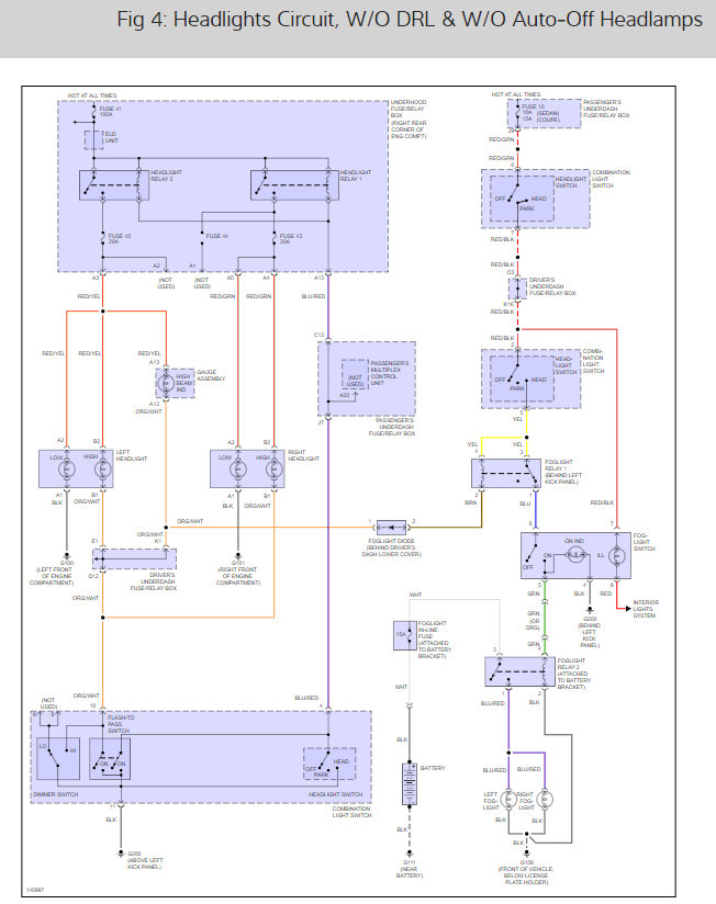
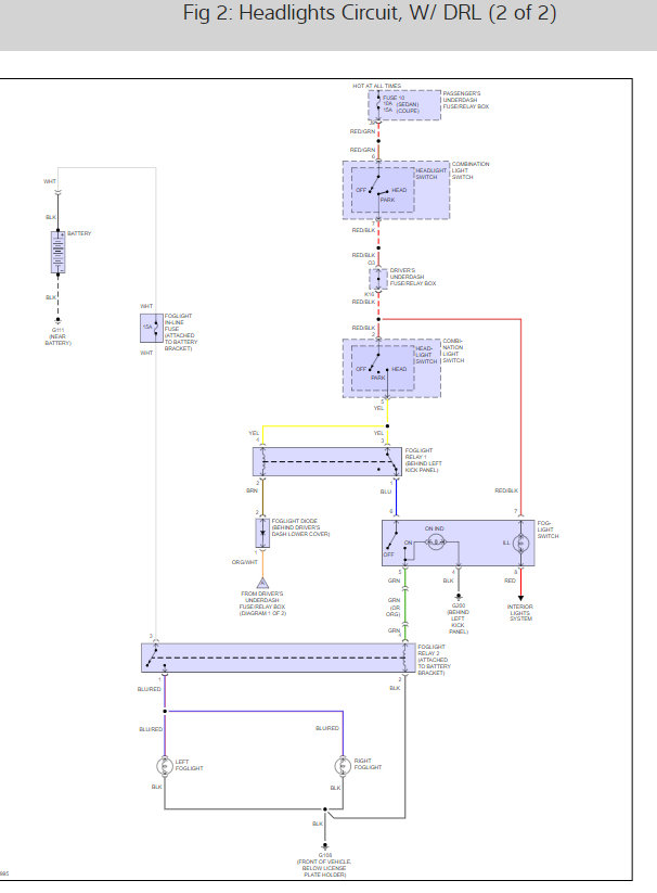
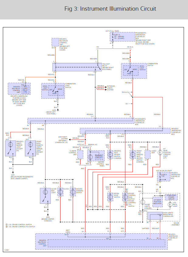
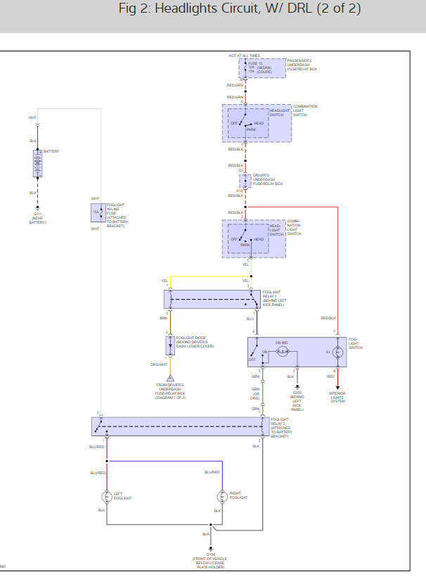
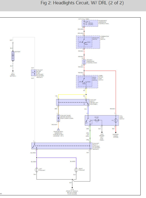
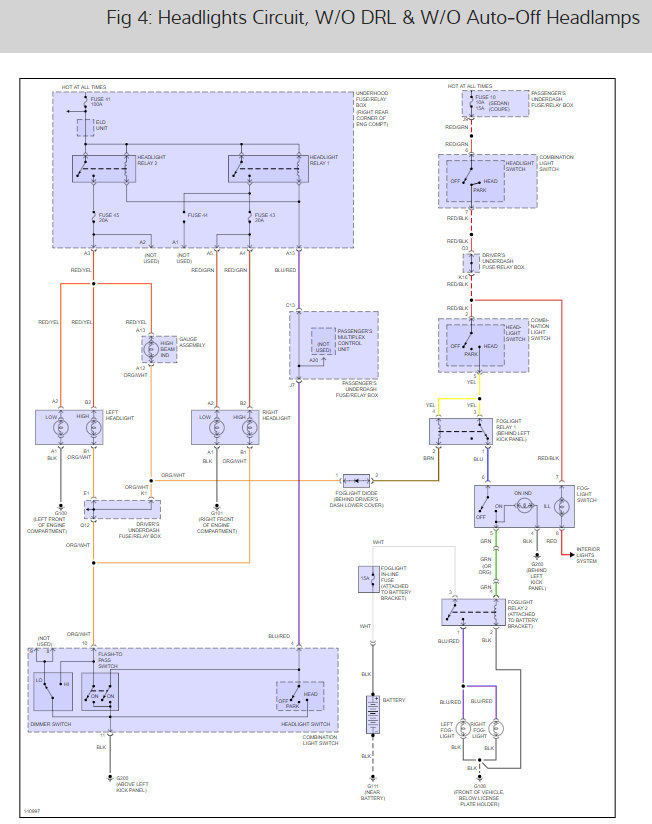
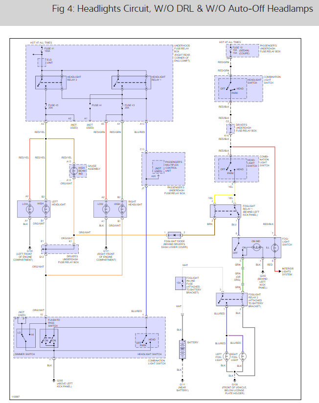
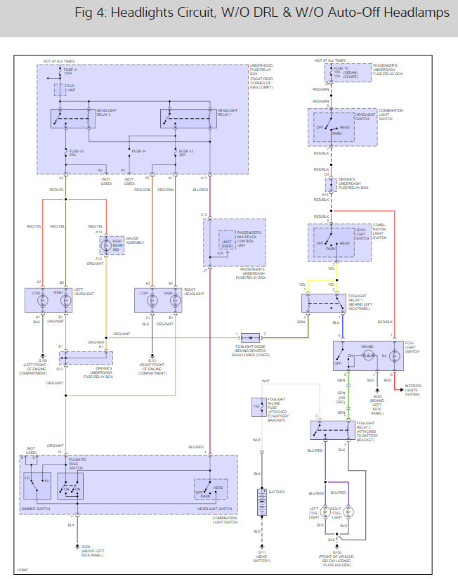
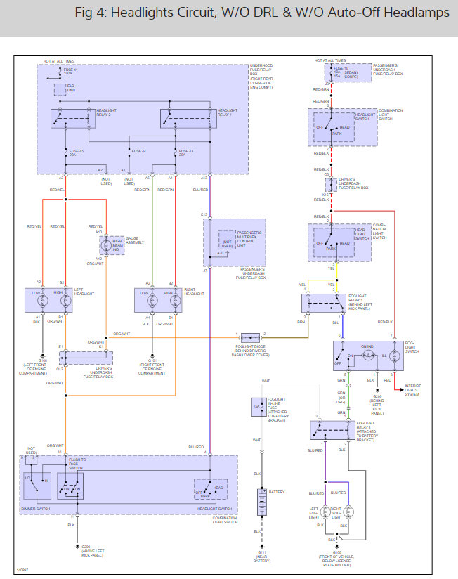
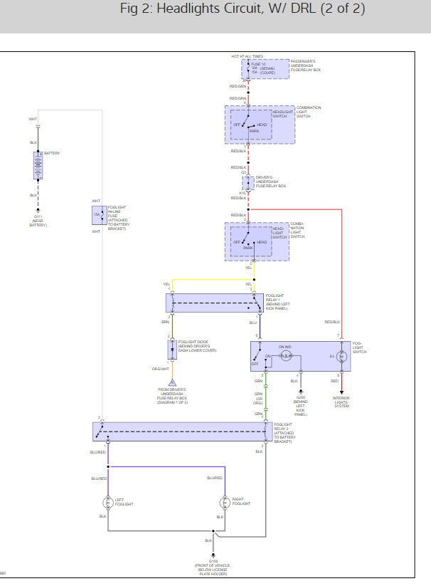
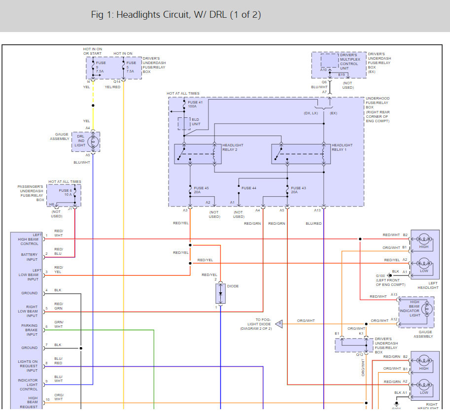
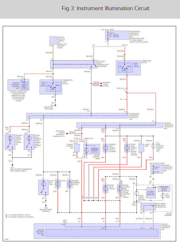
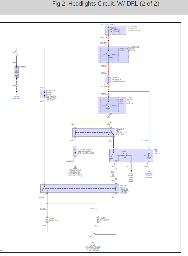
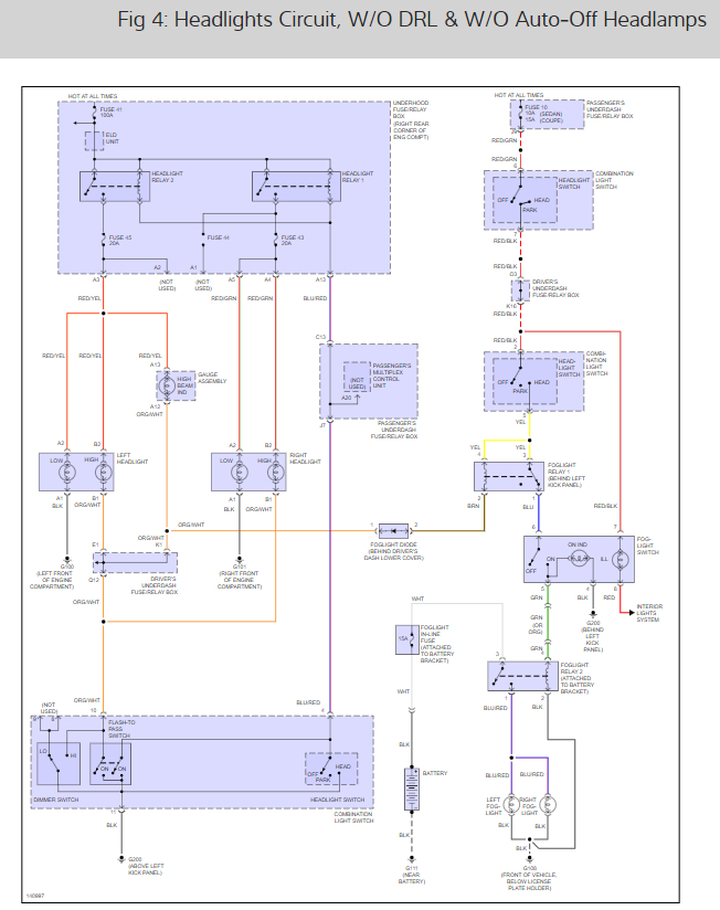
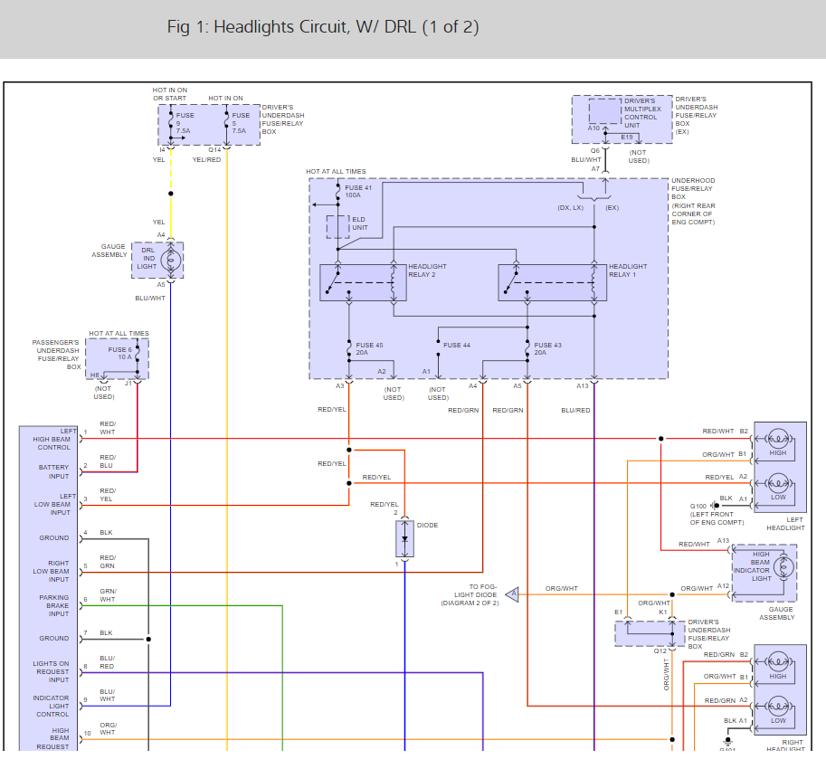
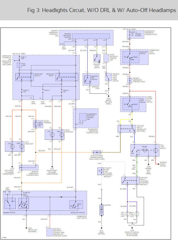
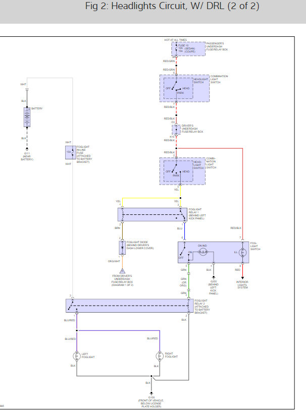
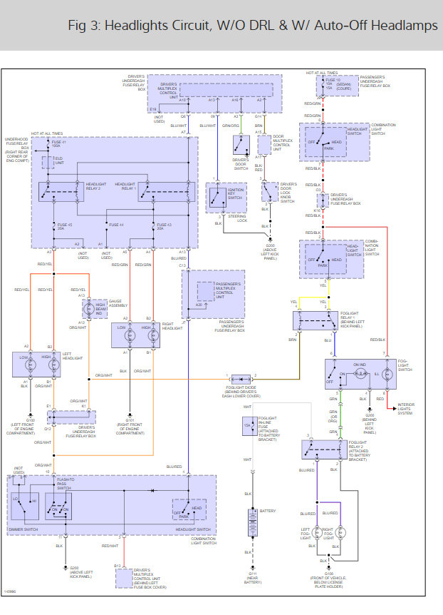
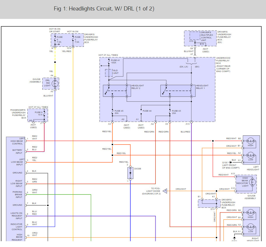
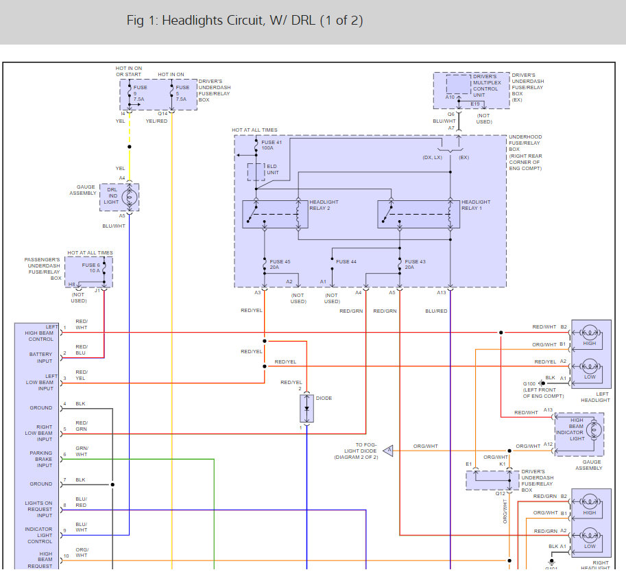
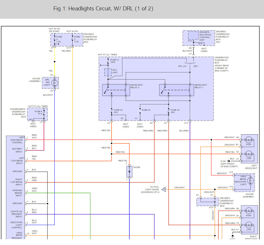
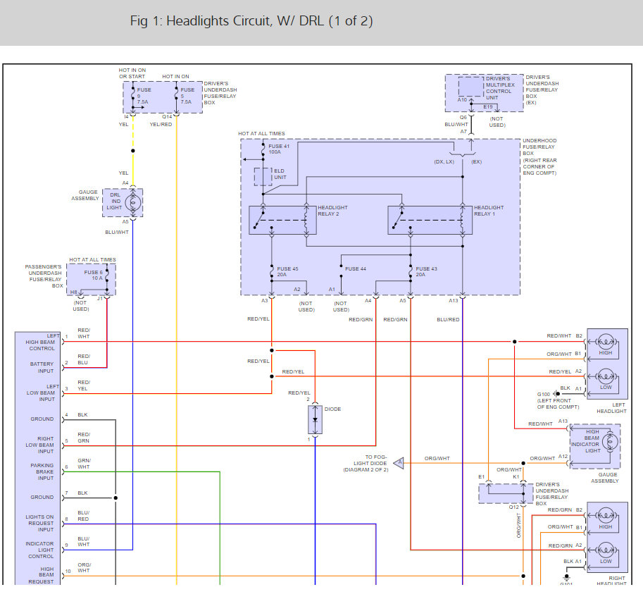
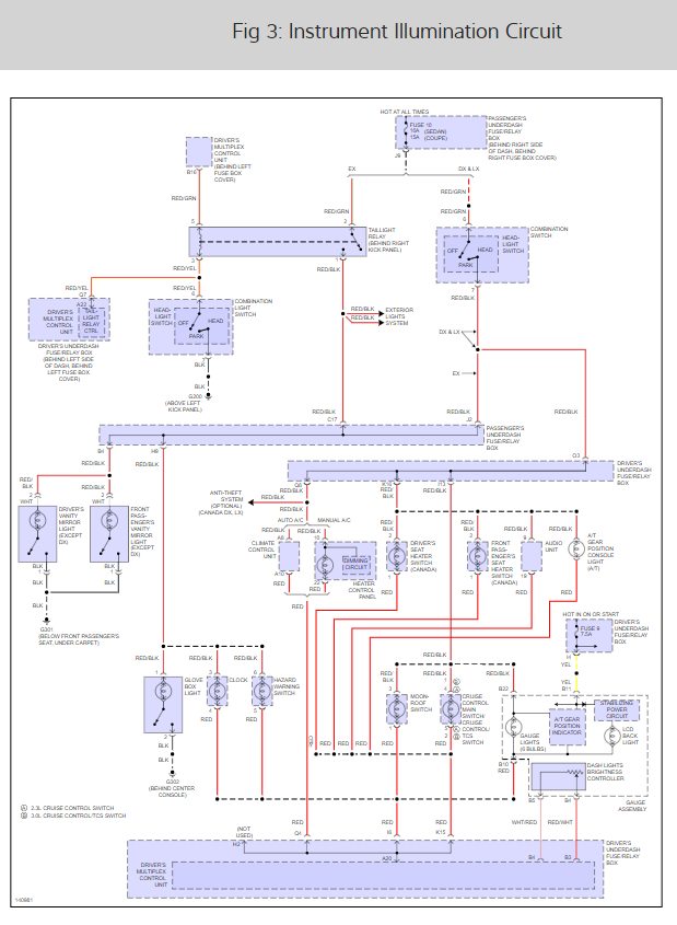
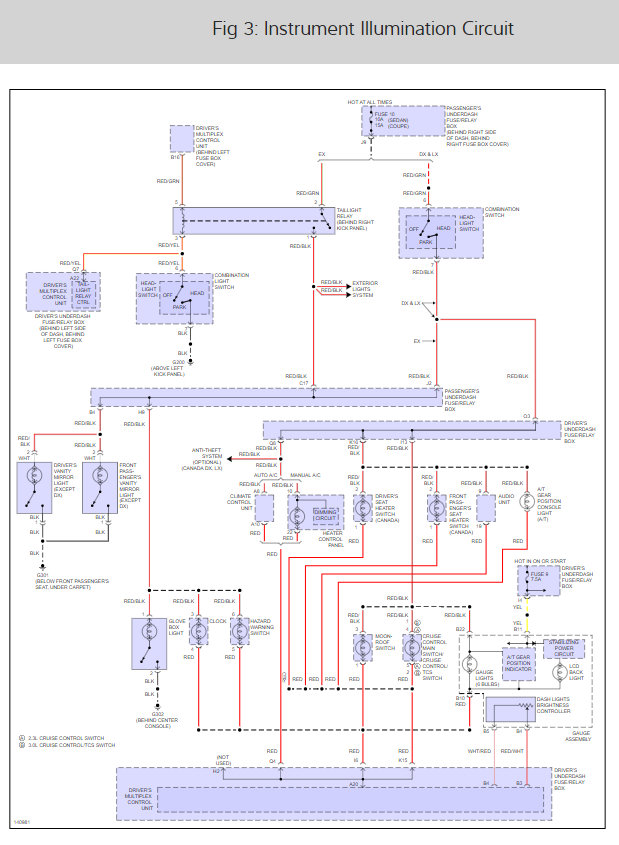
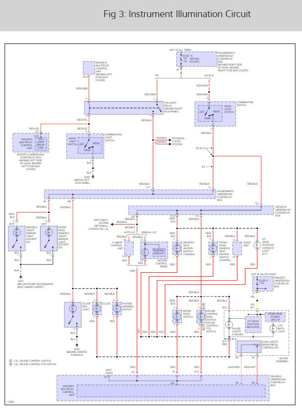
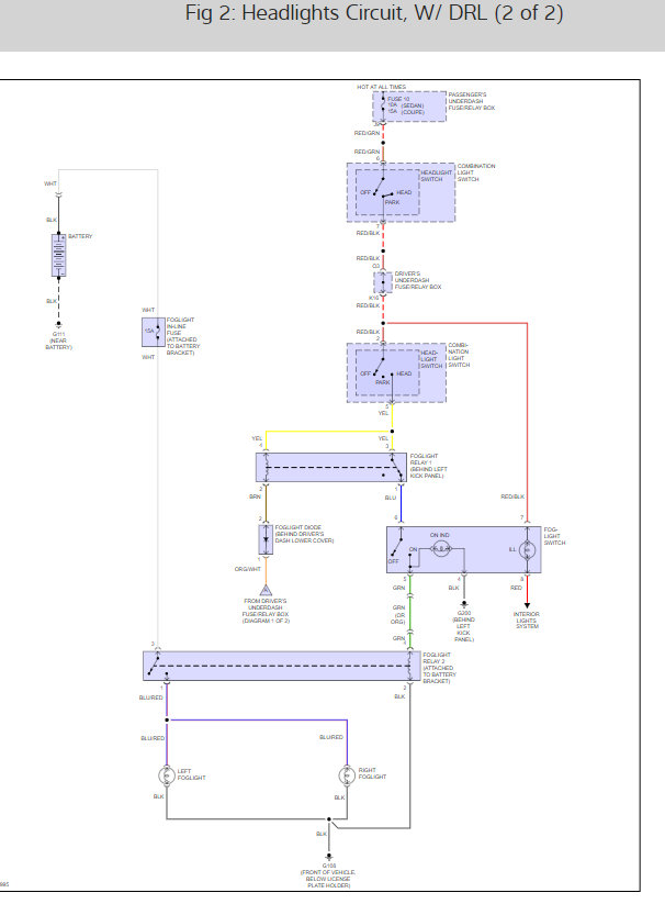
There is a tail light relay that goes out in these cars here is a tail light and dash light wiring diagram so you can see how it works and see the tail light relay powers both of those check it out.

https://www.2carpros.com/articles/how-to-check-an-electrical-relay-and-wiring-control-circuit

Here are the diagrams fuse and relay locations

Check out the diagrams (Below)

Please let us know what you find. We are interested to see what it is.

Cheers
Was this
answer
helpful?
Yes
No
Wednesday, May 15th, 2013 AT 7:08 AM
Tiny
MAPARMAN
  • MEMBER
  • 4 POSTS
Thanks for the diagrams, but I double checked the #10 fuse. Sure enough, it was bad. I changed the fuse and all works well. Thanks for your help.
Was this
answer
helpful?
Yes
No
Monday, May 20th, 2013 AT 5:17 AM
Tiny
WRENCHTECH
  • MECHANIC
  • 20,761 POSTS
Glad to here you found it. You still may have an issue with what blew the fuse in the first place but time will tell.
Was this
answer
helpful?
Yes
No
-1
Monday, May 20th, 2013 AT 5:37 AM
Tiny
MAPARMAN
  • MEMBER
  • 4 POSTS
I purchased the car used, and there was an aftermarket radio and alarm system installed... The fuse for the radio had blown as well. My daughter had the car for three years before any issues started. I suspect that you are spot-on with your assessment--Thanks again for your help.
Was this
answer
helpful?
Yes
No
Monday, May 20th, 2013 AT 5:50 AM
Tiny
MAPARMAN
  • MEMBER
  • 4 POSTS
Problem came back. Now the #10 fuse blows every time I turn on the headlights. So I checked the tail light wiring connectors and one was melted once I fixed it the problem when away.
Was this
answer
helpful?
Yes
No
+2
Friday, June 7th, 2013 AT 11:16 AM
Tiny
WRENCHTECH
  • MECHANIC
  • 20,761 POSTS
Glad you could get it fixed, that kind of problem can be tough. Please use 2CarPros anytime we are here to help

Cheers
Was this
answer
helpful?
Yes
No
Friday, June 7th, 2013 AT 11:49 AM
Tiny
REGANWELBORN
  • MEMBER
  • 2 POSTS
I have a similar problem. I would put in the fuse, the instrument illumination lights, running lights front and rear, would come on but never go off, no matter the headlight switch position. For a bit I was just pulling the fuse thinking "this stinks but I will get around to fixing it." Now every time I put that fuse in, it blows instantly. And to top it off, now none of the windows are working now, separate from the fuse blowing. Checked all the fuses to the power windows including main under the hood, no luck.
Was this
answer
helpful?
Yes
No
Saturday, August 11th, 2018 AT 2:15 PM
Tiny
KEN L
  • MASTER CERTIFIED MECHANIC
  • 55,440 POSTS
This sounds like two separate problems. The window issue please start a new question

Please post your new question here, you must be logged in.

https://www.2carpros.com/questions/new

Lets start with the fuse blowing which I have seen a shorted/melted bulb or socket cause the fuse to blow. Here is a guide to help us get started:

https://www.2carpros.com/articles/no-tail-lights-exterior-running-lights-tail-lights-out

and

https://www.2carpros.com/articles/brake-lights-not-working

Check out the bulb with the terminals melted together.

Please run down this guide and report back.

Cheers, Ken
Was this
answer
helpful?
Yes
No
Tuesday, August 14th, 2018 AT 12:02 PM

Please login or register to post a reply.