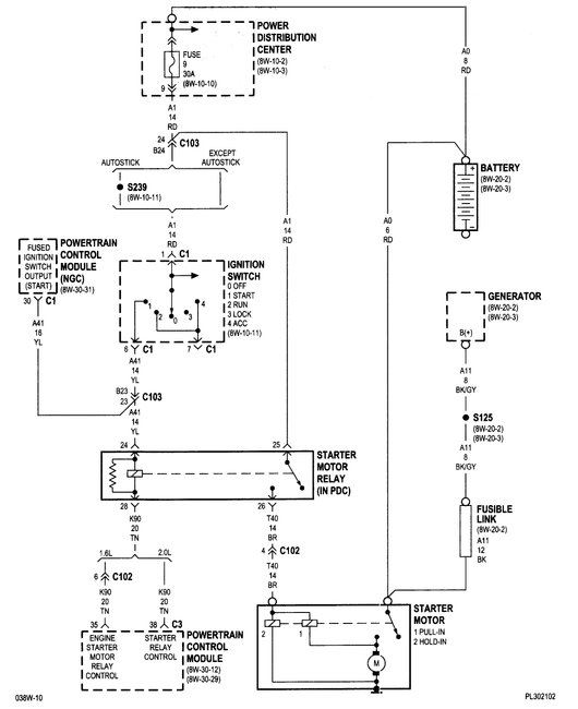
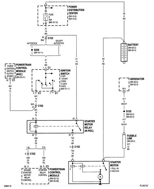
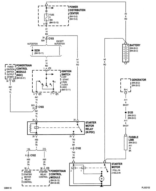
Thursday, October 19th, 2017 AT 3:21 PM
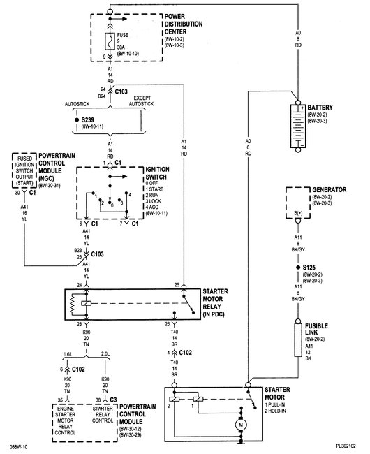
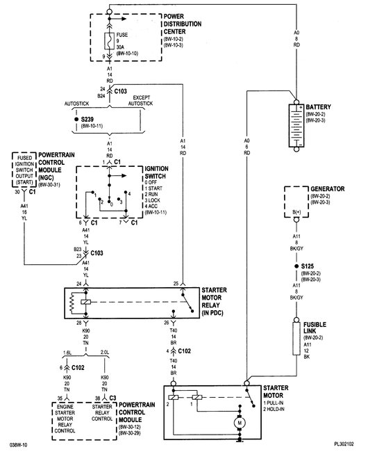
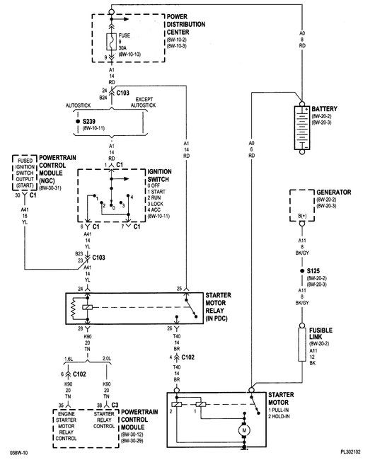
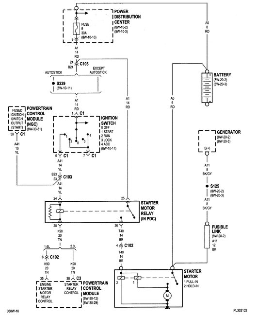
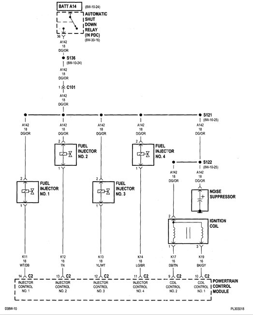
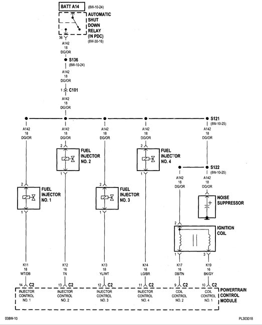
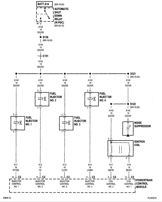
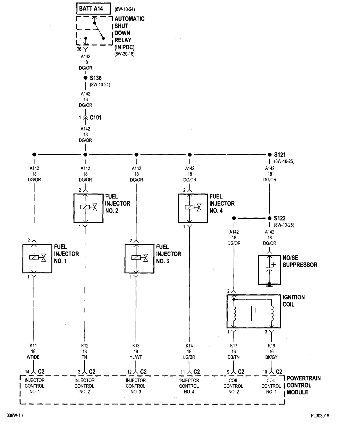
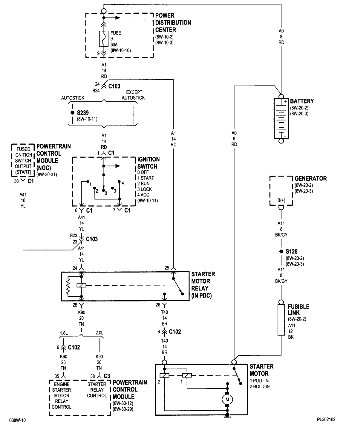
I changed the whole ignition wiring harness on my car (it is the SXT model). It is a used harness but it is exactly the same. When I go to start it I get nothing when I turn the key. Everything lights up normally but no clicking sounds or anything.





