No crank no start

Tiny
GRACIE JACKSON
  • MEMBER
  • 2004 BUICK RENDEZVOUS
  • 3.4L
  • 6 CYL
  • 2WD
  • AUTOMATIC
  • 176,000 MILES
Will not crank or start. We have power and when trying to start there is a clicking noise coming from the fuse box. We replaced the starter, alternator, BCM, ignition control module, coil packs all withing the week with no change.
Sunday, April 8th, 2018 AT 8:09 AM

54 Replies

Tiny
PATENTED_REPAIR_PRO
  • MECHANIC
  • 1,853 POSTS
Check the available voltage at the battery first, it should be twelve volts and not drop below 9.6 volts with the key on start trying to crank the starter over.
Was this
answer
helpful?
Yes
No
Sunday, April 8th, 2018 AT 8:16 AM
Tiny
GRACIE JACKSON
  • MEMBER
  • 29 POSTS
Thank you, the battery was bad so we bought a new one and changed that. It still does not start but now the radio reads "locked". Do you think we need to change the BCM back to the old one?
Was this
answer
helpful?
Yes
No
+1
Sunday, April 8th, 2018 AT 5:33 PM
Tiny
PATENTED_REPAIR_PRO
  • MECHANIC
  • 1,853 POSTS
No, for the radio just unlock it with the code.
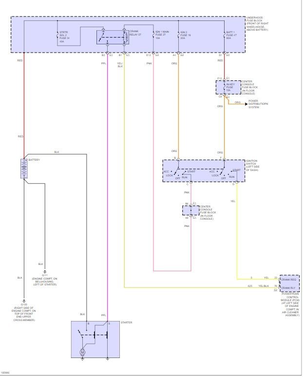
As far as the no crank, since the battery is new and it appears the starter relay is clicking, it may be the fuse for the other 1/2 of that relay.
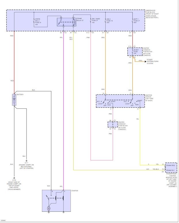
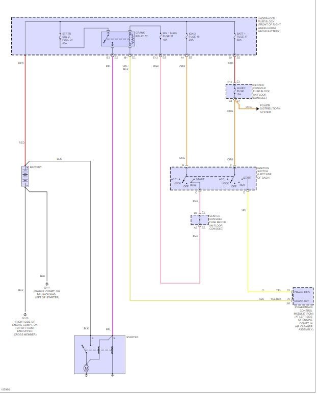
Check the "STRTR SOL 2" # 34 fuse in the underhood fuse block.
Was this
answer
helpful?
Yes
No
+2
Sunday, April 8th, 2018 AT 5:58 PM
Tiny
GRACIE JACKSON
  • MEMBER
  • 29 POSTS
Okay, the #34 fuse, is that the 40 amp green fuse that is about three quarters of an inch long?
Was this
answer
helpful?
Yes
No
+2
Sunday, April 8th, 2018 AT 6:45 PM
Tiny
PATENTED_REPAIR_PRO
  • MECHANIC
  • 1,853 POSTS
It is a 40a, #34 in the corner shown here.
Was this
answer
helpful?
Yes
No
-1
Sunday, April 8th, 2018 AT 7:11 PM
Tiny
GRACIE JACKSON
  • MEMBER
  • 29 POSTS
Okay, I just picked up the fuse and the guy said the other one did not look bad at all. I am going to put it in when I get back in about half an hour.
Was this
answer
helpful?
Yes
No
-2
Monday, April 9th, 2018 AT 11:00 AM
Tiny
PATENTED_REPAIR_PRO
  • MECHANIC
  • 1,853 POSTS
Okay, if it is not blown and replacing it does not work. Try a new relay, so you might as well pickup a new starter relay while you are still at the store. Maybe even a twelve volt test light or multi-meter with a voltmeter on it so you can test that #34 fuse to see if it actually has voltage.
Was this
answer
helpful?
Yes
No
Monday, April 9th, 2018 AT 11:06 AM
Tiny
GRACIE JACKSON
  • MEMBER
  • 29 POSTS
We changed the fuse and no change except for the click noise is coming from under the dash. There is a fuse box there too.
Was this
answer
helpful?
Yes
No
-1
Monday, April 9th, 2018 AT 1:16 PM
Tiny
PATENTED_REPAIR_PRO
  • MECHANIC
  • 1,853 POSTS
That is why it is always best to use a voltmeter or at least a 12 volt test light and test the fuses, relays etc cause in most cases one fuse relay is fed from another fuse and/or relay.
So, with that done said, let's just test them fuses for voltage, with the key on or off according to the starter circuit wiring diagram. That clicking under the dash may or may not be related to this problem, I just assumed it was the starter relay clicking before.
Let me know the results of testing these fuses, and also put your finger tips on that starter relay under the hood and feel if it clicks once or not, when someone else first turns the key to start.
Relay 57 shown here under the hood.
Was this
answer
helpful?
Yes
No
+3
Monday, April 9th, 2018 AT 1:47 PM
Tiny
GRACIE JACKSON
  • MEMBER
  • 29 POSTS
Okay, we used the velomotor and when we lifted relay 57 so we could see the prong, we touched it and touched the ground and the car started but stalled right after.
Was this
answer
helpful?
Yes
No
Tuesday, April 10th, 2018 AT 10:02 AM
Tiny
PATENTED_REPAIR_PRO
  • MECHANIC
  • 1,853 POSTS
I assume you were jumping the relay.
Make sure you remember to have the key on run when jumping that relay because if not the fuel pump and fuel injectors will not be hot.
Was this
answer
helpful?
Yes
No
Tuesday, April 10th, 2018 AT 10:11 AM
Tiny
GRACIE JACKSON
  • MEMBER
  • 29 POSTS
Yes it was on, does that mean relay 57 is no good? Or is the wiring leading to that relay?
Was this
answer
helpful?
Yes
No
Tuesday, April 10th, 2018 AT 10:13 AM
Tiny
PATENTED_REPAIR_PRO
  • MECHANIC
  • 1,853 POSTS
It depends, I do not know exactly how you jumped inside that relay.
I assume you jumped from the spot that was hot all the time from the strtr sol 2 fuse #34 to the spot that goes down to the starter.
If so, that does not check out any of them other fuses, so use the voltmeter and check them other fuses, IGN3 #19, BATT 1 #47 under hood, In KEY fuse in the center console fuse box, all hot all the times on both sides of each fuse, then the IGN Main #27 with the key on run/start both sides of the fuse, then feel if that #57 relay clicks or not when the key is turned to start.
Was this
answer
helpful?
Yes
No
+3
Tuesday, April 10th, 2018 AT 10:28 AM
Tiny
GRACIE JACKSON
  • MEMBER
  • 29 POSTS
Okay we did all except the last part the 27 and 57 because the battery drained. But the other ones were good.
Was this
answer
helpful?
Yes
No
-1
Tuesday, April 10th, 2018 AT 12:01 PM
Tiny
PATENTED_REPAIR_PRO
  • MECHANIC
  • 1,853 POSTS
Okay, charge the battery and finish the tests and let me know the results.
Was this
answer
helpful?
Yes
No
+1
Tuesday, April 10th, 2018 AT 12:35 PM
Tiny
GRACIE JACKSON
  • MEMBER
  • 29 POSTS
Okay me playing with the box those fuses are reading 2.99 and #47 is 3.00 but we do is draining the battery.
Was this
answer
helpful?
Yes
No
Tuesday, April 10th, 2018 AT 1:01 PM
Tiny
PATENTED_REPAIR_PRO
  • MECHANIC
  • 1,853 POSTS
Charge the battery back up until the battery reads twelve volts and repeat those tests.
Was this
answer
helpful?
Yes
No
+1
Tuesday, April 10th, 2018 AT 1:58 PM
Tiny
GRACIE JACKSON
  • MEMBER
  • 29 POSTS
Fuse 19 is 1262, fuse 34 is 1264 and 57 is 1224. It starts when we jump off a hot lead but the fuel pump does not engage.
Was this
answer
helpful?
Yes
No
+1
Tuesday, April 10th, 2018 AT 4:59 PM
Tiny
PATENTED_REPAIR_PRO
  • MECHANIC
  • 1,853 POSTS
What are you jumping to?
Also, when you jump, is the starter just cranking the engine over or does the engine actually start?
If the fuel pump is not running, I do not see how the engine can start, I can see the starter cranking the engine over and a no start.
Plus you forgot fuses #27, #3, #47 and that In Key fuse in the center console fuse block.
What is 57, cause that was supposed to be a relay, not a fuse.
Was this
answer
helpful?
Yes
No
Tuesday, April 10th, 2018 AT 5:28 PM
Tiny
GRACIE JACKSON
  • MEMBER
  • 29 POSTS
I am jumping off the relay #57. The prong I will check the center one in the morning. Thanks for reminding me.
Was this
answer
helpful?
Yes
No
+1
Tuesday, April 10th, 2018 AT 5:58 PM

Please login or register to post a reply.