Thursday, December 30th, 2021 AT 5:07 PM
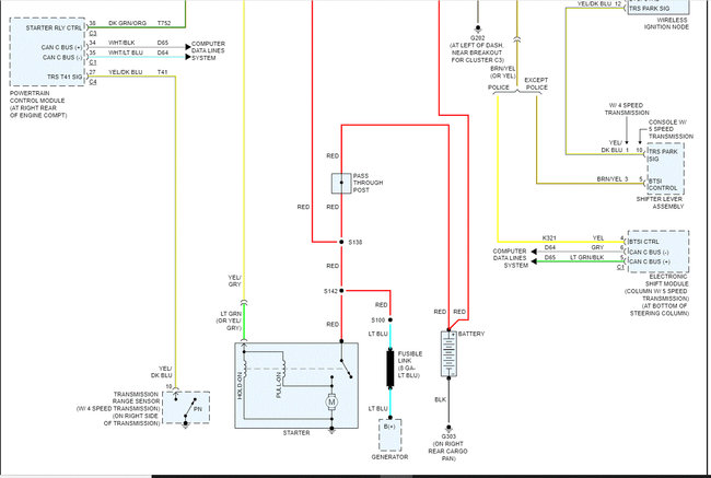
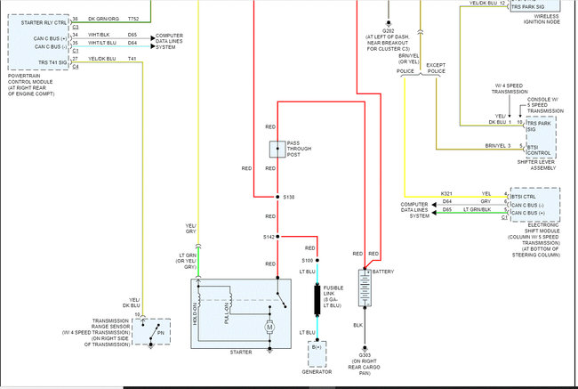
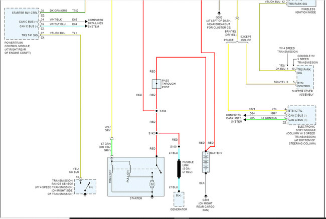
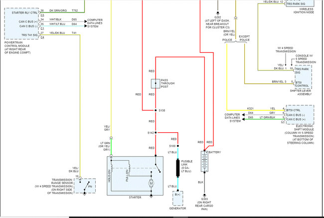
Recently when I got into start it and leave it started just fine and I went to turn the lights on because it was dark and noticed that they were already on without the switch being turned. (Not automatic headlights.) So, I then looked at the dash and the lights were on but none of the gauges worked, or the brake lights, or the blinkers, and where it displays the miles said "no bu5." I continued to drive it and it drove fine and after about 15 blocks everything started working again and the blinkers worked and all. It only did that one more time after that and has not done it again. A few weeks later is when it would not start anymore. Now when u turn the key to ACC position it dings, the dash comes on the gages work but as soon as you turn to the start position it does nothing at all. No noise no clicking no nothing. If you could please help me in the right direction I would appreciate it. Thank you






