Thursday, December 3rd, 2020 AT 7:36 AM
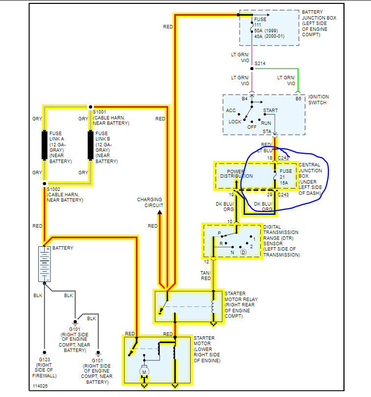
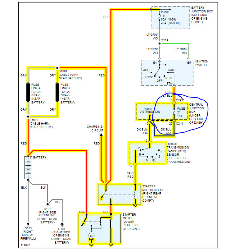
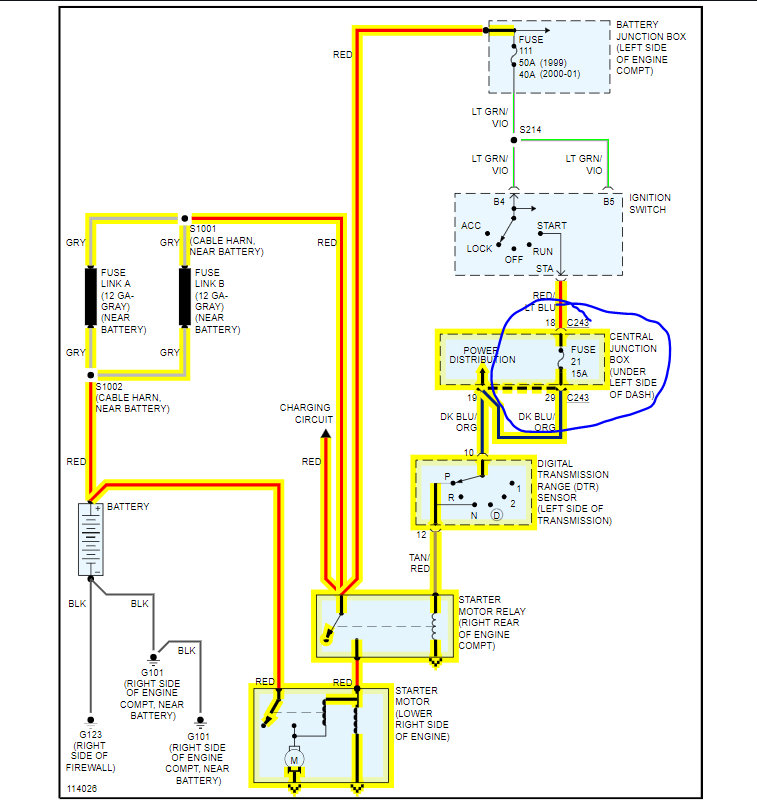
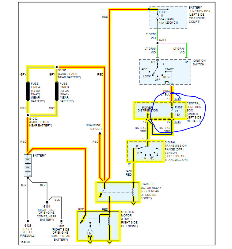
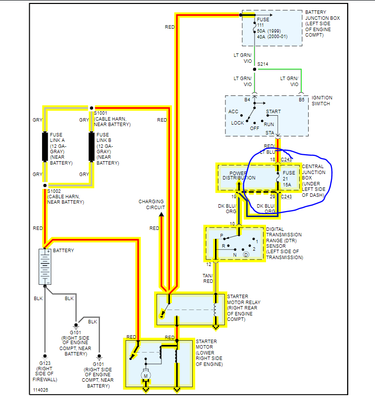
Transfer case motor stuck in 4×4 low. Replaced motor, sensor above motor wire out, replaced with junk yard sensor. Also replaced water pump and pulleys, thermostat, serpentine belt, replaced ignition switch, all lights come on in run, 4×4 light stays on when car is running, it's blinking. To get car to start I jump solenoid on firewall, checked wires the fuses there is no power on small wire from ignition to solenoid on firewall in the start position with key. Is that wire my problem? Because the 4×4 blinking I think that sensor is like neutral switch. Also and not sure but that won't let car start either. I'm so lost help.





