No crank no start?

Tiny
AL514
  • MECHANIC
  • 5,593 POSTS
Something else, I was just looking back at your original posts, at one point you mentioned you didn't have communications with the Fuel system, but it's setting a code for no comms with the BCM.
Before you go to all this BCM testing, let's unplug the Fuel Pump control module, and the transfer case control module, then rescan the truck.
These are known for issues because of the Fuel pump control module location above the spare tire, let's just try unplugging it and see what codes set. Make sure the key is off while unplugging modules.
Do them one at a time, scanning for codes in between. It's just a quick shot in the dark to see if either of them is messing with the networks. If nothing changes then go ahead with the BCM testing.
Was this
answer
helpful?
Yes
No
Saturday, August 19th, 2023 AT 9:28 AM
Tiny
JAVIERMLNDZ
  • MEMBER
  • 51 POSTS
Here are the codes without the fuel pump control module connected.
Was this
answer
helpful?
Yes
No
Saturday, August 19th, 2023 AT 11:00 AM
Tiny
JAVIERMLNDZ
  • MEMBER
  • 51 POSTS
I actually disconnected the transfer case control module last night and these are the codes I got. Still had the other U codes.
Was this
answer
helpful?
Yes
No
Saturday, August 19th, 2023 AT 11:04 AM
Tiny
JAVIERMLNDZ
  • MEMBER
  • 51 POSTS
I just redid the disconof the transfer case control module and got these codes.
Was this
answer
helpful?
Yes
No
Saturday, August 19th, 2023 AT 11:35 AM
Tiny
JAVIERMLNDZ
  • MEMBER
  • 51 POSTS
I rechecked the voltage on pin 10 dk Blu for transfer case control module and got 11.6 v. I think I got the wrong one last night and checked a dark blue with a white stripe, I checked this one right now as well and got 5v. My mistake.
Was this
answer
helpful?
Yes
No
Saturday, August 19th, 2023 AT 11:45 AM
Tiny
JAVIERMLNDZ
  • MEMBER
  • 51 POSTS
Update BCM connection X1 pin 2=.05v, 4=.053v, 8=.01v, 14=12.25v, 17=1v, 21=12.2v
X2 1=.035v, 2=12.3v, 5=.02v, 22=.245v.
Was this
answer
helpful?
Yes
No
Saturday, August 19th, 2023 AT 12:18 PM
Tiny
JAVIERMLNDZ
  • MEMBER
  • 51 POSTS
X3 1=ground good, 2=12.3v, 3=12.3v, 5=ground good, 8=2.7v, 9=2.3v, 10=.5-.7v, 12=.057v, 16=2.7v, 17=2.3v, 19=11.6v
Was this
answer
helpful?
Yes
No
Saturday, August 19th, 2023 AT 1:28 PM
Tiny
AL514
  • MECHANIC
  • 5,593 POSTS
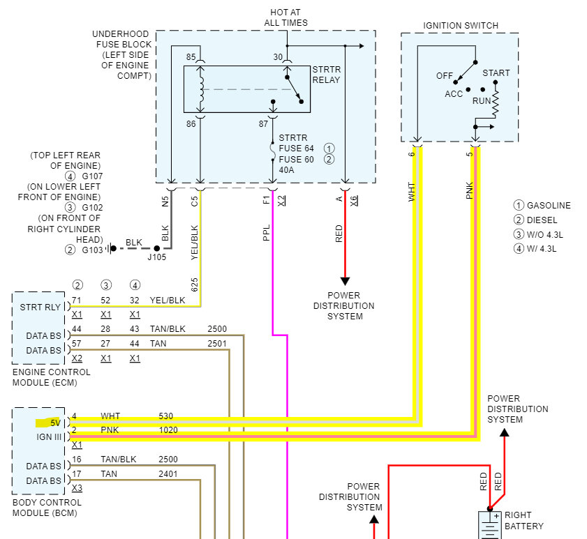
Okay, so you're missing some main power feeds there already. X1-pin2 should be 12v, pin4 should be the 5vRef, pin17 should be 12vRef coming out, and some other feeds on X3.

So, we need to figure out why those ignition feeds are missing.
Was this
answer
helpful?
Yes
No
Saturday, August 19th, 2023 AT 1:49 PM
Tiny
JAVIERMLNDZ
  • MEMBER
  • 51 POSTS
X4 1=12.8v, 2=12.8v, 3=12.8v, 4=12.8v, 9= ground good, 10=12.8v, 19=12.1v
X5 13=12.8v, 14=8.8v
Was this
answer
helpful?
Yes
No
Saturday, August 19th, 2023 AT 1:58 PM
Tiny
AL514
  • MECHANIC
  • 5,593 POSTS
So, it looks like all the power and ground feeds into the BCM are okay, they are at least there. But some outputs are not correct, this first one X1 pin4 outputs a 5volts to the Ignition switch and there should be some feed coming back on pin2 during Start, but the 5volts missing is strange. Then X3 pin12 should be another output 12volts reference which is not there. As well as there is no Low-Speed network voltage or its being shorted to ground by another module, but I don't know if that would take down the entire BCM. The X5 pin14 should also be 12volt ref output but its only 8.8volts. Which is also strange. I would think that the two 12vRefs would come from the same voltage regulator inside the BCM,
Unplug the comb/splice for the Low-Speed network, the one with all the green wires, and let's see if anything comes out X3 pin10. Let's see if the BCM outputs anything onto the Low-Speed Network then.
Was this
answer
helpful?
Yes
No
Saturday, August 19th, 2023 AT 2:42 PM
Tiny
JAVIERMLNDZ
  • MEMBER
  • 51 POSTS
I got.012v with comb out at pin 10 x3.
Was this
answer
helpful?
Yes
No
Saturday, August 19th, 2023 AT 2:58 PM
Tiny
AL514
  • MECHANIC
  • 5,593 POSTS
There is 1 Recall for the Chassis Control module along with some other module issues listed towards the bottom. There are also some Technical Service bulletins on BCM damage if a ground is temporarily lost. But it's always a difficult call to replace a module like this, there's also a TSB on problems with programming or reprogramming BCMs. I have seen quite a few of these fail, but I would be checking the High-speed bus with an oscilloscope to make sure there isn't something going on with the Terminating resistors, networks act strange when one of the resistors goes open circuit or if the Bus+ and Bus- short together.
The voltages you had with 2.7 and 2.3 are around the normal levels, but we have pretty much gone as far as we can go with a multimeter, all powers and grounds tested, the Low-Speed network output is completely missing, and some reference voltages are incorrect or missing.
When it comes to a no comms situation on a CANbus type network, we would start unplugging modules until the network came back to normal, but when the BCM controls everything, we can't do that and expect normal results. Plus, we have the Serial Data Comm Enable voltage, and Accessory Wakeup Serial Data voltage. But again, with that, we don't know if there are actual data packets being transmitted, or if that 12volt level is a short to voltage.

Diagrams 6 and 7 below are the final BCM testing flow chart before making a call on the module. Most of these we have already done and there is a warning about disconnecting any BCM connectors without disconnecting the Battery negative. But run through these and check anything you would like to. This flow chart has you unplugging modules testing for comms and then try replacing a Terminating resistor,

Read through those 2 pages and let me know if you want to try any of these tests. For example, on page 2 it has you disconnect the BCM connector 3 and attempt communication with the EBCM(ElectronicBrakeControlModule) and communication should not be capable. If it is replacing the ECM. This has to do with High-Speed comms through modules.

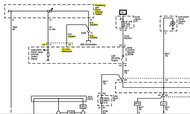
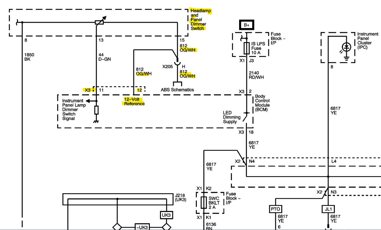
***The last thing we can do is check the Reference circuits coming out of the BCM, the 5vRef and the 12vRefs for any shorts to ground,
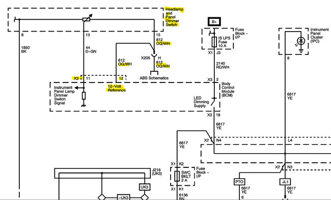
***The first one is to disconnect the Headlight Dimmer Switch. And check the Orange/White wire at the Dimmer switch for a returned 12volts. 8th Diagram
I'll find this other 12vRef as well.
Was this
answer
helpful?
Yes
No
Saturday, August 19th, 2023 AT 3:50 PM
Tiny
AL514
  • MECHANIC
  • 5,593 POSTS
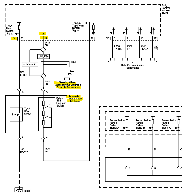
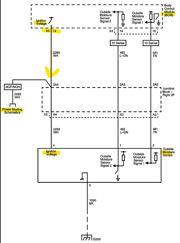
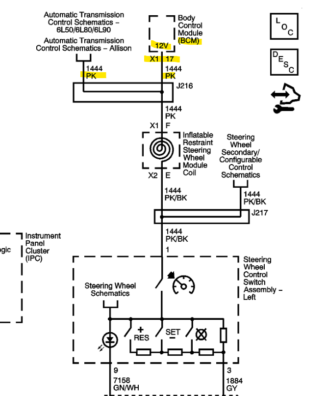
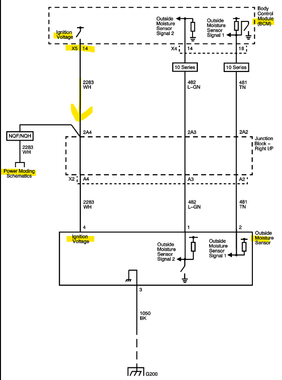
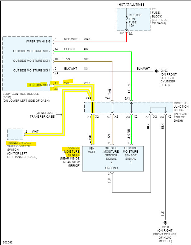
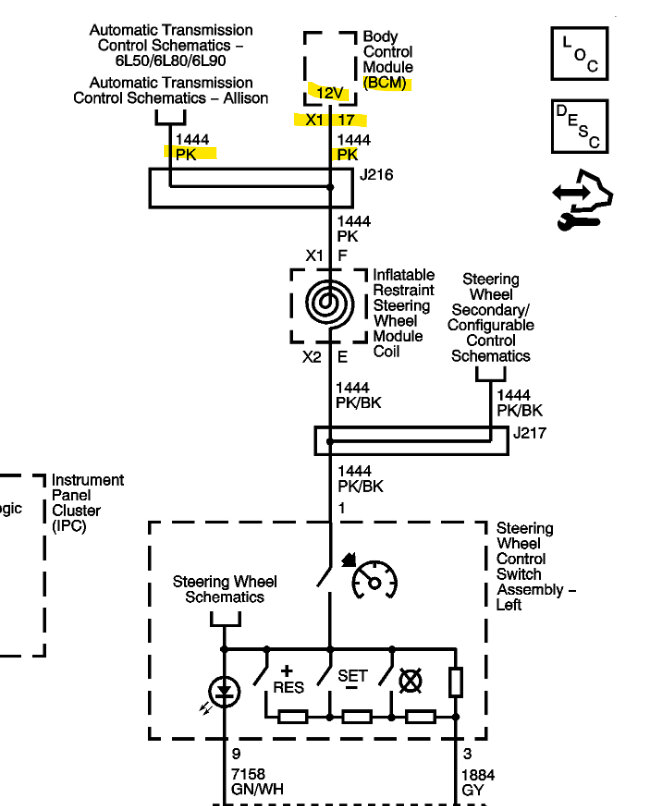
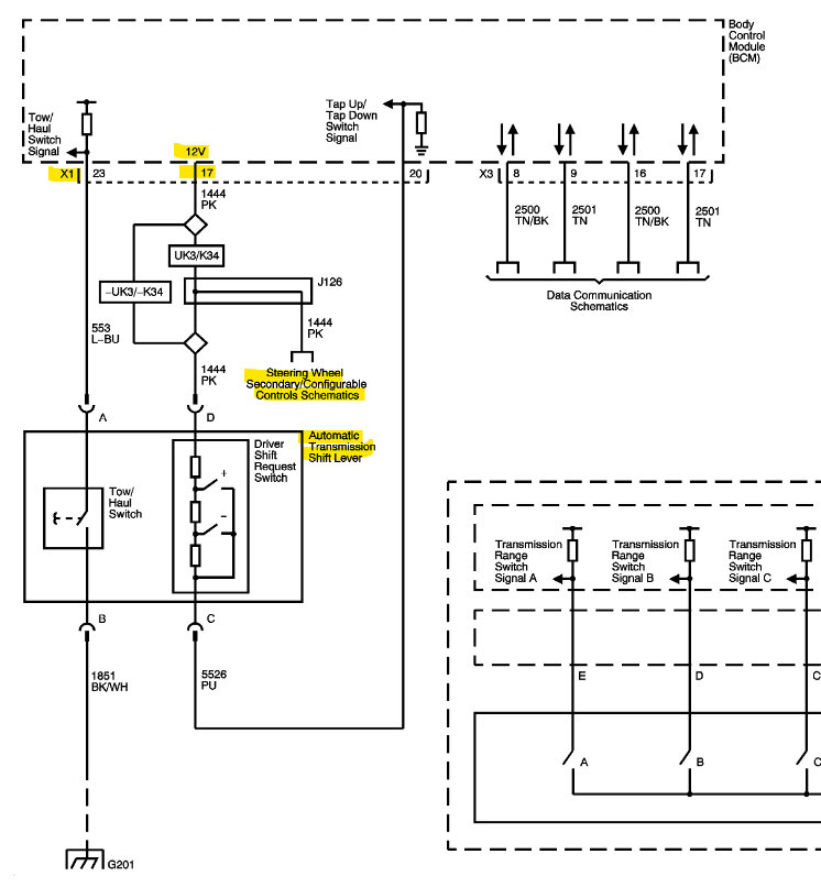
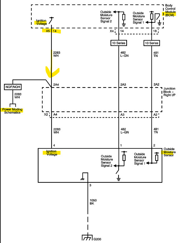
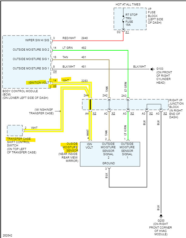
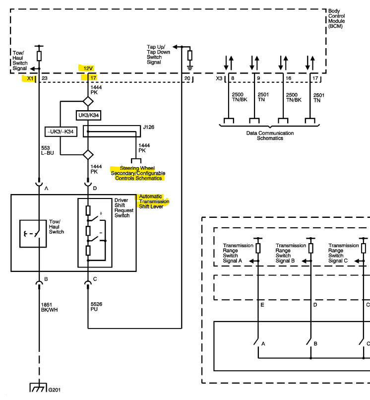
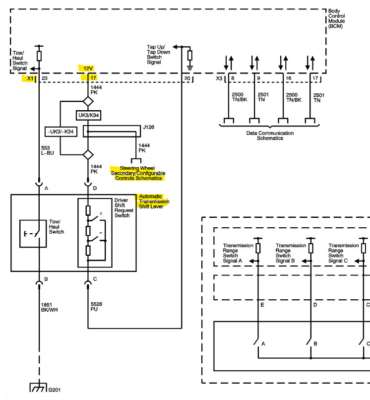
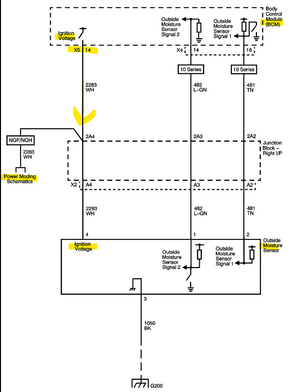
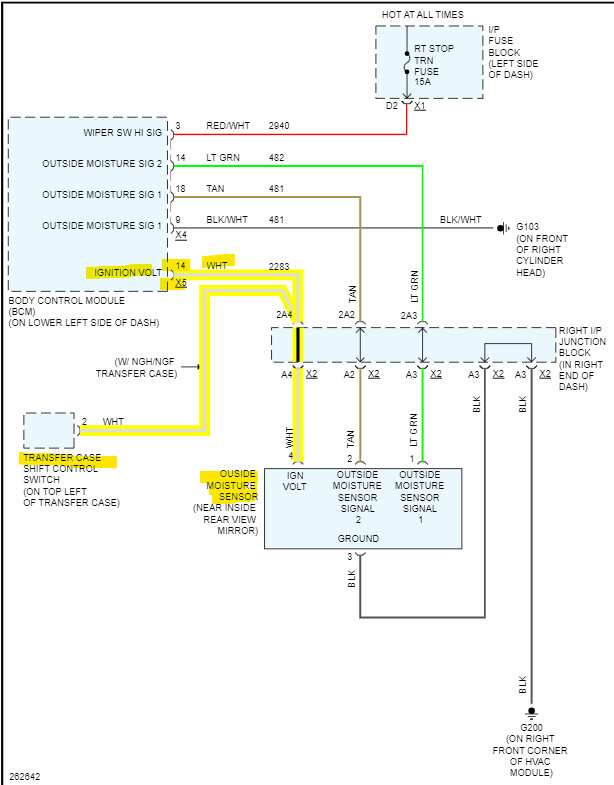
Okay, these are the (3) 12vRef that are missing and their connector and pin. X1 pin17, X3 pin12, and the X5 pin14 which was only 8.8volts runs to the Transfer case shift control switch and to the Outside Moisture Sensor near the Rear View Mirror.
You can try to disconnect each of these components, or a faster way is to cut the wire, check the reference voltage and if it returns to 12v, recheck comms with the BCM. Then repair the wire with a crimp connector after.
Was this
answer
helpful?
Yes
No
Saturday, August 19th, 2023 AT 4:03 PM
Tiny
JAVIERMLNDZ
  • MEMBER
  • 51 POSTS
I started the circuit/system testing and on x2 pin 1, 5 and 22 are grounded. That's with all connections unplugged for the BCM. Also on x3 pin 10 and 12 are grounded and on x5 pins 13 and 14 are grounded.
Was this
answer
helpful?
Yes
No
Saturday, August 19th, 2023 AT 5:35 PM
Tiny
JAVIERMLNDZ
  • MEMBER
  • 51 POSTS
So, if I checked this right all the connection points are grounded, so there is a break in one of these wires? Or could something else ground this?
Was this
answer
helpful?
Yes
No
Saturday, August 19th, 2023 AT 6:53 PM
Tiny
AL514
  • MECHANIC
  • 5,593 POSTS
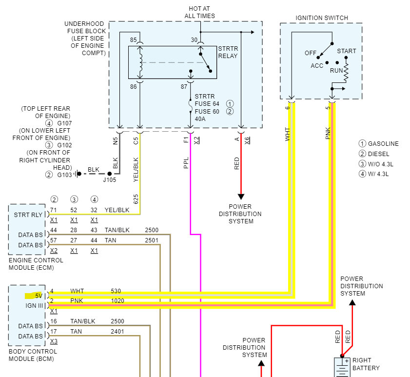
The X1 pin17 should have 12volts coming out of the BCM as a reference voltage for the Cruise Control switch.
X3 pin12 should also have 12volts coming out to feed the Stop Lamp Switch (brake pedal).
Sometimes what happens when a sensor shorts out it will pull that reference voltage down, this happens with the ECM as well. If the 5vReference on a sensor for the ECM gets shorted out it will pull that entire 5volt feed down, this also pulls the 5volts down for any other sensor using that same 5volt feed and can cause a no start situation for example.

So, the X3 pin12 feeds 12volts to the Headlamp/Panel Dimmer Switch and to the Brake Lamp Switch, so if you were to unplug both of those, then recheck X3 pin12 and see if the 12volts have returned. If it does happen to or not, leave both unplugged for now.
If the 12vRef returns to X3 pin12.
Also check the X1 pin17 for the full 12volts returning.
I don't think it will because they seem to be on different 12v circuits internally to the BCM.

Next move on to X1 pin17 12volt output is more complicated to unplug the switches and components it goes to, it feeds the Steering Wheel Control switch, it also branches off to the Transmission Shift/Request Lever. So, it would be too difficult to unplug all those.
The concern with this circuit too is that it looks to feed the Steering Wheel air bag module, The only way to be sure on this 12vRef, would be to cut the wire at the BCM leaving enough to crimp that wire back together after checking for 12volts coming back, That BCM pin was only at 1volt, when it should be outputting 12v.

X5_pin14 was the last 12vRef output. The one that was 8.8volts that should be 12v going out to the Outside moisture sensor and the Transfer Case Shift control switch. Another one that will be difficult to unplug.
But this is how difficult diagnosing bad modules is. If any of these reference voltages is being shorted out, it might be causing the BCM is shutdown partially because of a fault like that.
And this doesn't even include the missing 5volt Reference to the Ignition switch. Some techs will take the chance and just replace the BCM. But if it's replaced and the same condition still exists, then all these circuits need to be checked.
Even in the Flow Chart it states there to disconnect the BCM connector and test each voltage output of the BCM for a short to ground, as well as the inputs.
But you can't unplug these connectors to check that 12v output refs we're looking at here because we don't know exactly which connector provides input power for those 12v outputs.
This is why disconnecting the outputs component to check for it being shorted is necessary. You will read some sort of ground through components, but they need to be checked while power is applied. The BCM is either bad or has some reference outputs shorted somewhere. There's no way to tell the effect from one to the other because we don't know the internal circuits that are shared or not. We have to know the output state of these pins with nothing connected to them.
Was this
answer
helpful?
Yes
No
Saturday, August 19th, 2023 AT 8:08 PM
Tiny
JAVIERMLNDZ
  • MEMBER
  • 51 POSTS
Well, I went ahead and ordered a BCM module, but I will continue to do what you mentioned above. But I have a question, if something got shorted to ground that caused me this issue while I was driving wouldn't I have noticed something? I'm just saying because this just happened one morning while turning my truck to go to work.
Was this
answer
helpful?
Yes
No
Sunday, August 20th, 2023 AT 8:48 AM
Tiny
AL514
  • MECHANIC
  • 5,593 POSTS
It was just a no start one morning. It depends on the fault, I had a 04 Chevrolet Colorado which had burned out a trace on the circuit board of the BCM and the truck would run, even with the BCM being completely offline. And what was happening was all the other modules in the vehicle would use the last known good data from the BCM and use that information to run, granted some systems were not functioning correctly which is why it needed to be repaired to pass inspection. But your truck uses the BCM as a way for the 2 (Low Speed and the 2 wire High Speed) networks to communicate together. We don't know the actual fault here though, so it's impossible to say what happened.

I think there's something else going on than just a bad BCM, or something caused the BCM to go bad. This is bothering me too much to just stop testing here.

Those low reference voltages are concerning. Plus, the no voltage case on the Low-Speed network is not right.
Check a couple more things for me really quick. At the Data Link connector where you plug your scan tool in, first check for 12v on pin 16 using pin 4 as Ground and then pin 5 as Ground. With the key on let me know if you have 12v on pin 16 first and both those grounds (4 and 5) are good. I assume it will be good with at least one of those Grounds. If 4 or 5 is not good let me know.
Next check the voltage on pin 1 using pin 4 and then 5 as ground. With the key on see what you get. If nothing on pin 1, we're going to pull the Splice pack and check each pin for voltage. Then we're going to see if there is another splice pack for the Low speed and pull that and recheck. You already know where there's one comb splice pack.
I don't want to see you install a new BCM and have it burn out due to a short or not resolve the issue.
I've been thinking about this all day, and I don't like the testing results yet, there are too many variables.
Was this
answer
helpful?
Yes
No
Sunday, August 20th, 2023 AT 3:42 PM
Tiny
AL514
  • MECHANIC
  • 5,593 POSTS
Do you know if you have Rear Object detection option on your vehicle? Let's go through this quick. I think a module is pulling down the Low Speed network, causing the no start, check under the rear bumper for Rear Object Sensor module, unplug it and recheck for voltage signal on DLC pin 1.
Was this
answer
helpful?
Yes
No
Sunday, August 20th, 2023 AT 4:06 PM
Tiny
JAVIERMLNDZ
  • MEMBER
  • 51 POSTS
I do not have Rear object detection, I checked to make sure.
Was this
answer
helpful?
Yes
No
Sunday, August 20th, 2023 AT 5:14 PM

Please login or register to post a reply.