When tried to start nothing happens?

Tiny
ERIC84
  • MEMBER
  • 2000 CHEVROLET IMPALA
  • 3.8L
  • 6 CYL
  • 2WD
  • AUTOMATIC
  • 140,000 MILES
When tried to start nothing happened but dash lights go out until key turned back to on. Was running fine one day then not. No CEL codes on anti-theft security light.
Wednesday, August 30th, 2023 AT 12:41 PM

19 Replies

Tiny
JACOBANDNICKOLAS
  • MECHANIC
  • 110,194 POSTS
Hi,

When you say nothing happens, do you mean the starter doesn't engage or it does, and the engine doesn't start?

If the starter is not engaging, check and confirm the battery terminals are both clean and tight. If they are in good condition, see if it will start in neutral.

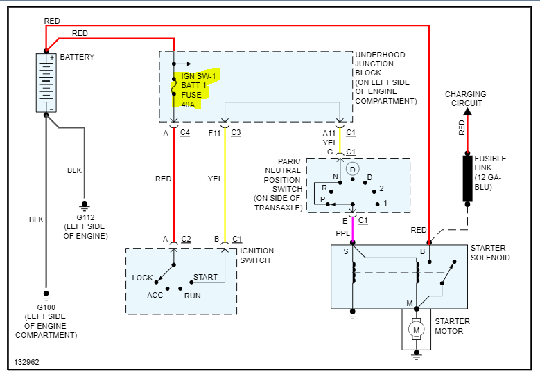
If it doesn't, check the ignition switch 1, battery 1 fuse in the under-hood fuse box. When you check it, confirm there is power to and from it.

Here is a link you may find helpful:

https://www.2carpros.com/articles/how-to-check-a-car-fuse

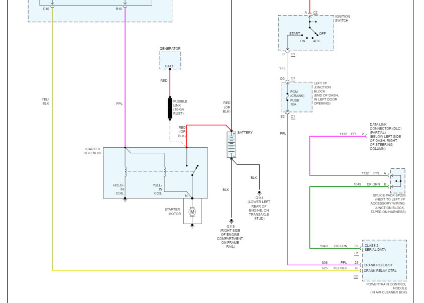
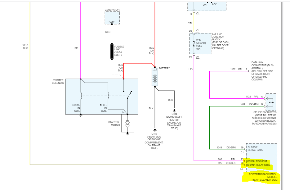
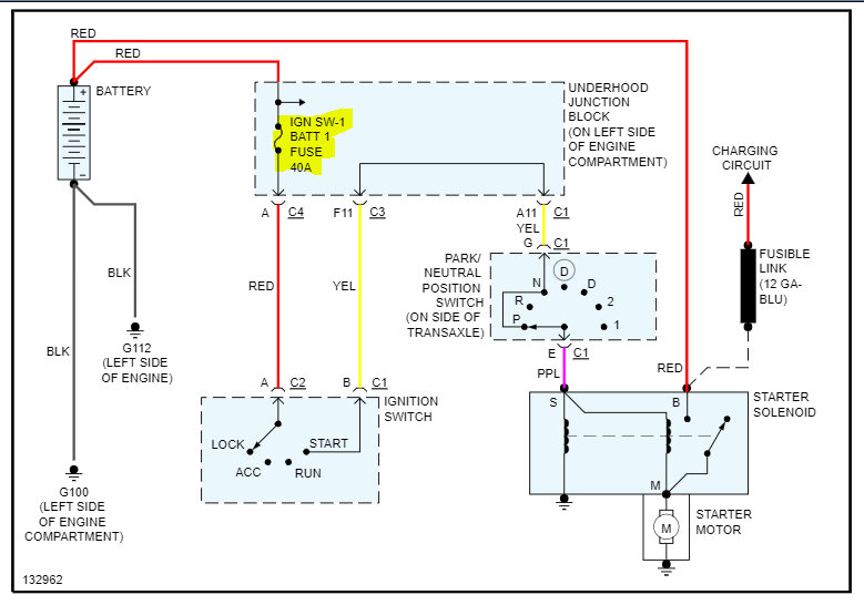
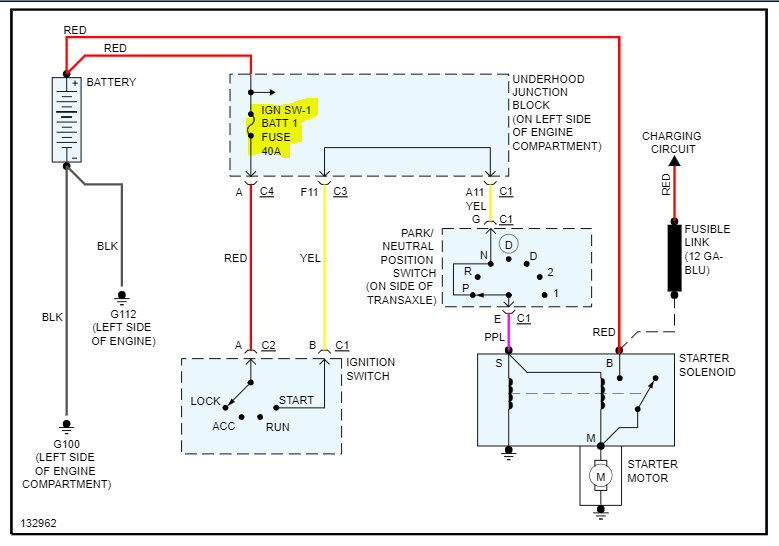
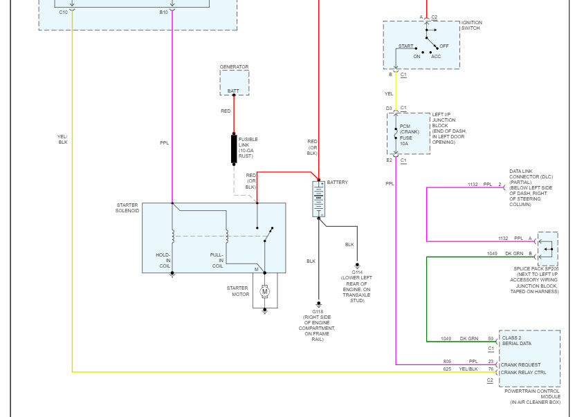
I attached the starter circuit wiring schematic so that you would have a reference.

Let me know what you find.

Joe

See pics below. Note: Pic 2 shows the fuse location in the box.
Was this
answer
helpful?
Yes
No
Wednesday, August 30th, 2023 AT 8:37 PM
Tiny
ERIC84
  • MEMBER
  • 12 POSTS
Btw I have a 3.8l version of my underwood fuse box that looks different than the diagram you sent.
Was this
answer
helpful?
Yes
No
Thursday, August 31st, 2023 AT 7:39 PM
Tiny
ERIC84
  • MEMBER
  • 12 POSTS
I forgot to mention my fuel pump doesn't prime either no crank at all when I try to start unless I jump it at the relay.
Was this
answer
helpful?
Yes
No
Thursday, August 31st, 2023 AT 7:51 PM
Tiny
JACOBANDNICKOLAS
  • MECHANIC
  • 110,194 POSTS
Hi,

That makes a big difference. I'm sorry I missed it.

The crank relay is under the hood in the top electrical center. I need you to remove the crank relay first. Take a test light and connect the alligator clip to the battery-negative terminal. With the relay removed, there will be 4 connectors the relay plugs into. One of the pins should have power at all times. I need you to confirm that for me.

When you do this, have the key in the off position.

Let me know what you find.

Joe

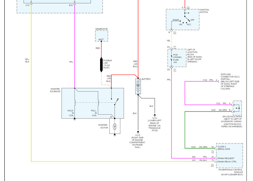
See pics below. Pics 1 and 2 are the starter circuit wiring schematic. I added it so you have a correct reference Pic 3 shows the crank relay positioning.
Was this
answer
helpful?
Yes
No
Thursday, August 31st, 2023 AT 8:01 PM
Tiny
ERIC84
  • MEMBER
  • 12 POSTS
Okay, I did what you said one connector does have power with test light connected to battery negative.
Was this
answer
helpful?
Yes
No
Friday, September 1st, 2023 AT 8:26 AM
Tiny
JACOBANDNICKOLAS
  • MECHANIC
  • 110,194 POSTS
Hi,

Okay, that's good news. Now, there will be one of the other three that gets power only when the key is in the run or start position. Perform the same test and let me know the results.

Sorry, this is a process.

If you find power to the second one, then we need to check for a ground path from the PCM. I will explain that process when you tell me the results. Also, let me know if you checked the crank fuse in the interior fuse box.

Let me know. Check for power to and from it if you haven't. That fuse will only have power when the key is in the start position.

Let me know.

Joe
Was this
answer
helpful?
Yes
No
Friday, September 1st, 2023 AT 10:23 PM
Tiny
ERIC84
  • MEMBER
  • 12 POSTS
Okay, will do. Its nighttime here but will do so in the a.M.
Was this
answer
helpful?
Yes
No
Friday, September 1st, 2023 AT 11:08 PM
Tiny
ERIC84
  • MEMBER
  • 12 POSTS
Also, I checked the crank fuse and it's okay btw and do I still connect to battery negative with key in start position, correct?
Was this
answer
helpful?
Yes
No
Friday, September 1st, 2023 AT 11:17 PM
Tiny
ERIC84
  • MEMBER
  • 12 POSTS
Okay, I verified I have power at a 2nd terminal with key in on position.
Was this
answer
helpful?
Yes
No
Saturday, September 2nd, 2023 AT 8:43 AM
Tiny
JACOBANDNICKOLAS
  • MECHANIC
  • 110,194 POSTS
Hi,

If the relay is good, we need to check one more part of the circuit and that is a ground path from the PCM.

Avoid the two connector pins that had power. There will be two left unchecked. One is power to the starter and the other is a ground from the PCM when the key is in the start position, so you will need a helper again.

Take the test light and attach the alligator clip to the battery positive. If you bump the correct pin in this case, you will hear the starter bump. We don't want that to happen for any extended time, so if it happens, immediately remove the test light.

Here is how this will work. Since you are connected to the battery positive, the light should turn on when you test for ground via the correct pin and with the key in the start position because the PCM is providing a ground path to complete the circuit.

Here is a link you may find helpful to better understand:

https://www.2carpros.com/articles/how-to-check-an-electrical-relay-and-wiring-control-circuit

If you are uncomfortable using the test light, you can use a multimeter to check continuity to ground without using the battery at all.

Let me know if you have questions.

Take care,

Joe

Let me know what you find.
Was this
answer
helpful?
Yes
No
Saturday, September 2nd, 2023 AT 8:39 PM
Tiny
ERIC84
  • MEMBER
  • 12 POSTS
Hey, sorry, it took so long to get back to you. Well, I tried what you said and I'm not getting no test light up from either terminal on the start relay location checking for a ground.
Was this
answer
helpful?
Yes
No
Tuesday, September 12th, 2023 AT 10:31 AM
Tiny
JACOBANDNICKOLAS
  • MECHANIC
  • 110,194 POSTS
Hi,

Okay, originally you indicated there is power to two of the pins. So that is good. If you are not getting a ground signal, we need to check the connection at the powertrain control module (PCM) in the air filter box.

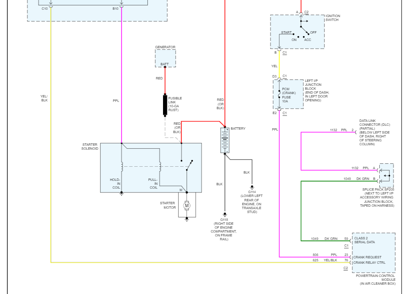
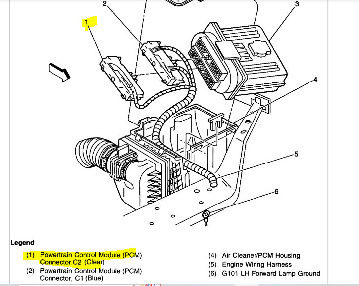
I attached the schematic below, so you have a reference of the entire system. (Pics 1 and 2)

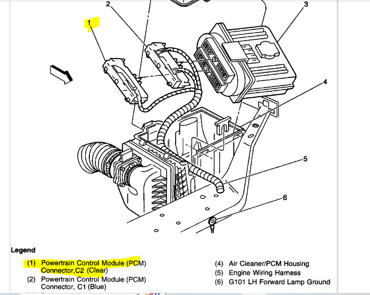
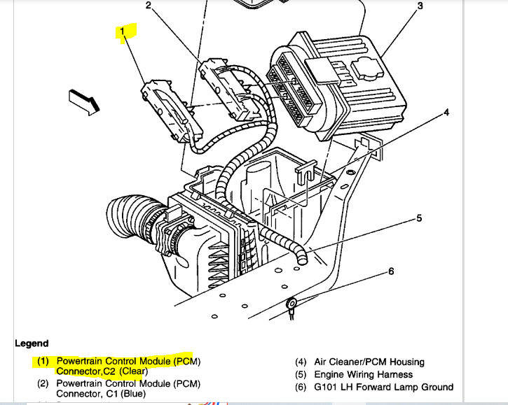
In pics 3 and 4, you will see the location of the PCM. Also, pics show there are two connectors, C1 and C2. We are interested in the C2 connector I highlighted.

You will need to back-probe the purple wire and the black wire with a yellow tracer. When the key is in the start position, voltage should then be present at pin 23 (purple wire). Once that happens, the PCM should provide a ground path via pin 76 (black wire with a yellow tracer). See the last pic for the connector pinout.

If you have power to pin 23 and no ground from pin 76, the PCM is likely faulty.

Try this and let me know the results. Again, sorry there are so many steps. There are multiple things that can fail, and we are working backward to find the fault. Also, not that if pin 23 doesn't get power, then we need to recheck the crank fuse. Note that the crank fuse only should have power when the key is in the start position. Make sure it is present if you find now power to the PCM.

Let me know what you find or if you have questions. I realize this may be confusing.

Take care,

Joe

See pics below.
Was this
answer
helpful?
Yes
No
Tuesday, September 12th, 2023 AT 5:53 PM
Tiny
ERIC84
  • MEMBER
  • 12 POSTS
Hey, I'm back found power to on pin 23, but I think I don't have ground on pin76.
Was this
answer
helpful?
Yes
No
Saturday, September 16th, 2023 AT 6:30 PM
Tiny
JACOBANDNICKOLAS
  • MECHANIC
  • 110,194 POSTS
Hi,

If the ground path isn't being provided, it won't actuate the relay. How did you check for a ground path? Also, have you checked the connector to see if there is a possible wire or connector issue?

Let me know.

Joe
Was this
answer
helpful?
Yes
No
Saturday, September 16th, 2023 AT 10:14 PM
Tiny
ERIC84
  • MEMBER
  • 12 POSTS
I checked by connecting to battery positive and probing the pin with a paperclip.
Was this
answer
helpful?
Yes
No
Monday, September 18th, 2023 AT 2:26 AM
Tiny
JACOBANDNICKOLAS
  • MECHANIC
  • 110,194 POSTS
Hi,

That's how I would have checked it. So, that is where the problem is coming from. Have you checked the harness or test for ground right at the PCM?

Let me know.

Take care,

Joe
Was this
answer
helpful?
Yes
No
Monday, September 18th, 2023 AT 1:24 PM
Tiny
ERIC84
  • MEMBER
  • 12 POSTS
No, I haven't. How would I go about doing that?
Was this
answer
helpful?
Yes
No
Monday, September 18th, 2023 AT 1:50 PM
Tiny
ERIC84
  • MEMBER
  • 12 POSTS
And couldn't I just ground the relay itself and if so, then how exactly? Can I do that?
Was this
answer
helpful?
Yes
No
Monday, September 18th, 2023 AT 1:51 PM
Tiny
JACOBANDNICKOLAS
  • MECHANIC
  • 110,194 POSTS
Hi,

The relay can't be bypassed. Otherwise, the starter will engage at all times.

As far as testing the primary side of the relay for a ground reference, do this. Note that you will need a helper. Connect the test light alligator clip to the battery's negative terminal. The primary side are pins 85 and 86. Probe connector both pins. One will turn the test light on (key should be on) and the other won't.

The one that doesn't turn the light on should be the ground. Now, disconnect the alligator clip and reconnect it to the battery's positive terminal. Probe the connector pin that didn't turn the light on and have a helper turn the key to the start position. If a ground path is present, the light will turn on.

Do this and let me know what you find.

Take care,

Joe
Was this
answer
helpful?
Yes
No
Monday, September 18th, 2023 AT 8:30 PM

Please login or register to post a reply.