Friday, April 8th, 2022 AT 10:36 PM
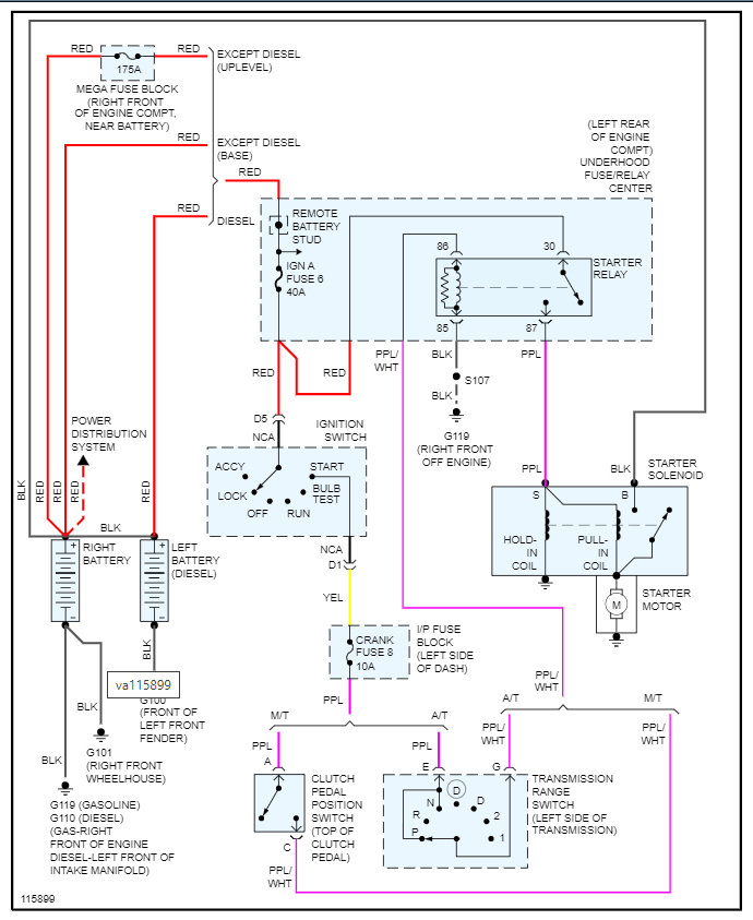
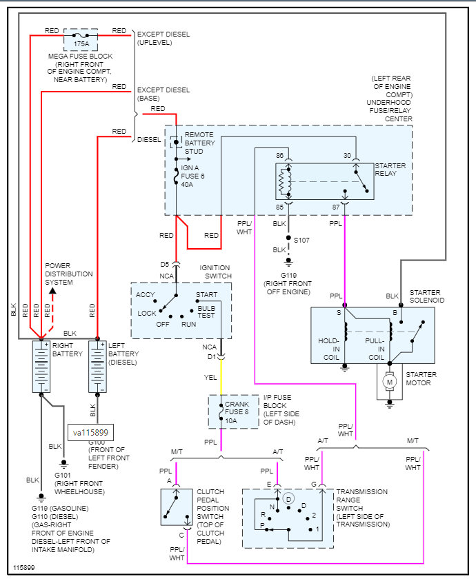
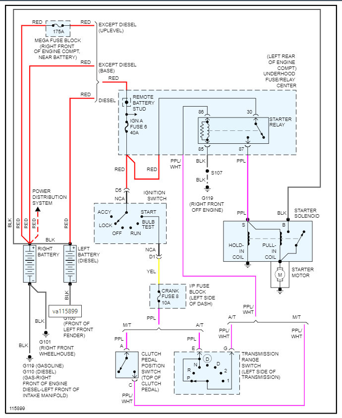
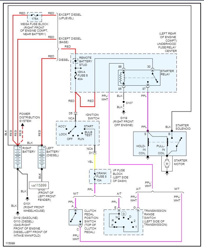
My vehicle one day just would not start; I was driving it all day came out of Target and wouldn't start. I replaced the starter, and it ran for 3 days and wouldn't start. I tightened the connections to the starter, and it started, and I drove it home and hasn't started since. Now my battery gauge doesn't show anything when I turn the key, no power to crank fuse and no power to ign-e, ecm-1, or eng-1. It has a new fuel pump, ignition module, starter and I replaced the battery cable. Any help would be appreciated.



