Do I need a starter?

Tiny
OCASIO6497
  • MEMBER
  • 2005 CHRYSLER TOWN AND COUNTRY
  • 3.8L
  • V6
  • 2WD
  • AUTOMATIC
  • 156,617 MILES
I bought the van listed above and I was told that it only needed a starter. The car would not crank at all, so I put a new starter in it, still same symptom, jumped the starter with ignition open and no spark. Bought a new ECM and the car started right up and ran for about 30- 45 minutes. Until I shut it down to restart and make sure that it would be alright. The van started up but shut off after 10-15 seconds. As I kept trying to restart, it went right back to no crank mode. I believe that maybe a crankshaft position sensor or cam sensor is probably shorting out the ECM. I noticed that when I unplug the negative battery terminal, or attempt to reconnect the negative terminal, I get a light ark or light spark. Is it possible that it could be maybe one of these sensors? Anyone?
Any help would really be appreciated!

Thank you,

ED
Wednesday, April 1st, 2020 AT 6:22 PM

28 Replies

Tiny
ASEMASTER6371
  • MECHANIC
  • 52,796 POSTS
Good morning,

When you try to start it does the theft or security light come on and go off after about 10 seconds? It could be a security issue.

https://www.2carpros.com/articles/how-to-reset-a-security-system

Are there any codes set in the system?

https://www.2carpros.com/articles/checking-a-service-engine-soon-or-check-engine-light-on-or-flashing

The small arc is normal. Sensors will not fail an ECM at all.

Did you have the ECM flashed to your VIN number prior to installation?

a common issue is the power module or the TIPM. That is the fuse box and is very common for this issue.

Roy

REMOVAL
1. Disconnect the negative and positive battery cables.
2. Remove the battery thermal guard.
3. Remove the battery.

Integrated Power Module
imageOpen In New TabZoom/Print

4. Using a flat-bladed screwdriver, twist the Integrated Power Module (IPM) bracket retaining latch outward to free the IPM from its mounting bracket

Disconnecting IPM
imageOpen In New TabZoom/Print

5. Rotate the IPM counter-clockwise to access and disconnect the electrical connectors.
6. Remove the IPM bracket clips from the hinge.

INSTALLATION
1. Snap the left side of the Integrated Power Module (IPM) housing in its mounting bracket and connect the various electrical connectors.

NOTE: Ensure that the Connector Positive Assurance (CPA) on the five-pin B+ connector is positively engaged to prevent generating a Diagnostic Trouble Code (DTC).

2. Rotate the IPM clock-wise until secured in mounting bracket. An audible click may be heard.
3. Install the battery.
4. Install the battery thermal guard.
5. Connect the negative and positive battery cables.
6. Using a scan tool, check for any stored diagnostic trouble codes. Ensure that all vehicle options are operational.
Was this
answer
helpful?
Yes
No
Thursday, April 2nd, 2020 AT 4:48 AM
Tiny
OCASIO6497
  • MEMBER
  • 4 POSTS
Thank you so much for responding/helping Roy. Yes, I have purchased a refurbished ECM from a place called Importapart and (supposedly), I provided them with my VIN and the mileage of the vehicle. When I installed the ECM, it worked pretty well I thought because it started right up with no problem. As I explained earlier, I let it run for a long while as I was checking for engine knocks, valve tapping, etc. It ran for about 30-45 minutes. Then I shut it down to restart, that's when it kind of went back to the no start phase. I haven't tried to check for codes as I didn't think I would retrieve any cause it wasn't able to get the car to run at all before.

Thank you,

ED
Was this
answer
helpful?
Yes
No
Thursday, April 2nd, 2020 AT 7:34 AM
Tiny
ASEMASTER6371
  • MECHANIC
  • 52,796 POSTS
You can check for codes with the key in the on position.

You are welcome.

Roy
Was this
answer
helpful?
Yes
No
Thursday, April 2nd, 2020 AT 7:42 AM
Tiny
OCASIO6497
  • MEMBER
  • 4 POSTS
Okay, so I tried to unplug and reset the TIPM, no change. I have tried to unplug the negative post on the battery for over ten minutes, didn't work. I also tried the locking of all doors and then lock the drivers door with the key, and waited about half hour to try and reset the alarm, did not work either. I suppose I should mention that I do not have the (alarm box or fob) on my key ring. I did however notice that the actual key ( the only key that I got with the vehicle ) is not an actual Chrysler key, it is a copy. I wanted to ask if it can possibly be the actual key itself? Do these vehicles come with the type keys for the alarm with some kind of chip in them?

Please help.

Thank you for your listening,

ED
Was this
answer
helpful?
Yes
No
Friday, April 3rd, 2020 AT 9:20 PM
Tiny
ASEMASTER6371
  • MECHANIC
  • 52,796 POSTS
Did you check for codes set in the system? I asked that with my last post.

That resetting will not work. I need to know if there are any codes set for the security system.

Roy
Was this
answer
helpful?
Yes
No
Saturday, April 4th, 2020 AT 3:37 AM
Tiny
OCASIO6497
  • MEMBER
  • 4 POSTS
No, there were no codes stored in the system and the anti- theft light does come on for about 10 seconds then goes out but still no crank. I can hear clicking from the relays in the fuse box in the engine compartment but nothing else. Another thing I noticed is that every time I go to crank the van, the inside fan or the AC/heater with turn on by itself, along with the DVD player (that is mounted on dash) comes on and starts blinking as well? I really do believe it has to do with the transponder key and or the transponder module in the steering column or at the key switch.
Was this
answer
helpful?
Yes
No
Friday, April 10th, 2020 AT 6:58 AM
Tiny
ASEMASTER6371
  • MECHANIC
  • 52,796 POSTS
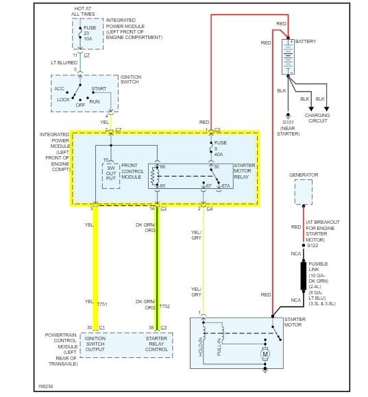
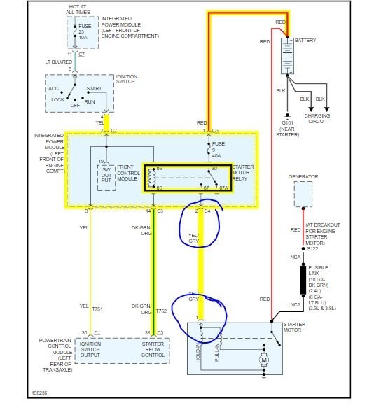
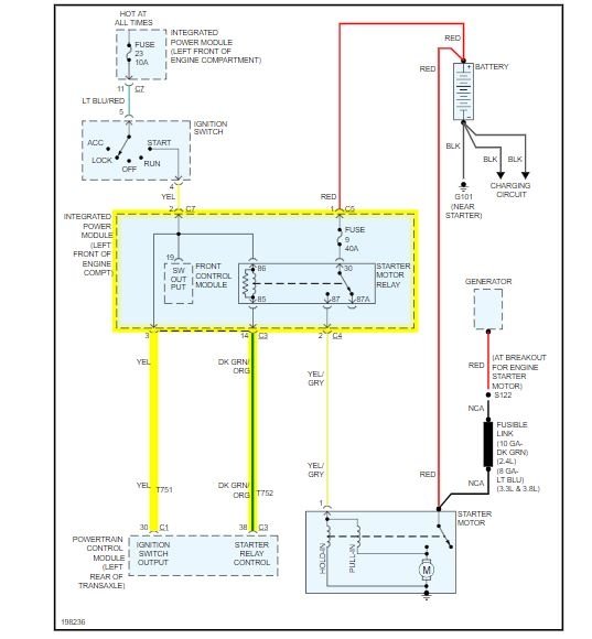
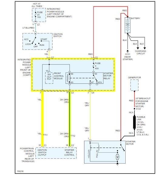
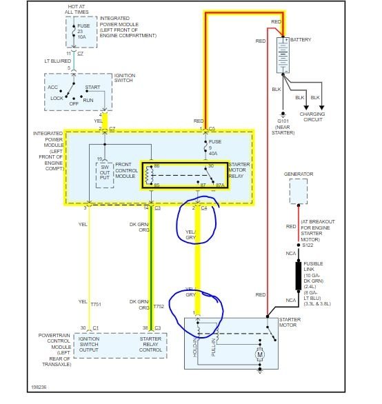
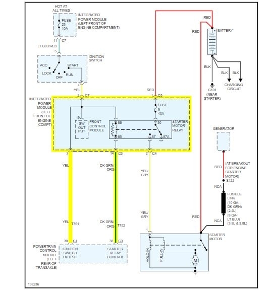
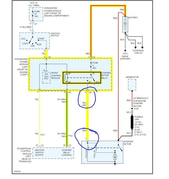
Okay, I attached a wiring diagram again for you. Check the wire at the starter solenoid for power in the start position when the car will not start.

That will tell me if the TIPM is sending power to the solenoid.

Roy
Was this
answer
helpful?
Yes
No
Friday, April 10th, 2020 AT 7:03 AM
Tiny
ALBERTCT
  • MEMBER
  • 4 POSTS
  • 2005 CHRYSLER TOWN AND COUNTRY
  • 78,000 MILES
I have a 2005 Town and Country 3.3L. The dash lights turn on and so does the lights. Where do I start?

I cleaned the terminals as I saw some corrosion. There is no clicking sounds what so over when you try turning the key.
Was this
answer
helpful?
Yes
No
Monday, August 31st, 2020 AT 1:07 PM (Merged)
Tiny
RASMATAZ
  • MECHANIC
  • 75,992 POSTS
You sure its not a security issue? If not do below

**No crank at all/nothing/nada when key is engage to starting position

Could be a blown fusible link, the starter, starter relay, clutch switch/park and neutral switch/transmission position switch and ignition switch assuming the battery condition and connections are good. Note:If it doesn't apply disregard.
Was this
answer
helpful?
Yes
No
Monday, August 31st, 2020 AT 1:07 PM (Merged)
Tiny
ALBERTCT
  • MEMBER
  • 4 POSTS
I am going to have the battery checked first to make sure it in good condition. I will keep you posted. Thanks for the advice.
Was this
answer
helpful?
Yes
No
Monday, August 31st, 2020 AT 1:07 PM (Merged)
Tiny
ALBERTCT
  • MEMBER
  • 4 POSTS
Ok, the battery is good and fully charged, the starter fuse got replaced and the starter according to the shop test good. I am being told it could be the ignition switch, what do you all think?
Was this
answer
helpful?
Yes
No
Monday, August 31st, 2020 AT 1:07 PM (Merged)
Tiny
RASMATAZ
  • MECHANIC
  • 75,992 POSTS
Could be check the other stuffs
Was this
answer
helpful?
Yes
No
+1
Monday, August 31st, 2020 AT 1:07 PM (Merged)
Tiny
ALBERTCT
  • MEMBER
  • 4 POSTS
Just an update. My van is working now. It turned out to be the fuel line fuse. This turned off the ignition. I hope this helps out others. Thanks for the advice as well.
Was this
answer
helpful?
Yes
No
Monday, August 31st, 2020 AT 1:07 PM (Merged)
Tiny
ZOOBOY1961
  • MEMBER
  • 2 POSTS
  • 2005 CHRYSLER TOWN AND COUNTRY
  • 6 CYL
  • 2WD
  • AUTOMATIC
  • 110,000 MILES
When I turn the key, I hear a clunk, almost like you hear from a bad starter. I usually have to turn the key 2-3 times and it will start, but lately is taking 2-3 minutes. It will start to turn over but not fully, then after turning the key on and off it starts. It seems to work better in the warmer weather, then in cold. It has been happening for a few months, but money issues have forced me to keep putting it off.

Thank you
Mike
Was this
answer
helpful?
Yes
No
Monday, August 31st, 2020 AT 1:07 PM (Merged)
Tiny
JOHNNYT73
  • MECHANIC
  • 924 POSTS
Check your battery terminal connections to be sure they are clean and tight. Be sure your battery is in good state of charge as cold weather on an old battery will usually experience failure.
Was this
answer
helpful?
Yes
No
Monday, August 31st, 2020 AT 1:07 PM (Merged)
Tiny
ZOOBOY1961
  • MEMBER
  • 2 POSTS
That did not work. Could it be the plugs and wires? Someone told me it could also be the starter, but I thought once that went bad it would not start no matter how much you tried. I also forgot to mention that sometimes when I click the turn signal it does not always work right.

Mike
Was this
answer
helpful?
Yes
No
Monday, August 31st, 2020 AT 1:07 PM (Merged)
Tiny
JOHNNYT73
  • MECHANIC
  • 924 POSTS
A starter could also be the culprit.
Was this
answer
helpful?
Yes
No
Monday, August 31st, 2020 AT 1:07 PM (Merged)
Tiny
COFFEYWOLF
  • MEMBER
  • 1 POST
  • 2005 CHRYSLER TOWN AND COUNTRY
Electrical problem
2005 Chrysler Town and Country 6 cyl Two Wheel Drive Automatic

when key turned on gauges go all the way to top and back down again several times, vehicle makes a clicking sound and vehicle will not start
Was this
answer
helpful?
Yes
No
Monday, August 31st, 2020 AT 1:07 PM (Merged)
Tiny
JACOBANDNICKOLAS
  • MECHANIC
  • 110,192 POSTS
Hi:

Is the battery dead?

Joe
Was this
answer
helpful?
Yes
No
Monday, August 31st, 2020 AT 1:07 PM (Merged)
Tiny
TSNYDER
  • MEMBER
  • 1 POST
  • 2005 CHRYSLER TOWN AND COUNTRY
  • 6 CYL
  • FWD
  • AUTOMATIC
  • 90,000 MILES
I recently disconnected a stereo/amp I have had hooked up for years. When reconnecting, as I have done in the past, I cannot get van to start. I disconnected streo and amp after this happened, and still nothing. I checked the relay and the battery.I tried jumping the battery, changed to a new battery. Still nothing. I checked the fuses under the hood, they are good. I am stumped. The starter just clicks when turned over. All the lights in the van work and when turning over they all still stay lit. Could it be that the starter just happened to go out when I was hooking the stereo/amp back up? Or is there something else I could be missing?
Was this
answer
helpful?
Yes
No
Monday, August 31st, 2020 AT 1:07 PM (Merged)

Please login or register to post a reply.