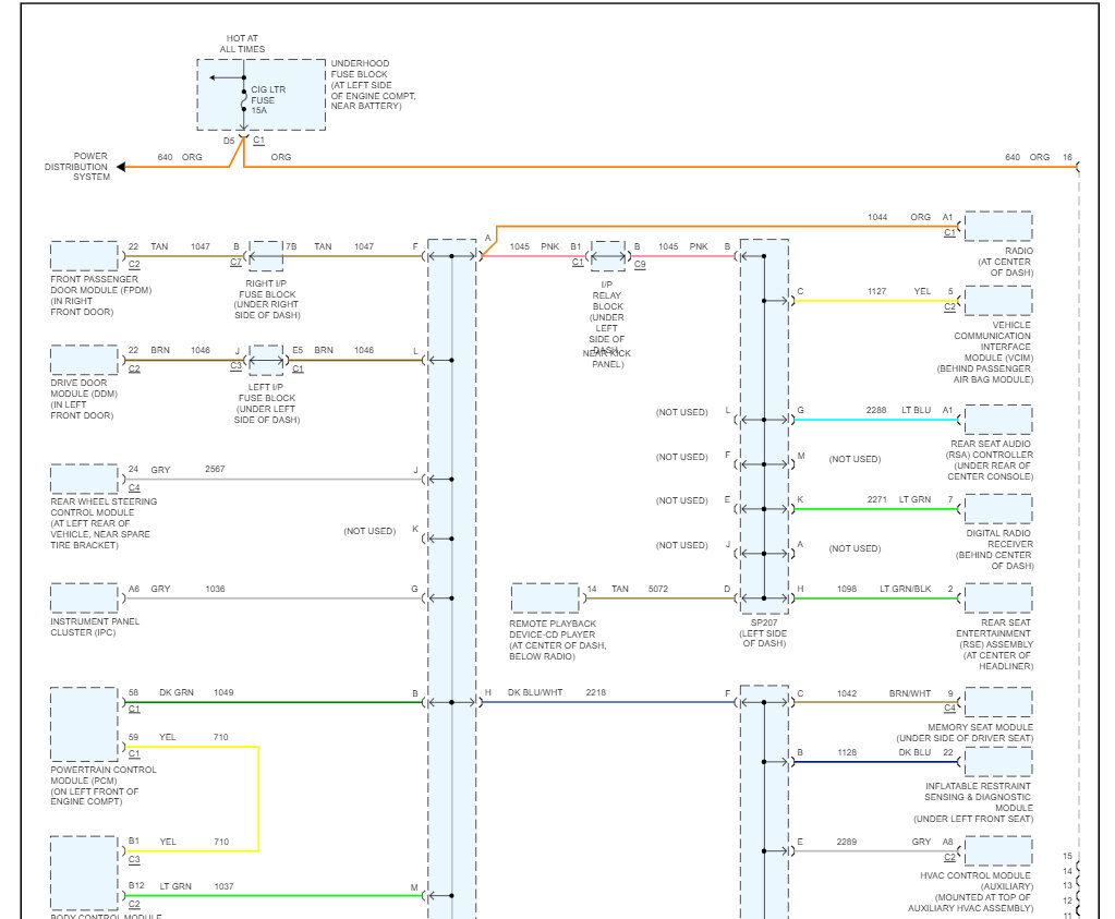
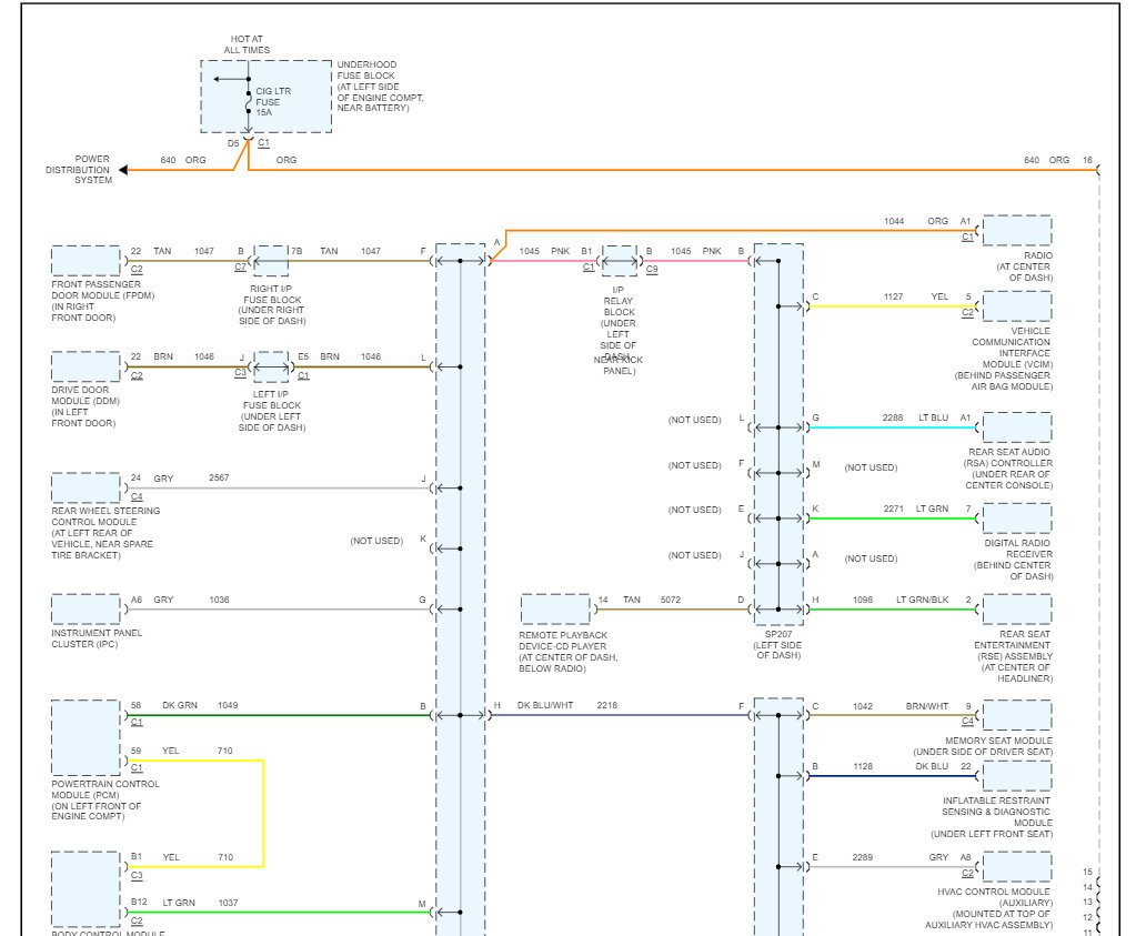
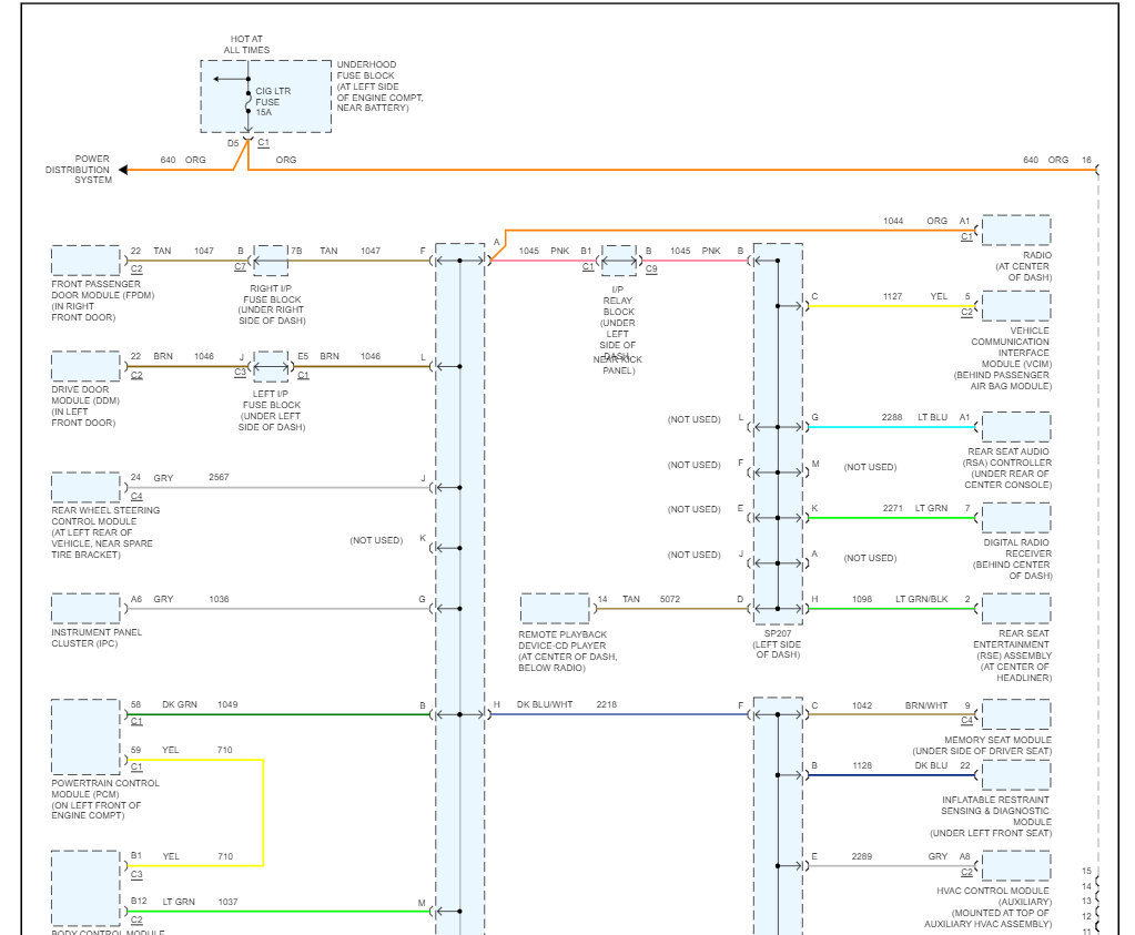
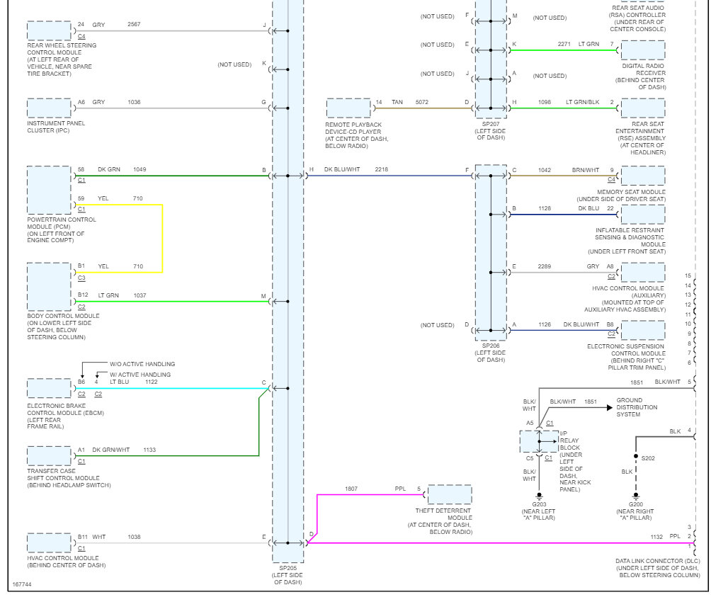
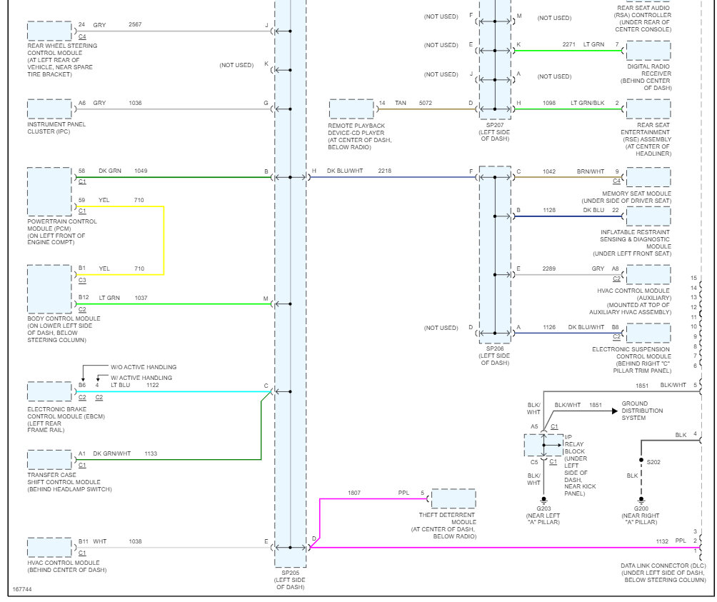
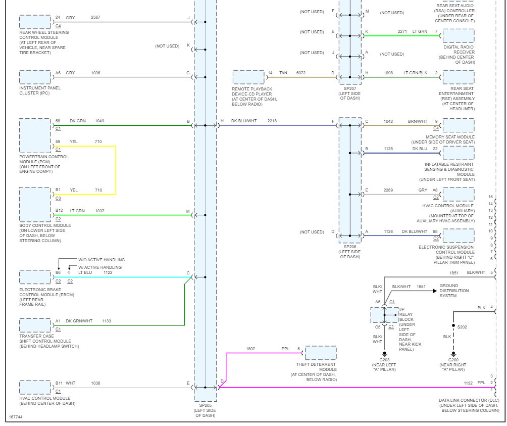
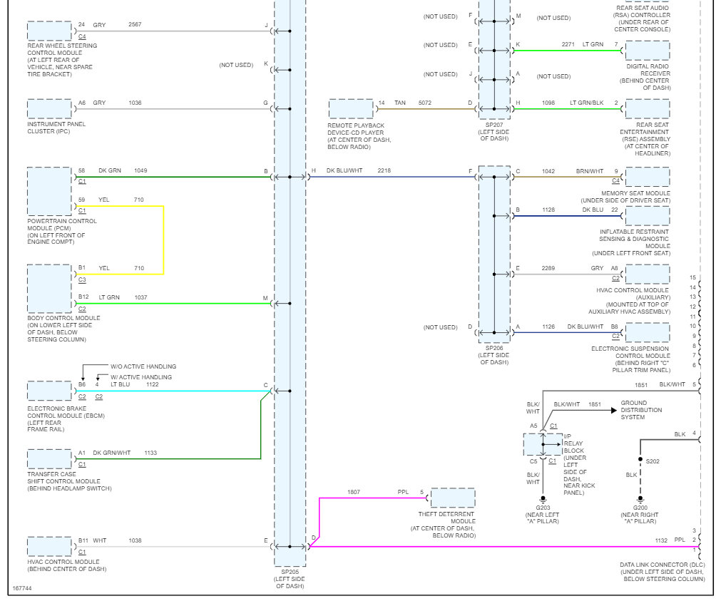
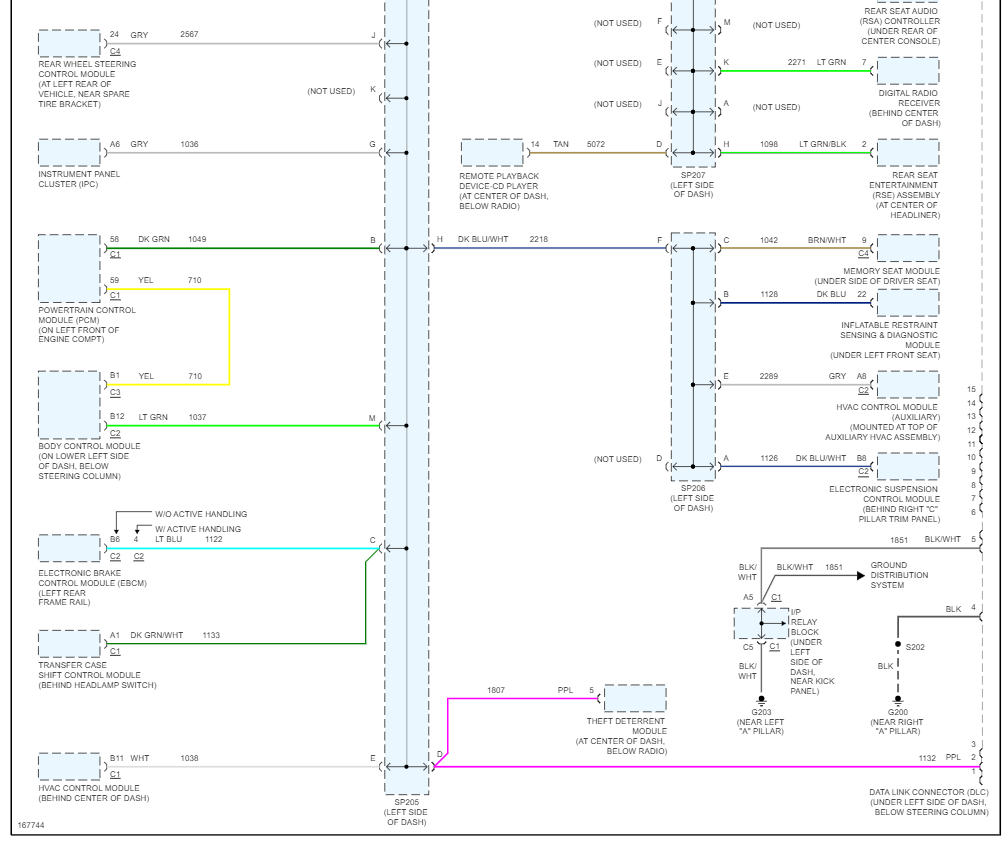
Thursday, April 20th, 2023 AT 6:45 PM
The car does not crank, the anti-theft light and the parking brake light stay on solid even when key is removed, and doors are shut and locked. I’m not able to read codes, obd2 scanner does not recognize the scanner but gets power.











