No crank?

Tiny
WWREDT091
  • MEMBER
  • 2002 CHRYSLER TOWN AND COUNTRY
  • 3.8L
  • V6
  • 2WD
  • AUTOMATIC
  • 140,000 MILES
Turn the key, no crank. All lights come on the dash, try to start just clicking under or from the fuse
elay box. Battery voltage is 12.4, replaced starter, starter relay. Used jumper wire on starter relay and it kicks over the starter. The alternator is fine as well. Replaced ignition switch. I've been at this for 5 days. Looking towards PCM? Any ideas or help is extremely helpful.
Friday, March 3rd, 2023 AT 2:51 PM

1 Reply

Tiny
JACOBANDNICKOLAS
  • MECHANIC
  • 110,192 POSTS
Hi,

If you are able to jump pins 30 and 87 at the relay and the starter engages, chances are the problem is on the primary side of the relay or the neutral safety switch has failed.

If you place it in neutral, does the starter engage? Try this first if you haven't already.

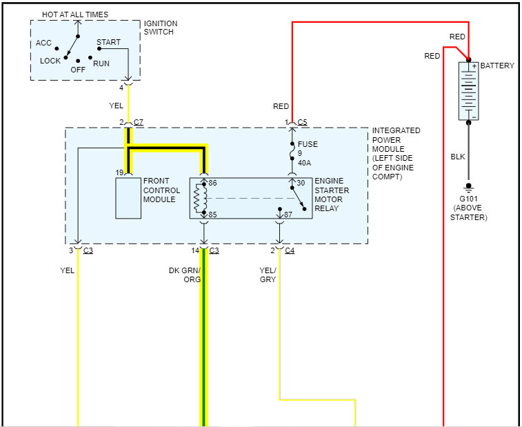
I attached the wiring schematic below, so you have a reference. If you find no change by placing the vehicle in neutral, here is what I need you to do.

When you turn the key to the start position, power is provided to pin 86 in the starter relay. For the circuit to be completed, a ground path needs to be present via pin 85. Once that primary is completed, an electromagnet draws the secondary side of the relay closed sending power to the starter motor. So, remove the relay. We already know the secondary side is fine. What I need you to do is have a helper turn the key to the start position while you probe pin 86 (test lamp) to see if power is present. In this first step, connect the alligator clip to the neg side of the battery.

If power is present, then I need you to connect the alligator clip of the test lamp to the positive side of the battery. Probe pin 85 for ground. If there is a ground present, the light will turn on with the key in the start position.

As far as the pin numbers I'm referring to, they can be found on the relay itself. Also, here is a link you may find helpful:

https://www.2carpros.com/articles/how-to-check-an-electrical-relay-and-wiring-control-circuit

Let me know what you find or if you have questions.

Take care,

joe

See pics below.
Was this
answer
helpful?
Yes
No
Friday, March 3rd, 2023 AT 10:46 PM

Please login or register to post a reply.

Related Engine Not Cranking Over Content