Engine not cranking?

Tiny
817MICHAELJ
  • MEMBER
  • 1993 FORD F-350
  • 7.5L
  • V8
  • 2WD
  • AUTOMATIC
  • 170,000 MILES
My truck listed above will not crank. If I jump at the starter relay it starts and runs perfectly.
I have replaced the Starter, the Starter relay, the neutral safety switch on transmission, the ignition switch on the column and the ECM. Still no crank with key.
I am at a loss what to do next.
I have an OBD-1 code reader and it gave a code for the ECM.
I bought one from Flagship One installed it and still no crank. But I did fix the code error.
Can anyone give me any advice?
Please
Wednesday, May 10th, 2023 AT 7:20 PM

3 Replies

Tiny
JACOBANDNICKOLAS
  • MECHANIC
  • 110,192 POSTS
Hi,

What code did you reset? Also, I need to start at the beginning. I hope you understand.

We need to determine if power is present at fuse J in the under-hood fuse box. In addition to checking the fuse, confirm there is power to and from it.

Here is a link you may find helpful:

https://www.2carpros.com/articles/how-to-check-a-car-fuse

If that is good, remove the starter relay. On the relay, there will be a number for each pin. They will be 85, 86 (for the primary side), and 87 and 30 (secondary side).

With the key off, check pins 30 and 87 for battery voltage. It should be present at all times on one of the two connector pins.

If that checks good, follow the same procedure for pins 30 and 87. This time, however, the key will need to be in the start position for power to be present, so you will need a helper. If power is present, check the other pin for continuity to ground.

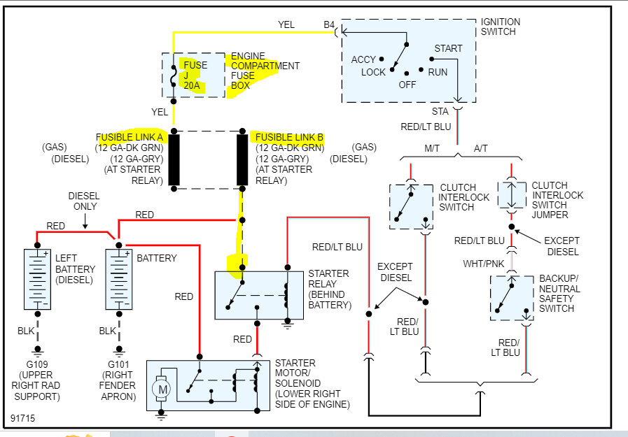
I attached the wiring schematic below so that you have a reference.

Let me know what you find or if you have other questions.

Take care,

Joe

See pic below.

Was this
answer
helpful?
Yes
No
+1
Wednesday, May 10th, 2023 AT 9:25 PM
Tiny
817MICHAELJ
  • MEMBER
  • 2 POSTS
Thank you for your help. I checked the fuse box (under hood) and found that all fuses to be good. I checked on both sides of fuse.
Then I removed the starter relay and found it to be in perfect working order. The starter relay lacks a signal from ignition to energize it. I checked the voltage to the coil on the starter relay and that is where the problem is. With the key on and in start mode it is only getting 1.2 volts. Battery has 12.2 volts. I am losing voltage somewhere. Again, everything works perfectly but the no crank mode. If I jump the starter relay it fires up and everything works as it should. The only thing I haven’t replaced is the ignition control module.
Please tell me if you might have an idea where to look for the lost voltage.
Thank you very much again.
Was this
answer
helpful?
Yes
No
Thursday, May 11th, 2023 AT 12:30 PM
Tiny
JACOBANDNICKOLAS
  • MECHANIC
  • 110,192 POSTS
Hi,

What we need to do is work backward to see where the power is lost. So, if you look at the schematic above, note that power to the primary side of the relay comes from the neutral safety switch. At the switch, there should be a red wire with a light blue tracer. Confirm there is power out from it in the start position and let me know what you find.

Take care,

Joe
Was this
answer
helpful?
Yes
No
Friday, May 12th, 2023 AT 6:18 PM

Please login or register to post a reply.