No crank after driving through a puddle and shutting off?

Tiny
BIGRIGTRIGG
  • MEMBER
  • 2014 CHEVROLET IMPALA
  • 4 CYL
  • AUTOMATIC
  • 153,441 MILES
I drove my car through a puddle of water and immediately afterwards it shut off. I got an oil change, replaced the starter, battery, and fuse. My car won't crank or turn over now. What happened?
Thursday, February 16th, 2023 AT 4:25 PM

1 Reply

Tiny
BORIS K
  • MECHANIC
  • 836 POSTS
Hello,

It sounds like water got into electronic control units or engine fuse box.
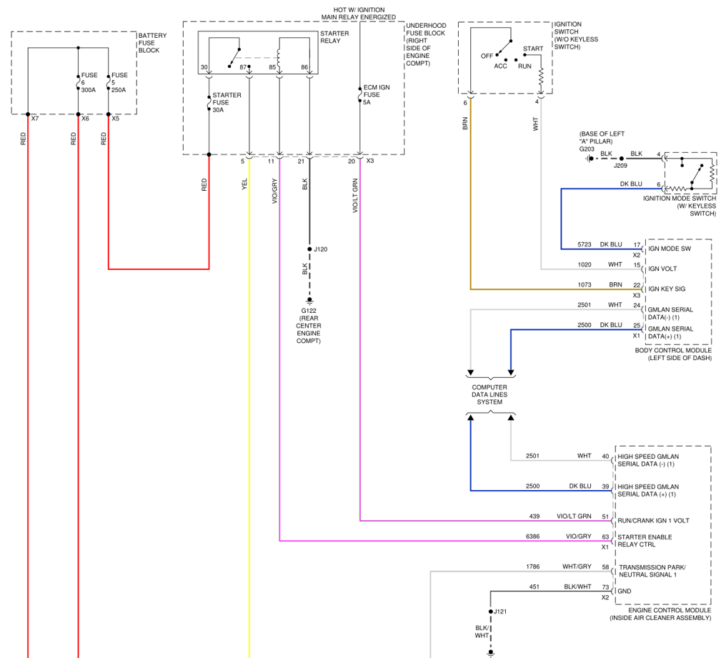
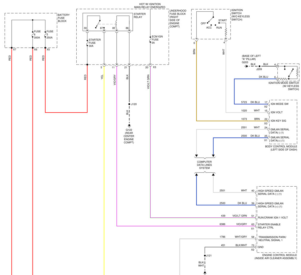
First, I would check that the engine control module (ECM) next to the battery has not gotten wet. See image 1and 3.
If all connectors are dry next check that the ECM IGN fuse (5A) and the Starter fuse (30A) in the under-hood fuse block are still intact, see image 2 below.
The fuse block is located on the right side of the engine compartment next to battery.

How to test fuse:
https://www.2carpros.com/articles/how-to-check-a-car-fuse

Using a test light, you can check if the ECM is outputting a 12V signal on pin 63, violet/grey wire, to starter relay terminal 85. If your engine is a 2.5L then this wire will be yellow/black.

How to use a test light:
https://www.2carpros.com/articles/how-to-use-a-test-light-circuit-tester

How to test wire:
https://www.2carpros.com/articles/how-to-check-wiring

Cheers, Boris
Was this
answer
helpful?
Yes
No
Friday, February 17th, 2023 AT 8:55 AM

Please login or register to post a reply.