Tuesday, February 19th, 2019 AT 12:22 PM
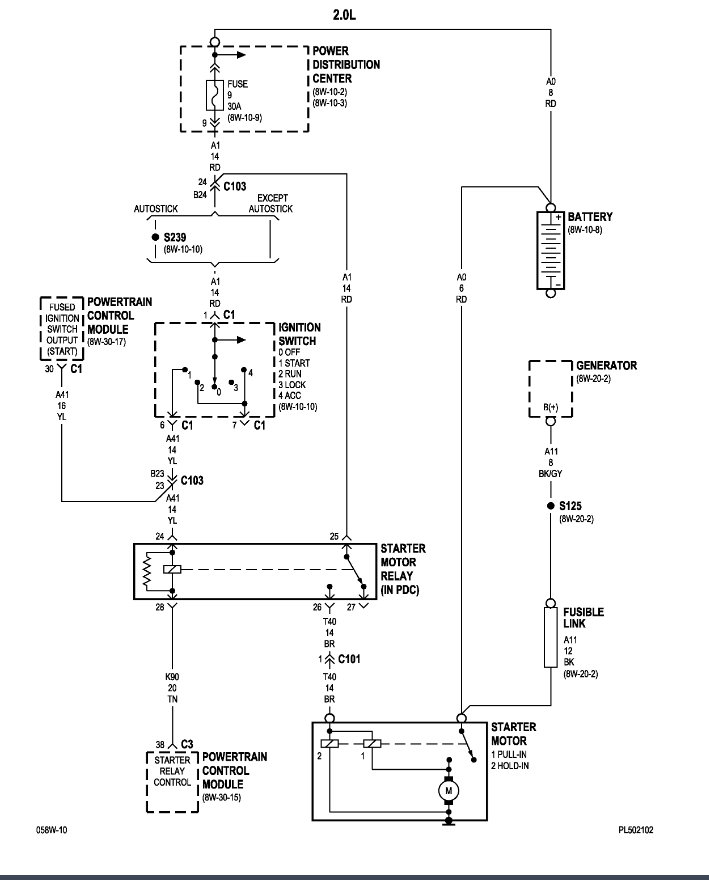
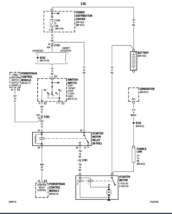
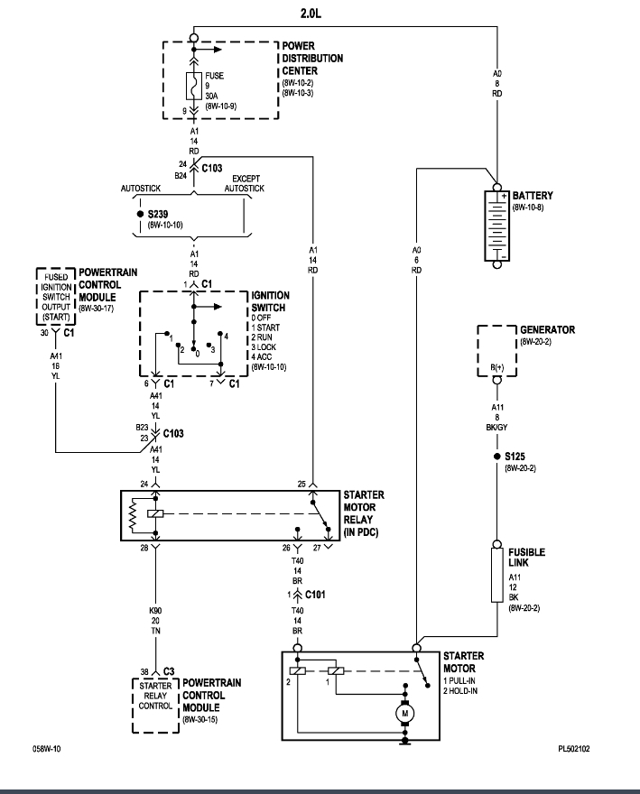
For a few days leading up to the car being DOA, it would give me a no click, no crank, no start on the first try of starting it. I would then push the clutch pedal down harder than normal and it would fire right up with no issues or symptoms. This led me to believe that the clutch ignition switch was the issue when it eventually wouldn't respond at all. I replaced the switch, but still nothing. I replaced the ignition switch and actuator, but still nothing. The battery is holding a charge and I've had no indications that it's the alternator or starter. Also, in the midst of this, a new symptom has popped up. When I turn the key to the "on" position, the dome light, odometer, and power outlet all come on. However, the dash lights and radio do not. Using a test light on the interior fuses, we noticed that certain fuses are receiving power, while others are not (none of the fuses are blown). I know this is a lot to digest, but any help would be much appreciated and I will gladly answer any questions. Thank you.










