No brakes

Tiny
KWILSON1996
  • MEMBER
  • 1996 MERCURY SABLE
  • 6 CYL
  • AUTOMATIC
  • 190,000 MILES
I went from the brakes being okay, not great but nothing alarming, to the brake pedal going to the floor and having no braking ability at all. I slammed it in park (I know) to stop the car. I was told I need a new master cylinder. Here's my next question: the car has been sitting so the battery is drained. Is there another way to know if I have anti-lock brakes if I can't start the car?
Monday, November 9th, 2020 AT 8:23 AM

1 Reply

Tiny
ASEMASTER6371
  • MECHANIC
  • 52,796 POSTS
Good afternoon,

When you turn the key to start, was there a yellow ABS light that came on?

https://www.2carpros.com/articles/abs-warning-light-on-easy-repair-guide

Make sure there are no leaks from the brake system. If the fluid is drained, most likely you have a leak.

https://www.2carpros.com/articles/brake-pedal-goes-to-the-floor

https://www.2carpros.com/articles/how-to-bleed-or-flush-a-car-brake-system

https://www.2carpros.com/articles/how-to-replace-a-brake-master-cylinder

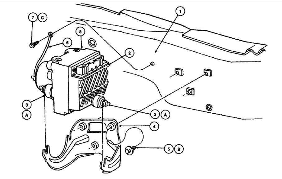
I attached the location of the ABS module for you. Check and see if it is there.

I also attached the bleeding procedure for you for bleeding the ABS.

I attached the part from Rock Auto. There is no difference if it has ABS or not.

Roy

1. Disconnect and remove battery from vehicle.
2. Remove battery tray and mounting bracket from vehicle.

Fig. 115 ABS Module & Hydraulic Control Unit Assembly (Part 1 Of 2)
imageOpen In New TabZoom/Print

Fig. 115 ABS Module & Hydraulic Control Unit Assembly (Part 2 Of 2)
imageOpen In New TabZoom/Print

3. Disconnect Anti-Lock Brake System (ABS) control module electrical connector.
4. Remove inlet and outlet tubes from ABS Hydraulic Control Unit (HCU). Plug ports to prevent brake fluid from spilling onto paint and wiring.
5. Remove ABS pump motor and ground strap.
6. Remove ABS module assembly to HCU bracket retaining nuts.
7. Remove HCU and ABS control module assembly from vehicle.
8. Reverse procedure to install.
9. Torque HCU bracket mounting bolts to 19-25 ft lb.
10. Torque ABS module to HCU bracket retaining bolts to 12-18 ft lb.
11. Torque inlet and outlet tube fittings to 10-18 ft lb.

Bleeding with ABS

The Antilock Brake System (ABS) hydraulic control unit is supplied filled with brake fluid. Therefore, a conventional bleed procedure should be adequate to remove all air from the brake system. However, if a spongy pedal is present and air in hydraulic control unit is suspected, use the following procedure:

1. Connect Rotunda New Generation Star (NGS) Tester 007-00500 or equivalent to the serial data link connector below instrument panel as though retrieving codes.
2. Make sure ignition switch is in the RUN position.
3. Follow instructions on the NGS screen. Choose correct vehicle and model year, go to "DIAGNOSTIC DATA LINK" menu item, choose "ABS MODULE", choose "FUNCTION TESTS", and choose "SERVICE BLEED".
4. RF Caliper Bleed

a. Open RF caliper bleed screw and pump brake pedal in two-three second intervals.
b. When fluid flows clear, begin program and continue to pump brake pedal.
c. Continue bleed for one-two minutes after program ends and then tighten bleed screw.

5. LF Caliper Bleed

a. Open LF caliper bleed screw and pump brake pedal in two-three second intervals.
b. When fluid flows clear, begin program and continue to pump brake pedal.
c. Continue bleed for one-two minutes after program ends and then tighten bleed screw.

6. LR Caliper Bleed

a. Open LR caliper bleed screw and pump brake pedal in two-three second intervals.
b. When fluid flows clear, begin program and continue to pump brake pedal.
c. Continue bleed for one-two minutes after program ends and then tighten bleed screw.

7. RR Caliper Bleed

a. Open RR caliper bleed screw and pump brake pedal in two-three second intervals.
b. When fluid flows clear, begin program and continue to pump brake pedal.
c. Continue bleed for one-two minutes after program ends and then tighten bleed screw.

8. Remove pressure bleeding device and adjust level of brake fluid in reservoir.
Was this
answer
helpful?
Yes
No
+1
Monday, November 9th, 2020 AT 9:03 AM

Please login or register to post a reply.