Brake lights not working

Tiny
REDBONE
  • MEMBER
  • 2005 CHEVROLET IMPALA
  • 3.8L
  • 6 CYL
  • 2WD
  • AUTOMATIC
  • 185,000 MILES
I have turn signals, taillights, emergency flashers but no brake lights. I put new bulbs in, checked the fuse. Fuse good. Also checked for power at the socket and when the pedal is depressed I have no power to the socket. I checked to see if I had power at the fuse and have no power at the fuse. I also checked to see if I had power at the connection on the brake switch and no power. I tried the cruise, and the cruise works and shuts off when brake applied.
Monday, November 15th, 2021 AT 2:13 PM

1 Reply

Tiny
JACOBANDNICKOLAS
  • MECHANIC
  • 110,192 POSTS
Hi,

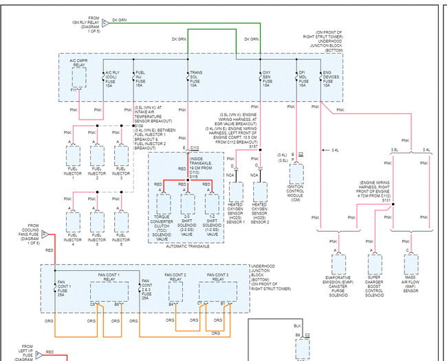
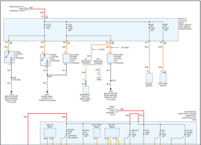
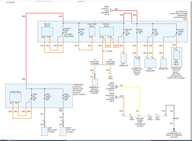
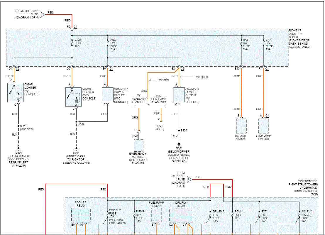
Power for the components is supplied to the interior fuse box from the 60-amp ignition fuse in the under-hood fuse box. Note that power is then sent to the ignition switch. From there, in the on position, power is distributed to the 10-amp brake light fuse you likely already checked and found no power.

Here is what I suggest: Go to the under-hood fuse box and locate the ignition switch fuse (60 amp) and inspect the fuse and confirm there is power present to and from the fuse. See the last pic below.

If that fuse is good and has power to and from, then we need to go to the ignition switch. There will be a red wire which should have 12v at all times. If it is good, turn the key to the run position and check the pink wire out for power. If both of these passes, go to the interior fuse box and check the pink wire in for power. That is where the 10-amp brake lamp fuse is located.

Here are a couple of links you may find helpful:

https://www.2carpros.com/articles/how-to-check-wiring

https://www.2carpros.com/articles/how-to-check-a-car-fuse

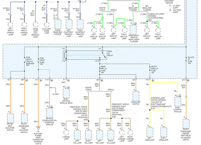
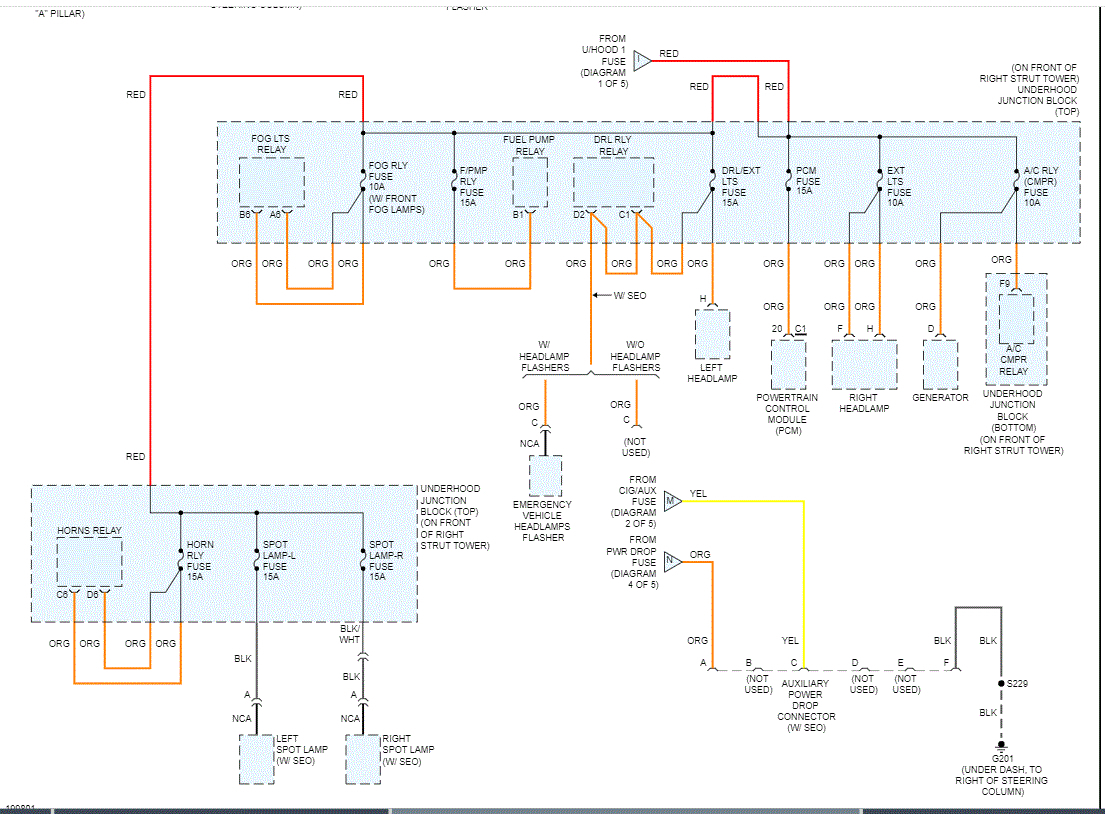
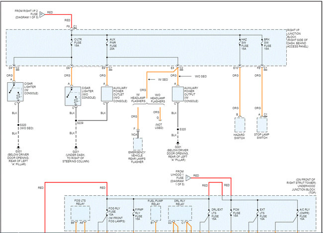
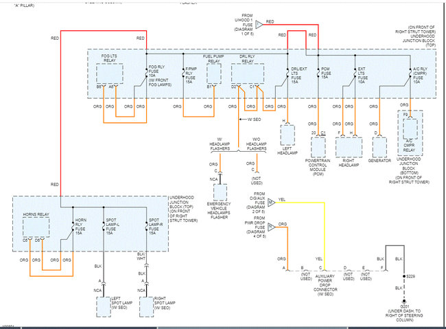
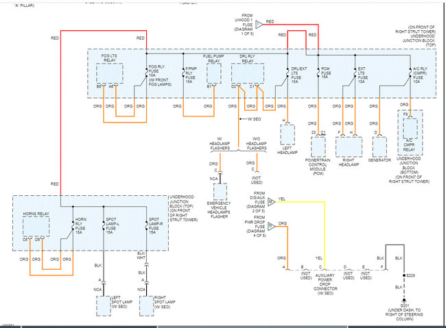
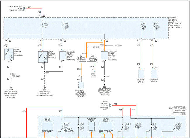
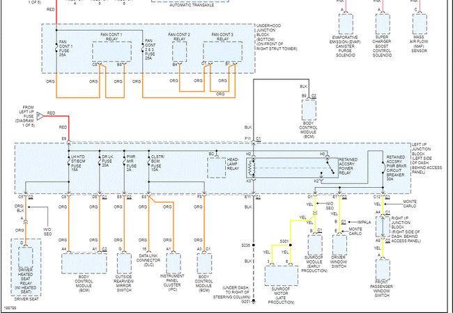
I also attached the entire power distribution wiring schematic below for you to reference. Pics 1 and 3 are the ones that are most important with this issue. I did highlight areas of importance.

Let me know if this helps or if you have other questions.

Take care,

Joe

See pics below. Note: I had to cut each of the wiring schematic pics in half to make them readable for you. I did overlap them so you can follow from one to the next.

Was this
answer
helpful?
Yes
No
Monday, November 15th, 2021 AT 7:56 PM

Please login or register to post a reply.