Turn signal on passenger rear is not working?

Tiny
EARL91
  • MEMBER
  • 2004 DODGE CARAVAN
  • 6 CYL
  • 2WD
  • AUTOMATIC
  • 180,000 MILES
It has no turn signal on passenger rear. Have no power to the pigtail. Need help with what should I check.
Thursday, January 19th, 2023 AT 6:09 AM

1 Reply

Tiny
KEN L
  • MASTER CERTIFIED MECHANIC
  • 55,535 POSTS
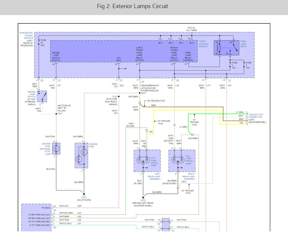
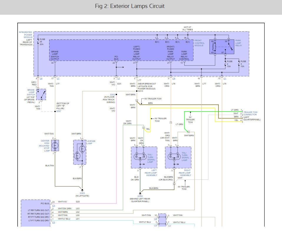
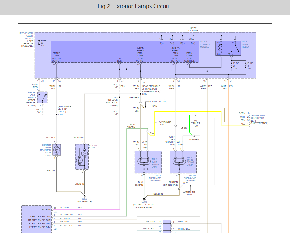
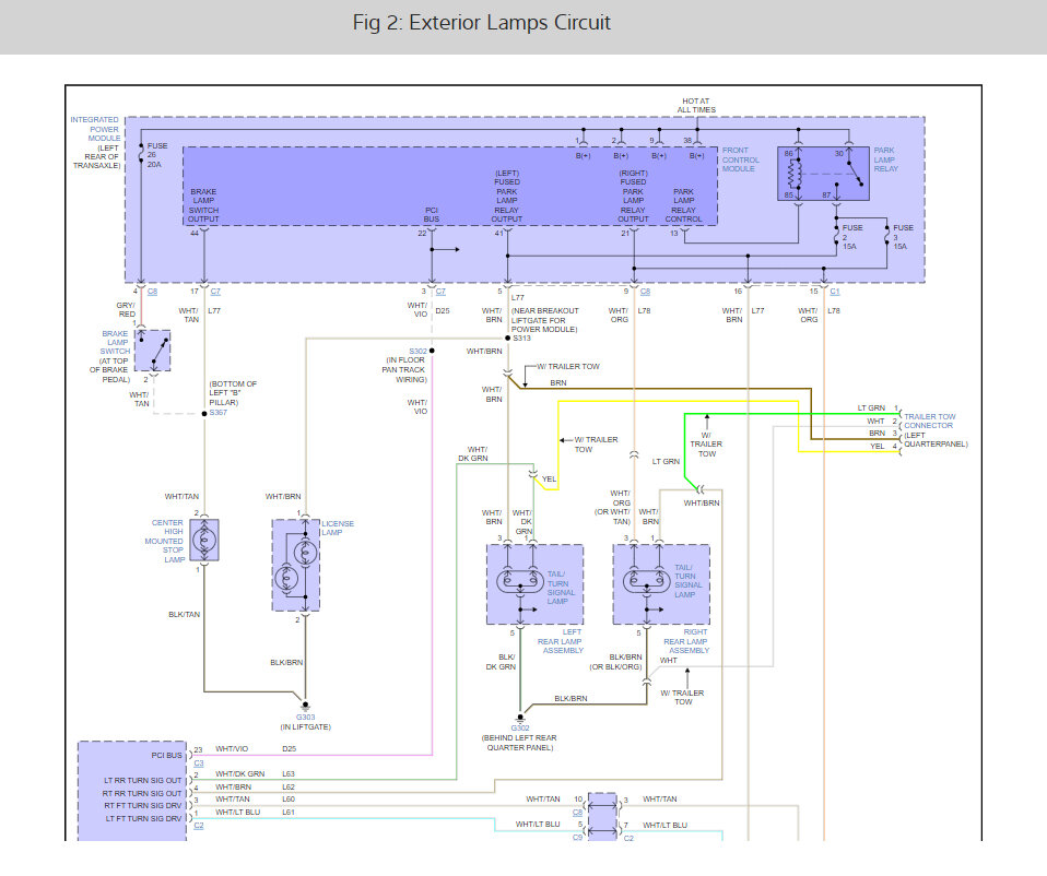
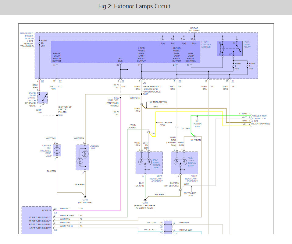
The TIPM goes out all the time in these cars, here is a wiring diagram of the blinker system so you can see how it works. I have included the replacement instructions of the TIPM which is easy because it-self learns. Check out the images (below). Please let us know if you need anything else to get the problem fixed.
Was this
answer
helpful?
Yes
No
Thursday, January 19th, 2023 AT 1:35 PM

Please login or register to post a reply.