Rear lights not working

Tiny
KIMBERLY1227
  • MEMBER
  • 2000 FORD F-350
  • 7.3L
  • TURBO
  • 2WD
  • MANUAL
  • 1,300,000 MILES
I've changed all the bulbs, checked all the connections and wires for the lights, and any and all fuses possibly related to them. But I still haven't got any back lights what so ever.
Sunday, October 10th, 2021 AT 12:10 AM

9 Replies

Tiny
KASEKENNY
  • MECHANIC
  • 18,907 POSTS
When you say you have no back lights, do you mean you have no lights in the rear at all, including brake lights, backup lights, and turn signals? Or just no back up lamps.

Either way we are going to have to start with checking for voltage through the circuit.

Here are some guides that will help with this:

https://www.2carpros.com/articles/how-to-check-wiring

https://www.2carpros.com/articles/how-to-use-a-voltmeter

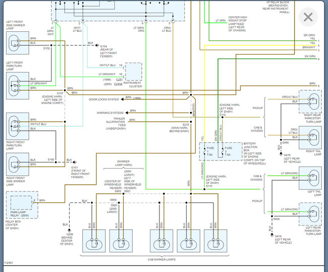
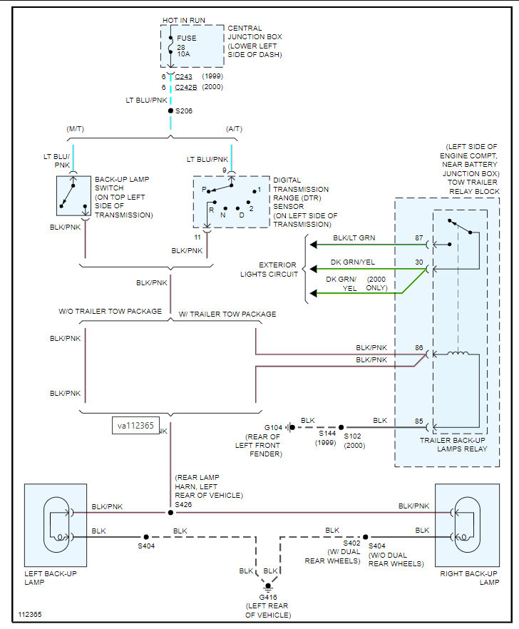
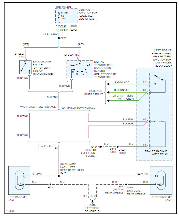
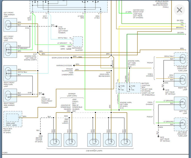
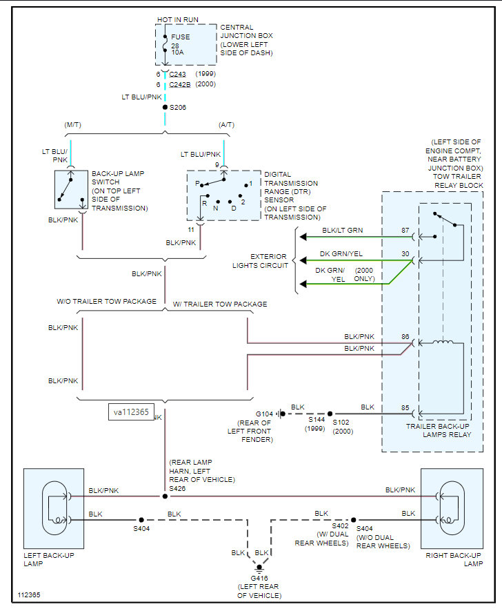
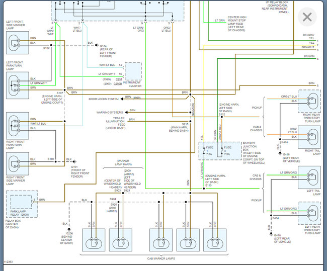
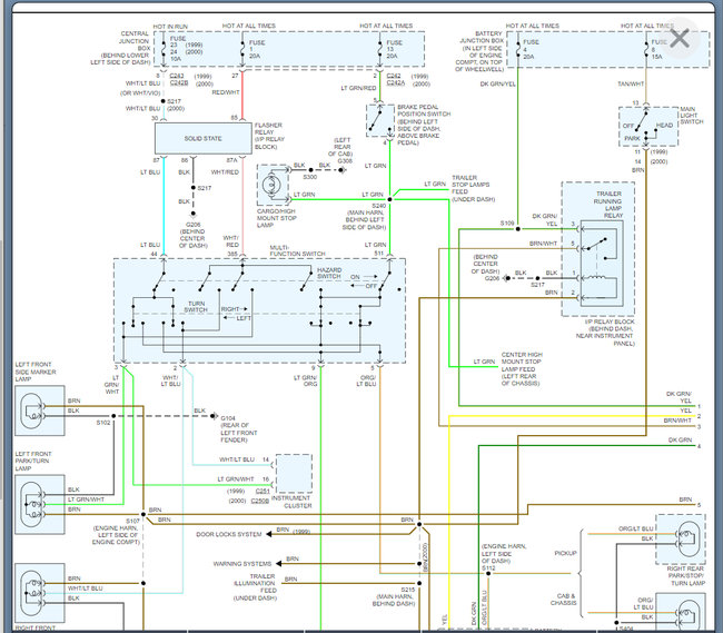
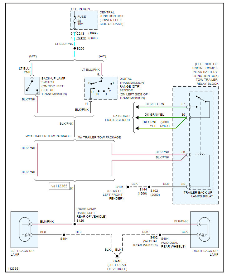
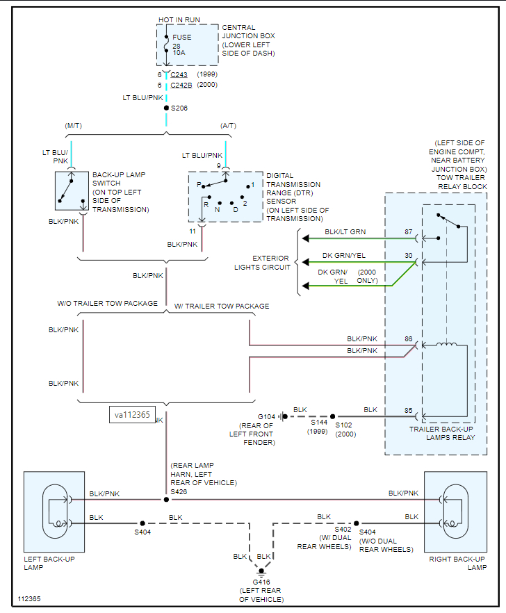
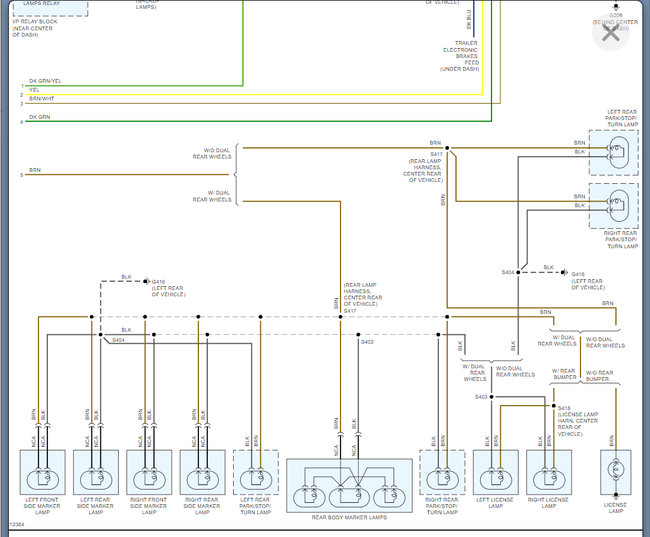
I am attaching the wiring diagrams for the reverse lights and exterior lights.

Since this is a manual transmission and if you are just missing the reverse lights then I suspect the backup lamp switch is the issue.

I would just check the voltage coming out of it or jump it and see if the lights come on.

I attached the info for the exterior lamps as well so let's clarify what is happening and then work through the correct wiring diagram.
Was this
answer
helpful?
Yes
No
Sunday, October 10th, 2021 AT 8:25 AM
Tiny
KIMBERLY1227
  • MEMBER
  • 18 POSTS
I've already checked the voltage and all that but it's not telling me anything.
Was this
answer
helpful?
Yes
No
Sunday, October 10th, 2021 AT 8:39 AM
Tiny
KASEKENNY
  • MECHANIC
  • 18,907 POSTS
Okay. Then can you catch me up to where you are? What circuits did you check for voltage? By it not telling you anything, does that mean you have no voltage?

Also, which lights are not working? All lights including brake lights when you press the brakes? What about the third brake light, is that not working either?

I am just going to need a little more detail about what is not working and where and what voltage was when you checked it.

Thanks
Was this
answer
helpful?
Yes
No
Sunday, October 10th, 2021 AT 3:42 PM
Tiny
KIMBERLY1227
  • MEMBER
  • 18 POSTS
Okay, so everything works except my running lights. But I can hook up a trailer and the running lights work on just the trailer but still not on the truck.
Was this
answer
helpful?
Yes
No
Monday, October 11th, 2021 AT 1:01 AM
Tiny
KASEKENNY
  • MECHANIC
  • 18,907 POSTS
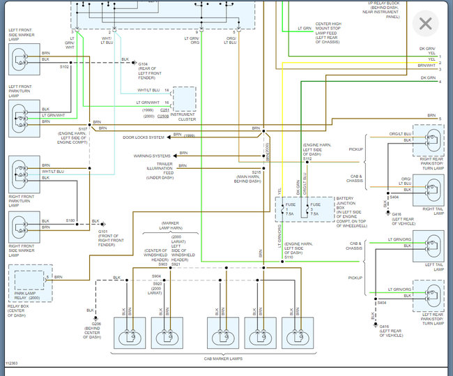
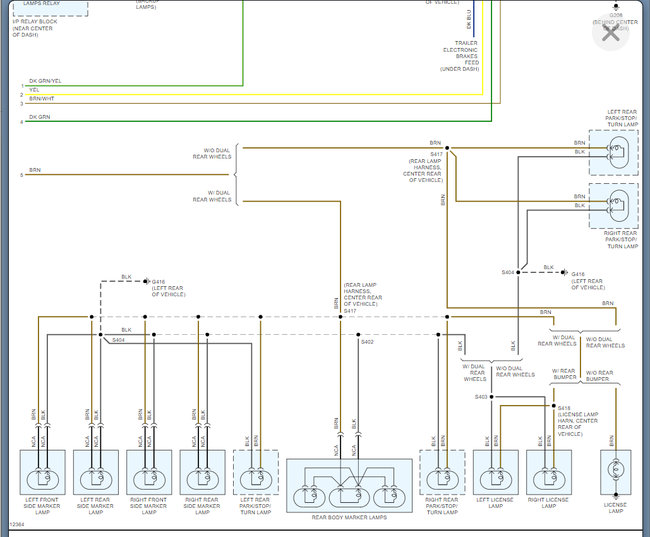
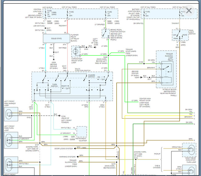
Okay. If the trailer running lights are working that is because they are run off their own relay and powered by the marker lights not the rear running lights.

More than likely the multifunction switch is failed.

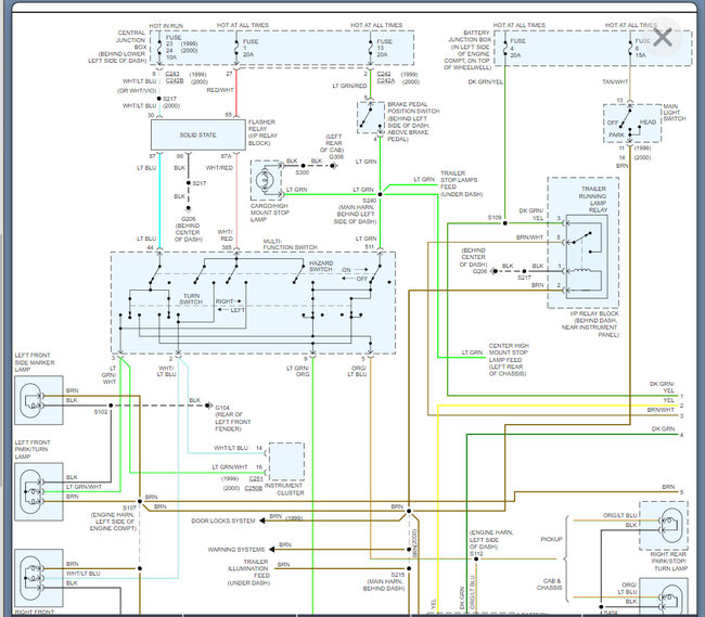
One easy way to check this is go to the battery junction box and check for power on both sides of fuses 1 and 3. These are for trailer tow package but not the running lights.

https://www.2carpros.com/articles/how-to-check-a-car-fuse

https://www.2carpros.com/articles/how-to-use-a-test-light-circuit-tester

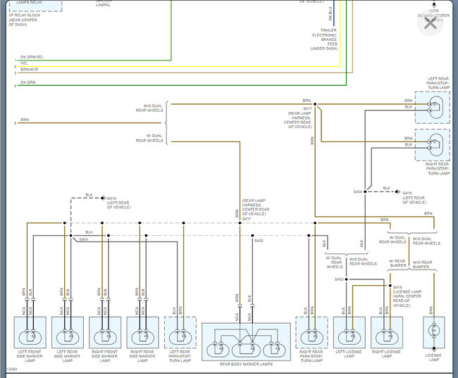
Basically, if you look at the wiring diagram, you will see the trailer running lamp relay and it is spliced into the marker light circuit on the brown wire.

Then you will see the rear running lamps come directly off the multifunction switch.

There is a splice off these circuits that goes to the fuses listed for the trailer so if we have power on both fuses on both sides of the fuse then the switch is not the issue.

Please let me know what you find. Thanks
Was this
answer
helpful?
Yes
No
Monday, October 11th, 2021 AT 6:32 AM
Tiny
KIMBERLY1227
  • MEMBER
  • 18 POSTS
Okay. I will try that and get back to you. I have another question regarding another truck. It's a 2004 f150 Lariat. Took the 5.4l motor out and replaced it with a 4.6l motor. Now it's in engine fail safe mode and will not crank. How do I bypass that?
Was this
answer
helpful?
Yes
No
Monday, October 11th, 2021 AT 6:09 PM
Tiny
KASEKENNY
  • MECHANIC
  • 18,907 POSTS
Sounds good.

As for the other question, we need to keep each post to one issue and one vehicle just so that others that have the same issue can find it. They won't find the answer to that questions under this post so let's get a new one started, and we can figure that out.

Thanks
Was this
answer
helpful?
Yes
No
Tuesday, October 12th, 2021 AT 8:09 AM
Tiny
KIMBERLY1227
  • MEMBER
  • 18 POSTS
Okay, so I've got power on both fuses on both sides of the fuse. Now what do I do?
Was this
answer
helpful?
Yes
No
Tuesday, October 12th, 2021 AT 5:31 PM
Tiny
KASEKENNY
  • MECHANIC
  • 18,907 POSTS
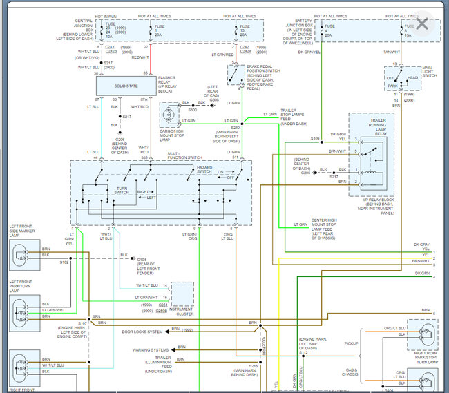
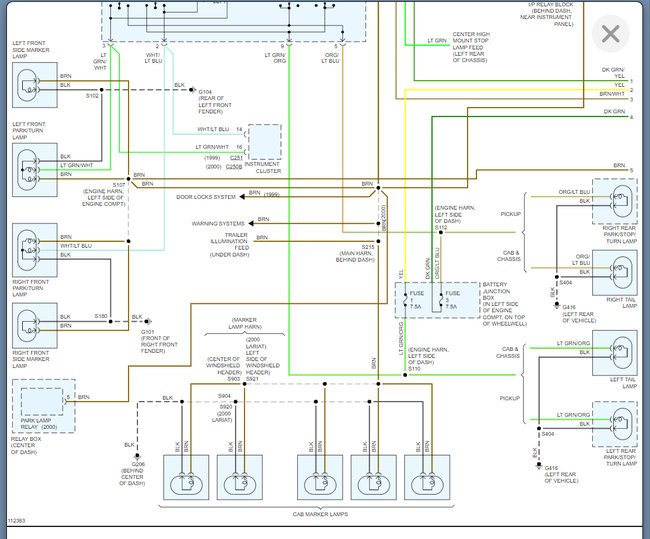
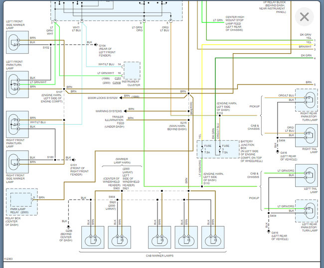
Okay. So, if you have voltage on both sides of these fuses then that means the switch is working sending voltage to the circuit. So now we need to find where it is going.

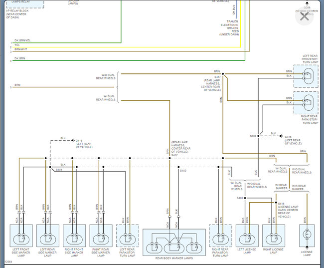
That means we need to turn the lights on and check voltage at the bulbs.

If we don't have 12-volts there, then we have a wiring issue from the splices to the rear lights.

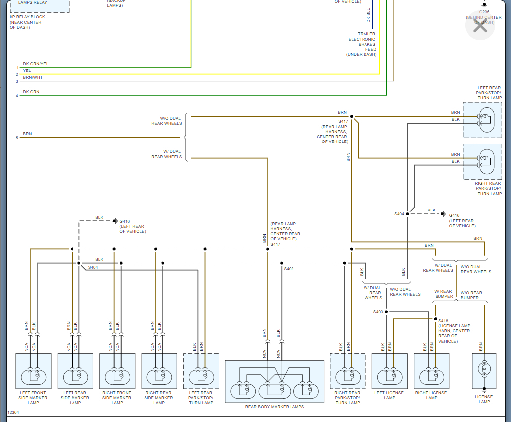
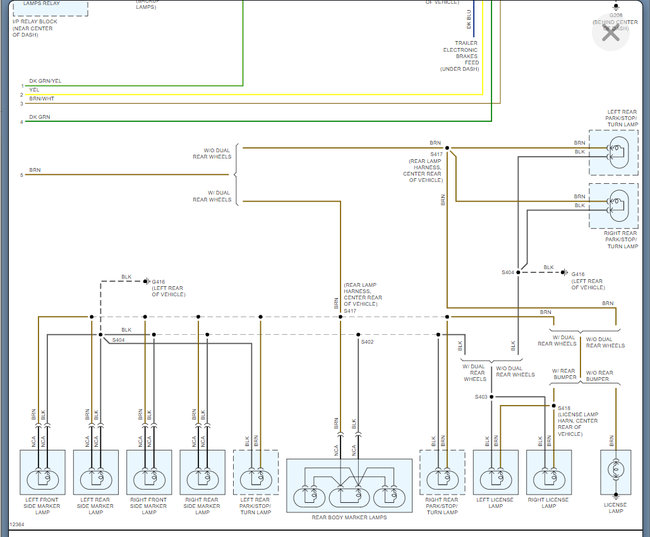
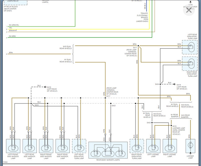
Take a look at the diagram below. Let me know what you find.

Clearly, we can just run a wire if needed to re-establish the voltage when the switch is on.
Was this
answer
helpful?
Yes
No
Tuesday, October 12th, 2021 AT 5:57 PM

Please login or register to post a reply.