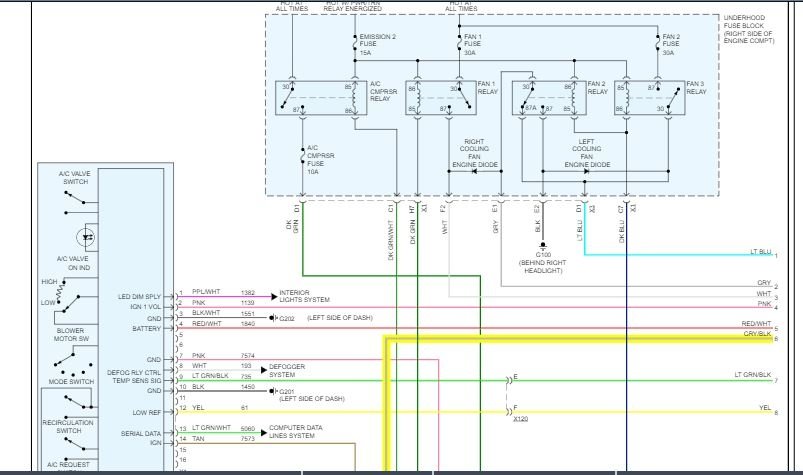
Sunday, November 14th, 2021 AT 7:47 AM
Replaced bower motor it was bad and then replaced resister, still no air from vents. Don't know which fuse or relay to check to see if they're bad not blowing on any setting.








