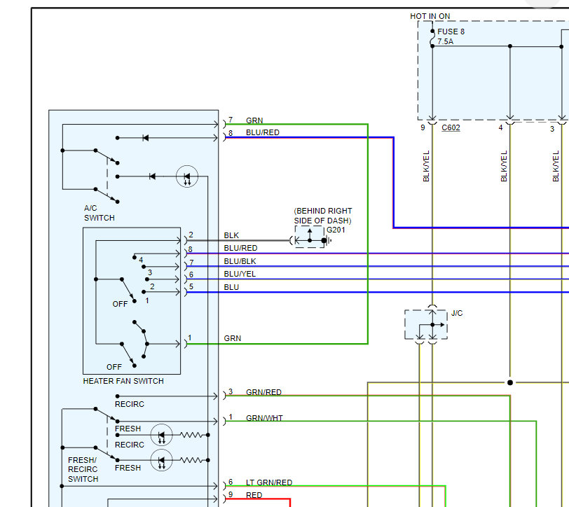
Monday, June 7th, 2021 AT 10:10 AM
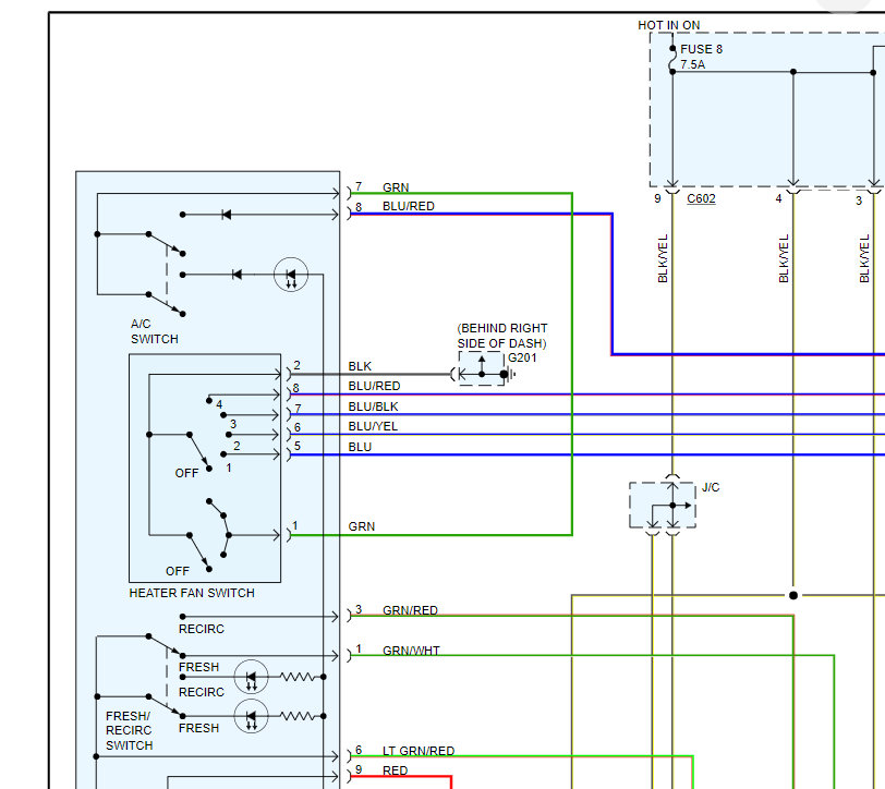
So I'm not sure how to go about testing my fans to see if they function or test the relays. I'm trying to troubleshoot but don't know where to start. Also when I bought the car it has a switch they said was for the A/C so that might also be the cause. Any suggestions or help will be greatly greatly appreciated. Thanks in advance.












